M2KRPC1

FCC ID

Equipment:

Innowave ECI Telecom Ltd. RPC1

4 Hashiloach St., POB 85, Petach Tikva, N/A 49104 Israel

Application
Frequency Range
Final Action Date
Granted
QAcPqgFCO1RfHwzzEnwISg==
2401.0-2480.0
2000-06-12
APPROVED
File NameDocument TypeDateDirect
Hopping sequencesOperational Description 2000-06-12 00:00:00 pdf
Antenna view 3Operational Description 2000-06-12 00:00:00 jpeg
Antenna view 2Operational Description 2000-06-12 00:00:00 jpeg
Antenna view 1Operational Description 2000-06-12 00:00:00 jpeg
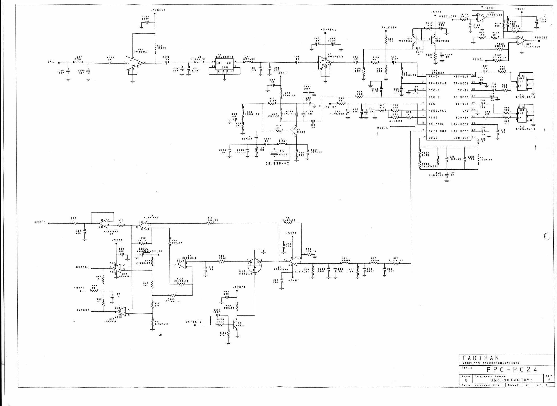
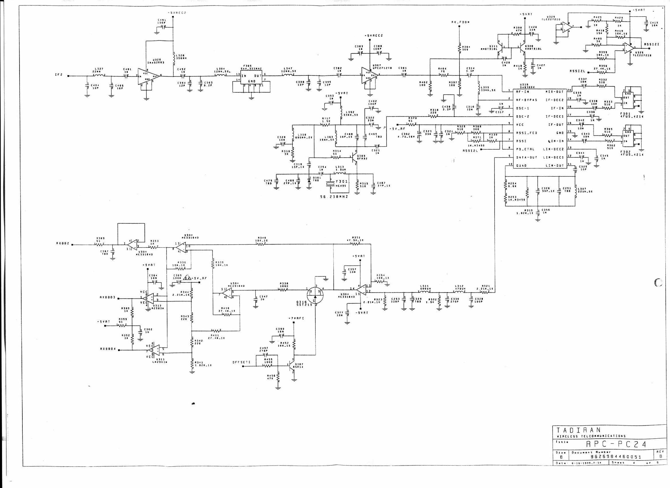
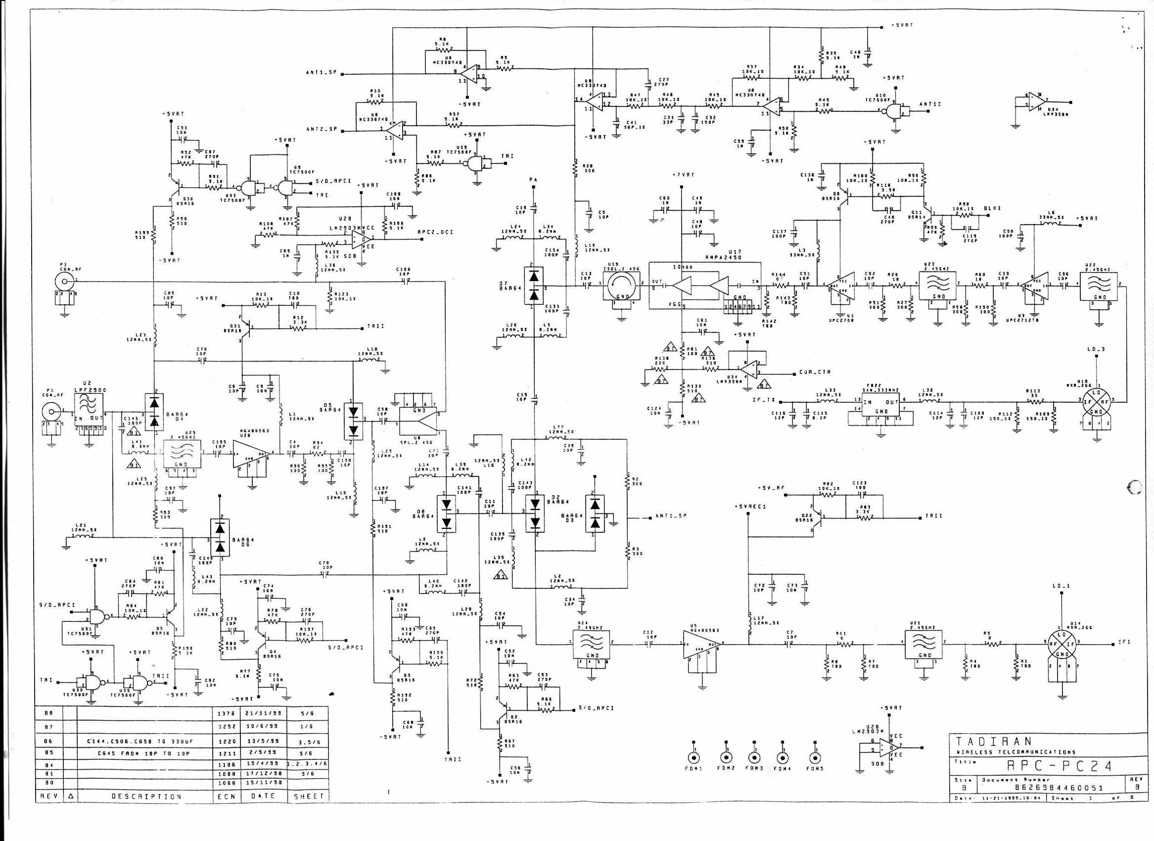
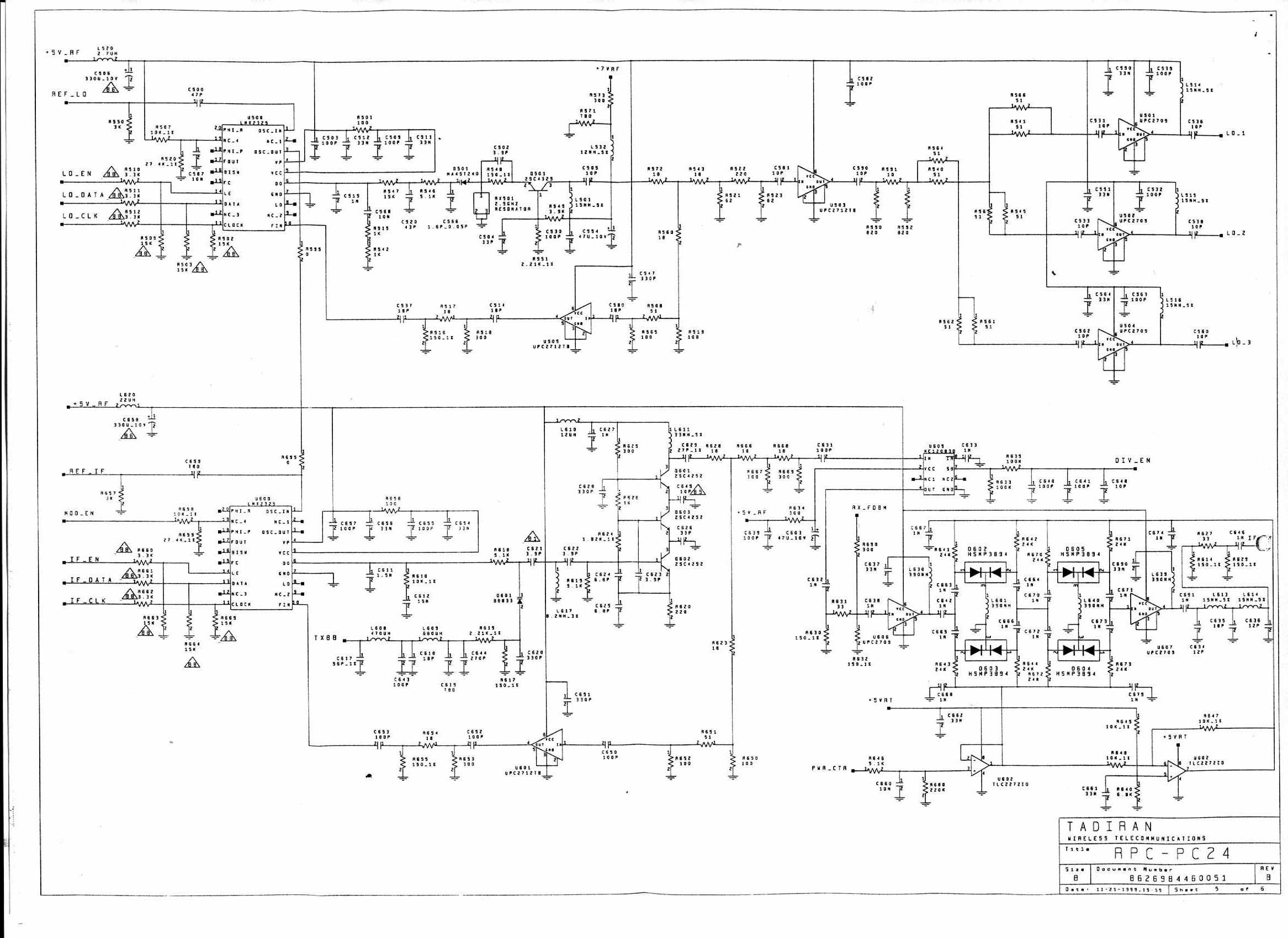
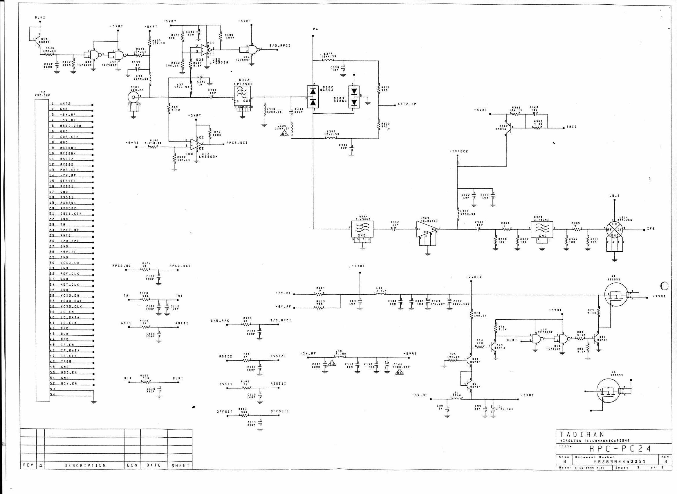
RF module schematic 5Schematics 2000-06-12 00:00:00 jpeg
RF module schematic 4Schematics 2000-06-12 00:00:00 jpeg
RF module schematic 3Schematics 2000-06-12 00:00:00 jpeg
RF module schematic 6Schematics 2000-06-12 00:00:00 jpeg
RF module schematic 2Schematics 2000-06-12 00:00:00 jpeg
RF module schematic 1Schematics 2000-06-12 00:00:00 jpeg
PC board without shieldInternal Photos 2000-06-12 00:00:00 jpeg
PC board with shieldInternal Photos 2000-06-12 00:00:00 jpeg
exposure limit 1 pageRF Exposure Info 2000-06-12 00:00:00 pdf
part8Test Report 2000-06-12 00:00:00 pdf
part7 (test setup and digital radiated data)Test Report 2000-06-12 00:00:00 pdf
part6Test Report 2000-06-12 00:00:00 pdf
part5Test Report 2000-06-12 00:00:00 pdf
part4Test Report 2000-06-12 00:00:00 pdf
part3Test Report 2000-06-12 00:00:00 pdf
part2Test Report 2000-06-12 00:00:00 pdf
part1Test Report 2000-06-12 00:00:00 pdf
receiver complianceOperational Description 2000-06-12 00:00:00 pdf
3 pagesInternal Photos 2000-06-12 00:00:00 pdf
37 pagesUsers Manual 2000-06-12 00:00:00 pdf
4 pagesInternal Photos 2000-06-12 00:00:00 pdf
34 pagesParts List/Tune Up Info 2000-06-12 00:00:00 pdf
hopping sequencesOperational Description 2000-06-12 00:00:00 pdf
antenna descriptionOperational Description 2000-06-12 00:00:00 pdf
45Users Manual 2000-06-12 00:00:00 pdf
8 pagesOperational Description 2000-06-12 00:00:00 pdf
1 pageBlock Diagram 2000-06-12 00:00:00 pdf
33 pagesUsers Manual 2000-06-12 00:00:00 pdf
5 pagesInternal Photos 2000-06-12 00:00:00 pdf

Application Details:

EquipmentRPC 2.4 GHz, Voice system.
FRN9999999999
Grantee CodeM2K
Product CodeRPC1
Applicant BusinessInnowave ECI Telecom Ltd.
Business Address4 Hashiloach St., POB 85 , Petach Tikva,N/A Israel 49104
TCB Scope
TCB Email
ApplicantAmnon Beer – Engineering Manager
Applicant Phone
Applicant Fax972 39263678
Applicant Email[email protected]
Applicant MailStop
Test FirmHermon Laboratories Ltd.
Test Firm ContactAlexander Usoskin
Test Firm Phone
Test Firm Fax972-4628-8277
Test Firm Email[email protected]
Certified ByAmmon Beer – Engineering Manager

© 2026 FCC.report
This site is not affiliated with or endorsed by the FCC