LPV-STF2010

FCC ID

Equipment:

Alford Industries Ltd -STF2010

Unit 201, 2/F, Park Building 476 Castle Peak Road, Kowloon, N/A N/A Hong Kong

Application
Frequency Range
Final Action Date
Granted
G52+UWFlO3HEAlGTCXR1bw==
49.83-49.89
2004-03-25
APPROVED
File NameDocument TypeDateDirect
BandwidthTest Report 2004-03-25 00:00:00 native
Operational DescriptionOperational Description 2004-03-25 00:00:00 pdf
User ManualUsers Manual 2004-03-25 00:00:00 pdf
Setup PhotosTest Setup Photos 2004-03-25 00:00:00 pdf
Test ReportTest Report 2004-03-25 00:00:00 pdf
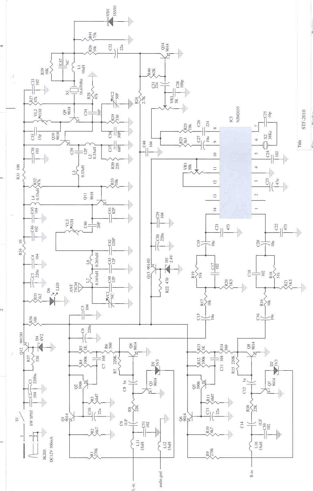
SchematicsSchematics 2004-03-25 00:00:00 native
Internal PhotosInternal Photos 2004-03-25 00:00:00 pdf
FCC ID LabelID Label/Location Info 2004-03-25 00:00:00 pdf
External PhotosExternal Photos 2004-03-25 00:00:00 pdf
Block DiagramBlock Diagram 2004-03-25 00:00:00 pdf

Application Details:

EquipmentStereo RF Cordless Headphone Transmitter
FRN0010590388
Grantee CodeLPV
Product Code-STF2010
Applicant BusinessAlford Industries Ltd
Business AddressUnit 201, 2/F, Park Building 476 Castle Peak Road, Kowloon,N/A Hong Kong
TCB ScopeA1: Low Power Transmitters below 1 GHz (except Spread Spectrum), Unintentional Radiators, EAS (Part 11) & Consumer ISM devices
TCB Email[email protected]
ApplicantThong Kin Choong – Business Manager
Applicant Phone
Applicant Fax852 2741 3401
Applicant Email[email protected]
Applicant MailStop
Test FirmAdvanced Compliance Laboratory
Test Firm ContactWei Li
Test Firm Phone
Test Firm Fax9089270728
Test Firm Email[email protected]
Certified ByWei Li – Manager ( AGENT )

© 2026 FCC.report
This site is not affiliated with or endorsed by the FCC