Toggle navigation
FCC.report
IBFS
ELS
FCC ID
Contact
About
BBG-55003
FCC ID
Equipment:
Aristo Craft -55003
346 Bergen Avenue, Jersey City, NJ 07304 United States
FCC.report
›
FCC ID
›
Aristo Craft
›
BBG-55003
Application
Frequency Range
Final Action Date
Granted
TcNLxMfzVjJG7EisIG9oCQ==
75.41-75.99
2001-07-24
APPROVED
File Name
Document Type
Date
Direct
operational description
Operational Description
2001-07-24 00:00:00
pdf
transmitter alignment procedure
Parts List/Tune Up Info
2001-07-24 00:00:00
pdf
internal photos
Internal Photos
2001-07-24 00:00:00
pdf
users manual
Users Manual
2001-07-24 00:00:00
pdf
test report
Test Report
2001-07-24 00:00:00
pdf
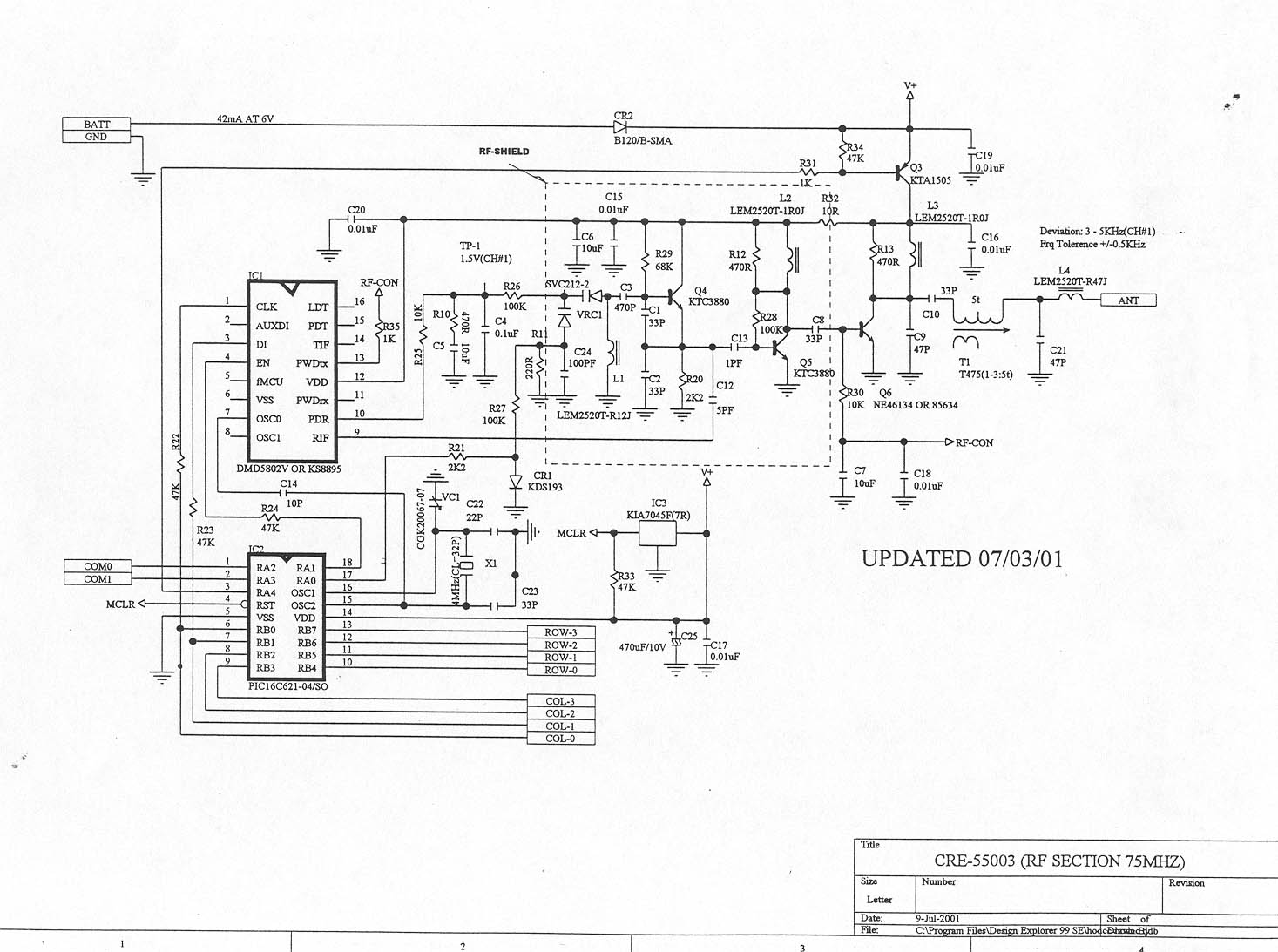
schematics 2
jpeg
2001-07-24 00:00:00
jpeg
schematics 1
jpeg
2001-07-24 00:00:00
jpeg
external photos
External Photos
2001-07-24 00:00:00
pdf
label location
jpeg
2001-07-24 00:00:00
jpeg
label sample
jpeg
2001-07-24 00:00:00
jpeg
Application Details:
Equipment
R/C Transmitter
FRN
9999999999
Grantee Code
BBG
Product Code
-55003
Applicant Business
Aristo Craft
Business Address
346 Bergen Avenue , Jersey City,New Jersey United States 07304
TCB Scope
B2: General Mobile Radio And Broadcast Services equipment in the following 47 CFR Parts 22 (non-cellular) 73, 74, 90, 95 & 97
TCB Email
[email protected]
Applicant
Gil Rose –
Applicant Phone
Applicant Fax
201 332-0521
Applicant Email
N/A
Applicant MailStop
Test Firm
Hyak Laboratories, Inc.
Test Firm Contact
Rowland Johnson
Test Firm Phone
Test Firm Fax
Test Firm Email
Certified By
Gil Rose –
© 2026 FCC.report
This site is not affiliated with or endorsed by the FCC