Toggle navigation
FCC.report
IBFS
ELS
FCC ID
Contact
About
b54rt320911
FCC ID
Equipment:
Becker Flugfunkwerk GmbH rt320911
Baden-Airpark B108, D77836 Reinmunster, N/A N/A Germany
FCC.report
›
FCC ID
›
Becker Flugfunkwerk GmbH
›
b54rt320911
Application
Frequency Range
Final Action Date
Granted
uMOalvOacWILg5hbYFKfqA==
118.0-136.975
1999-11-04
APPROVED
File Name
Document Type
Date
Direct
13a
Cover Letter(s)
1999-11-04 00:00:00
pdf
13
Cover Letter(s)
1999-11-04 00:00:00
pdf
FAA Cover letter
Cover Letter(s)
1999-11-04 00:00:00
pdf
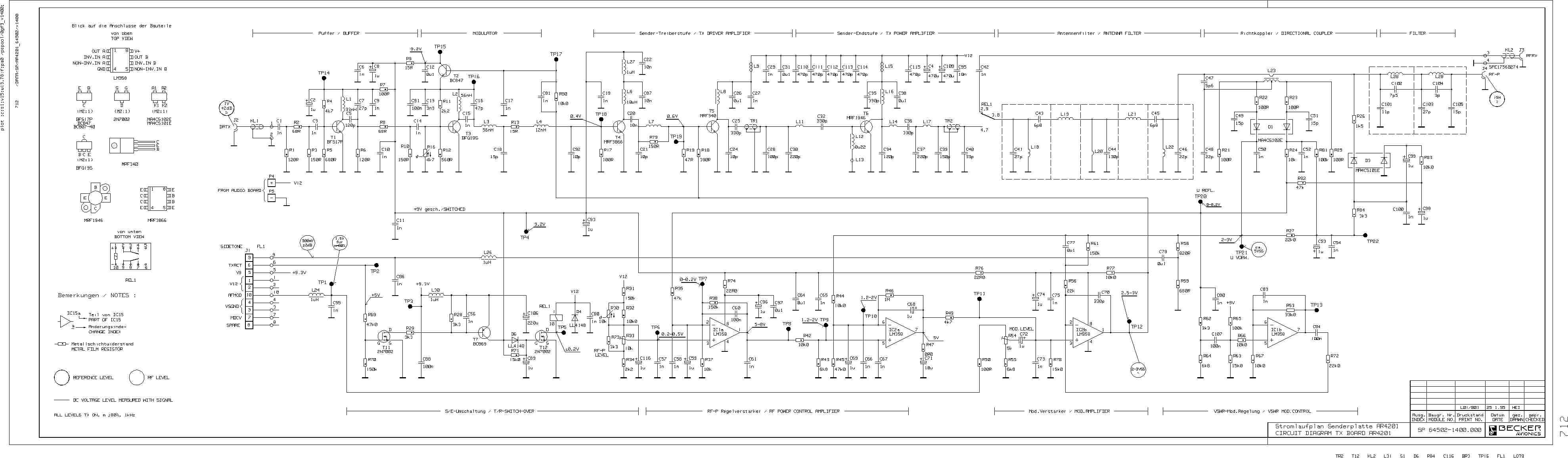
Circuit Diagram
Schematics
1999-11-04 00:00:00
jpeg
User Manual
Users Manual
1999-11-04 00:00:00
pdf
RF Board Schematic
Schematics
1999-11-04 00:00:00
jpeg
Photo inside Case
Internal Photos
1999-11-04 00:00:00
jpeg
Manual for ATC 3401 Transponder
Users Manual
1999-11-04 00:00:00
pdf
Photo Test setup
Test Setup Photos
1999-11-04 00:00:00
jpeg
Report
Test Report
1999-11-04 00:00:00
pdf
Photo Case
External Photos
1999-11-04 00:00:00
jpeg
Label
ID Label/Location Info
1999-11-04 00:00:00
jpeg
Label Location
ID Label/Location Info
1999-11-04 00:00:00
jpeg
Application Details:
Equipment
Aviation Communications Transceiver
FRN
0020389896
Grantee Code
B54
Product Code
RT320911
Applicant Business
Becker Flugfunkwerk GmbH
Business Address
Baden-Airpark B108 , D77836 Reinmunster,N/A Germany
TCB Scope
TCB Email
Applicant
Sabine Mosebach –
Applicant Phone
Applicant Fax
Applicant Email
[email protected]
Applicant MailStop
Test Firm
Rogers Labs, Inc.
Test Firm Contact
Scot Rogers
Test Firm Phone
Test Firm Fax
913-837-3214
Test Firm Email
[email protected]
Certified By
Scot D Rogers – President
© 2025 FCC.report
This site is not affiliated with or endorsed by the FCC