QMWTX-3316RS

FCC ID

Equipment:

SimTech Systems, LLC TX-3316RS

42 Martin's Way, Sugar Land, TX 77479 United States

Application
Frequency Range
Final Action Date
Granted
seOmM3AUHBXX5KE/fsUrpg==
433.52-434.42
2002-09-20
APPROVED
File NameDocument TypeDateDirect
revised reportTest Report 2002-09-20 00:00:00 pdf
users manualUsers Manual 2002-09-20 00:00:00 pdf
tst setup photosTest Setup Photos 2002-09-20 00:00:00 pdf
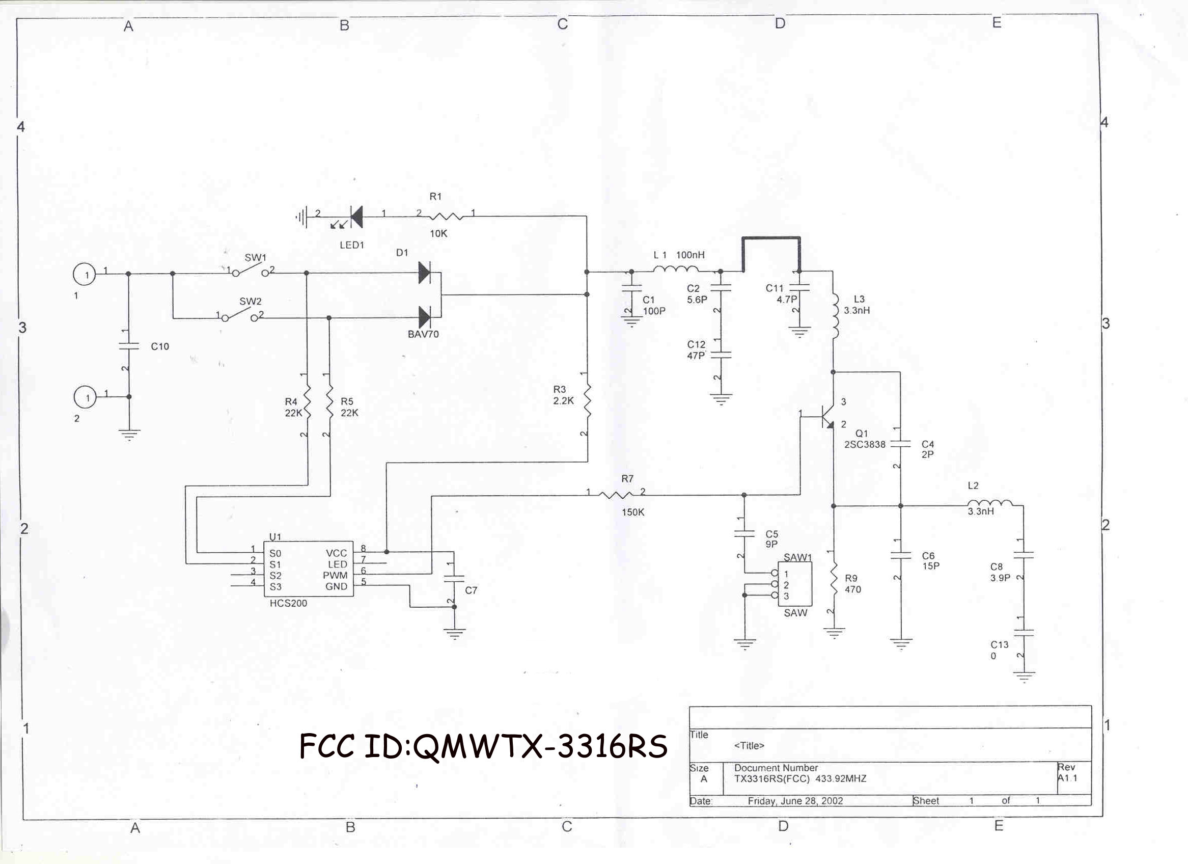
schematicsjpeg 2002-09-20 00:00:00 jpeg
operational descriptionOperational Description 2002-09-20 00:00:00 pdf
internal photosInternal Photos 2002-09-20 00:00:00 pdf
label locationID Label/Location Info 2002-09-20 00:00:00 pdf
label sampleID Label/Location Info 2002-09-20 00:00:00 pdf
external photosExternal Photos 2002-09-20 00:00:00 pdf
block diagramBlock Diagram 2002-09-20 00:00:00 pdf
test reportTest Report 2002-09-20 00:00:00 N/A

Application Details:

EquipmentRemote Start Disabler (Transmitter)
FRN0007597446
Grantee CodeQMW
Product CodeTX-3316RS
Applicant BusinessSimTech Systems, LLC
Business Address42 Martin's Way , Sugar Land,Texas United States 77479
TCB ScopeA1: Low Power Transmitters below 1 GHz (except Spread Spectrum), Unintentional Radiators, EAS (Part 11) & Consumer ISM devices
TCB Email[email protected]
ApplicantDavid Murray – President
Applicant Phone
Applicant Fax281-265-0003
Applicant Email[email protected]
Applicant MailStop
Test FirmSPORTON International Inc
Test Firm ContactKathy Lin
Test Firm Phone 230
Test Firm Fax886-2-2696-2255
Test Firm Email[email protected]
Certified ByDavid Murray – President

© 2026 FCC.report
This site is not affiliated with or endorsed by the FCC