OHKGLT2704

FCC ID

Equipment:

South Pacific Electronics Ltd. GLT2704

PO Box 9417, Nadi Airport, N/A N/A Fiji

Application
Frequency Range
Final Action Date
Granted
zlBec2Br1ZyigE4d4VbG1A==
27.195-27.195
2000-03-14
APPROVED
File NameDocument TypeDateDirect
back o fPCAInternal Photos 2000-03-14 00:00:00 jpeg
front of PCAInternal Photos 2000-03-14 00:00:00 jpeg
top and PCA removedInternal Photos 2000-03-14 00:00:00 jpeg
top removedInternal Photos 2000-03-14 00:00:00 jpeg
back of padInternal Photos 2000-03-14 00:00:00 jpeg
pads for different modelsExternal Photos 2000-03-14 00:00:00 jpeg
BackExternal Photos 2000-03-14 00:00:00 jpeg
FrontExternal Photos 2000-03-14 00:00:00 jpeg
page 6 of manualBlock Diagram 2000-03-14 00:00:00 pdf
manual contains techical dateOperational Description 2000-03-14 00:00:00 pdf
CKC Test ReportTest Report 2000-03-14 00:00:00 pdf
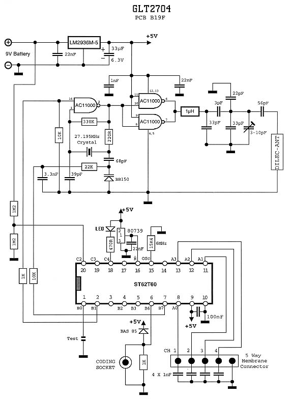
schematicsSchematics 2000-03-14 00:00:00 jpeg
label placementID Label/Location Info 2000-03-14 00:00:00 jpeg
drawing of labelID Label/Location Info 2000-03-14 00:00:00 jpeg
User guideUsers Manual 2000-03-14 00:00:00 pdf
agent authorization letterCover Letter(s) 2000-03-14 00:00:00 pdf

Application Details:

Equipment27MHz Handheld Gigalink Transmitter, Model GLT270X
FRN0021781877
Grantee CodeOHK
Product CodeGLT2704
Applicant BusinessSouth Pacific Electronics Ltd.
Business AddressPO Box 9417 , Nadi Airport,N/A Fiji
TCB Scope
TCB Email
ApplicantRichard Eigner – Managing Director
Applicant Phone
Applicant Fax011-679-720-303
Applicant Email[email protected]
Applicant MailStop
Test FirmCKC Laboratories, Inc.
Test Firm ContactSteve Behm
Test Firm Phone 2221
Test Firm Fax866-779-9776
Test Firm Email[email protected]
Certified ByTracy Phillips – Documentation Control Supervisor

© 2026 FCC.report
This site is not affiliated with or endorsed by the FCC