NCP700671C

FCC ID

Equipment:

Midland Radio Corporation 700671C

5900 Parretta Drive, Kansas City, MO 64120-2134 United States

Application
Frequency Range
Final Action Date
Granted
zx52DjjQyEMviPmXKwZXZQ==
42.0-50.0
2000-02-01
APPROVED
File NameDocument TypeDateDirect
Alignment ProcedureParts List/Tune Up Info 2000-02-01 00:00:00 pdf
User InstructionsUsers Manual 2000-02-01 00:00:00 pdf
Test ReportTest Report 2000-02-01 00:00:00 pdf
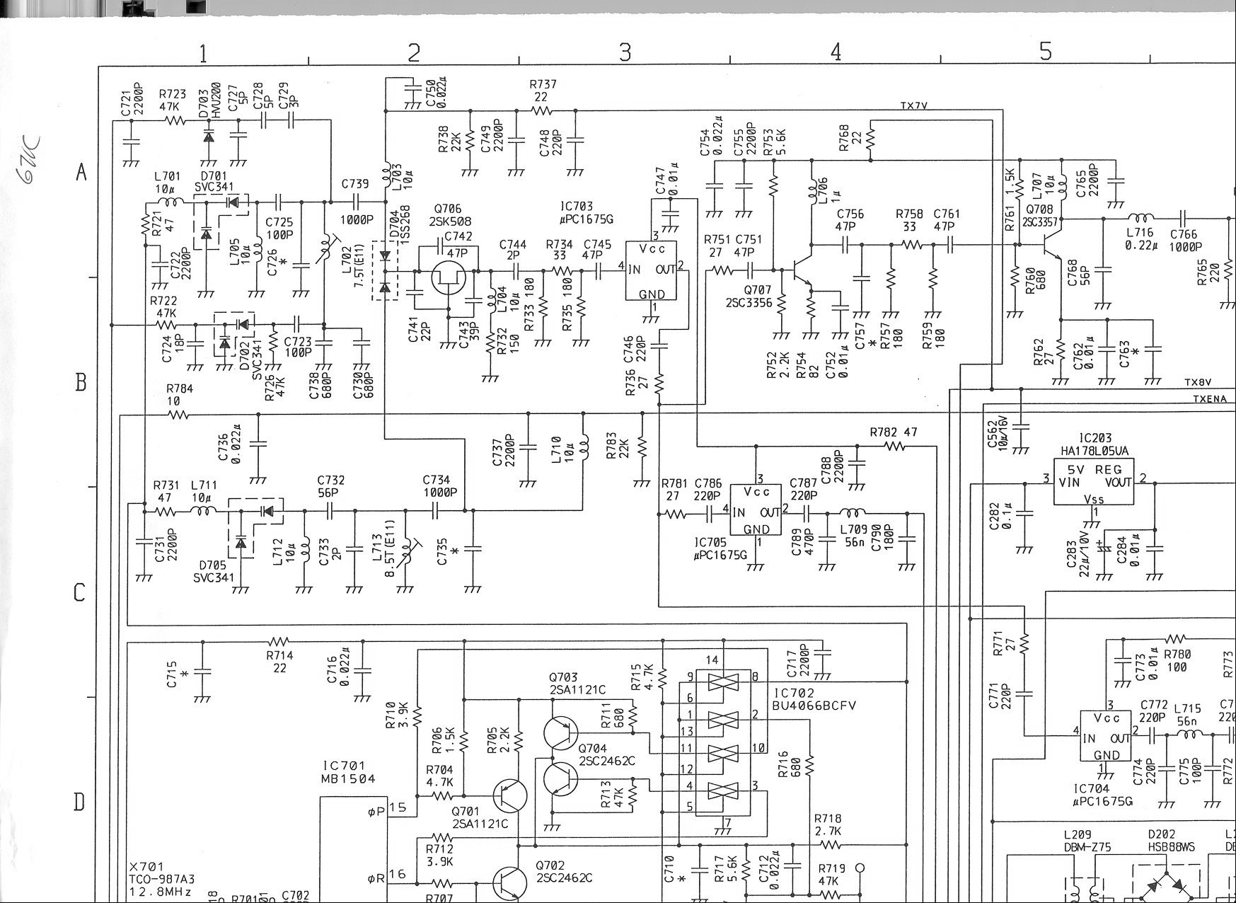
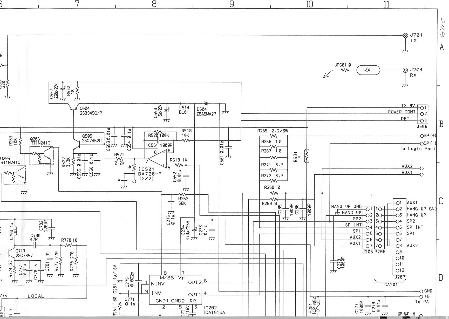
RF Schematic 4 of 4Schematics 2000-02-01 00:00:00 jpeg
RF Schematic 3 of 4Schematics 2000-02-01 00:00:00 jpeg
RF Schematic 2 of 4Schematics 2000-02-01 00:00:00 jpeg
RF Schematic 1 of 4Schematics 2000-02-01 00:00:00 jpeg
PA Schematic 1 of 1Schematics 2000-02-01 00:00:00 jpeg
Photos External and InternalExternal Photos 2000-02-01 00:00:00 pdf
ID Label and LocationID Label/Location Info 2000-02-01 00:00:00 jpeg

Application Details:

EquipmentNon-Broadcast Transmitter
FRN0005867551
Grantee CodeNCP
Product Code700671C
Applicant BusinessMidland Radio Corporation
Business Address5900 Parretta Drive , Kansas City,Missouri United States 64120-2134
TCB Scope
TCB Email
ApplicantJeff Brame – Director of Engineering
Applicant Phone 238
Applicant Fax816 241-5713
Applicant Email[email protected]
Applicant MailStop
Test FirmHyak Laboratories, Inc.
Test Firm ContactRowland Johnson
Test Firm Phone
Test Firm Fax
Test Firm Email
Certified ByRowland S. Johnson – President

© 2025 FCC.report
This site is not affiliated with or endorsed by the FCC