Toggle navigation
FCC.report
IBFS
ELS
FCC ID
Contact
About
NAHRTR433
FCC ID
Equipment:
Autostart RTR433
5764 Pare, Montreal, Quebec, N/A H4P 2M2 Canada
FCC.report
›
FCC ID
›
Autostart
›
NAHRTR433
Application
Frequency Range
Final Action Date
Granted
NlkwV28xZtb+T5yvcmNuZw==
433.5-434.5
1999-10-07
APPROVED
File Name
Document Type
Date
Direct
Answer to your request Reference number 9924
Cover Letter(s)
1999-10-07 00:00:00
pdf
REPLY TO REQUESTED INFORMATION REFERENCE NUMBER 9896
Cover Letter(s)
1999-10-07 00:00:00
pdf
Receiver DoC copy
Cover Letter(s)
1999-10-07 00:00:00
pdf
Response Letter
Cover Letter(s)
1999-10-07 00:00:00
pdf
Letter of explanation
Cover Letter(s)
1999-10-07 00:00:00
pdf
Revised Users Manual
Users Manual
1999-10-07 00:00:00
pdf
Revised FCC ID Label Sample
ID Label/Location Info
1999-10-07 00:00:00
pdf
Internal Photo 3
Internal Photos
1999-10-07 00:00:00
jpeg
Internal Photo 2
Internal Photos
1999-10-07 00:00:00
jpeg
Component Side Internal 1
Internal Photos
1999-10-07 00:00:00
jpeg
Rear View External Photo
External Photos
1999-10-07 00:00:00
jpeg
Front View External Photo
External Photos
1999-10-07 00:00:00
jpeg
Occupied Bandwidth Plot
Test Report
1999-10-07 00:00:00
pdf
FCC ID Label Sample and Location Sketch
ID Label/Location Info
1999-10-07 00:00:00
pdf
Users Manual
Users Manual
1999-10-07 00:00:00
pdf
Parts List
Parts List/Tune Up Info
1999-10-07 00:00:00
pdf
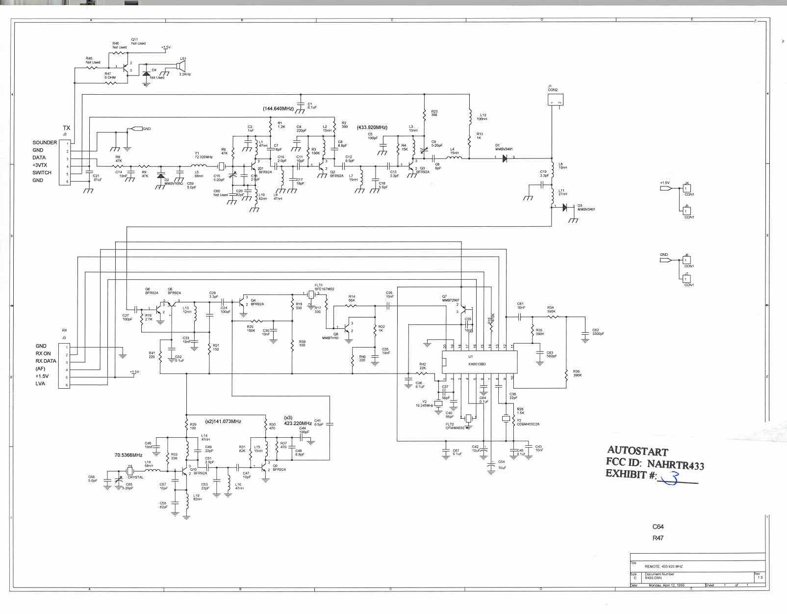
Schematic
Schematics
1999-10-07 00:00:00
jpeg
Block Diagram
Block Diagram
1999-10-07 00:00:00
pdf
Power of Attorney
Cover Letter(s)
1999-10-07 00:00:00
pdf
Test Report and Table of Contents
Test Report
1999-10-07 00:00:00
pdf
Application Details:
Equipment
Remote Control Car Starter
FRN
0009631508
Grantee Code
NAH
Product Code
RTR433
Applicant Business
Autostart
Business Address
5764 Pare , Montreal, Quebec,N/A Canada H4P 2M2
TCB Scope
TCB Email
Applicant
Jack Wisnia – President
Applicant Phone
Applicant Fax
514-738-4365
Applicant Email
[email protected]
Applicant MailStop
Test Firm
Timco Engineering, Inc.
Test Firm Contact
Sid Sanders
Test Firm Phone
Test Firm Fax
352-472-2030
Test Firm Email
[email protected]
Certified By
S. S. Sanders – Engineer
© 2026 FCC.report
This site is not affiliated with or endorsed by the FCC