GYUR95SK

FCC ID

Equipment:

Silitek Corporation R95SK

10F, No 25 Tung Hwa South Rd, Taipei, N/A N/A Taiwan

Application
Frequency Range
Final Action Date
Granted
i4aNFlmOSJ763InwKc78EA==
26.97-27.24
2001-12-24
APPROVED
File NameDocument TypeDateDirect
operational descriptionOperational Description 2001-12-24 00:00:00 pdf
internal photosInternal Photos 2001-12-24 00:00:00 pdf
users manualUsers Manual 2001-12-24 00:00:00 pdf
test setup photoTest Setup Photos 2001-12-24 00:00:00 pdf
test reportTest Report 2001-12-24 00:00:00 pdf
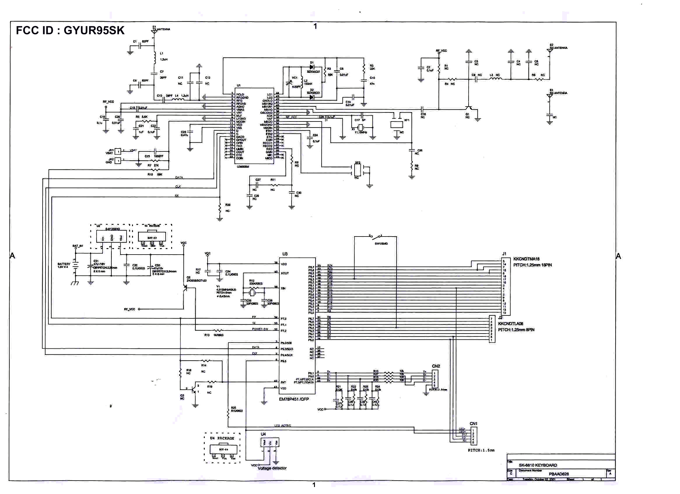
schematicsjpeg 2001-12-24 00:00:00 jpeg
block diagramBlock Diagram 2001-12-24 00:00:00 pdf
external photosExternal Photos 2001-12-24 00:00:00 pdf
label locationID Label/Location Info 2001-12-24 00:00:00 pdf
label samplejpeg 2001-12-24 00:00:00 jpeg

Application Details:

EquipmentWireless RF Keyboard
FRN0003754066
Grantee CodeGYU
Product CodeR95SK
Applicant BusinessSilitek Corporation
Business Address10F, No 25 Tung Hwa South Rd , Taipei,N/A Taiwan
TCB ScopeA1: Low Power Transmitters below 1 GHz (except Spread Spectrum), Unintentional Radiators, EAS (Part 11) & Consumer ISM devices
TCB Email[email protected]
ApplicantShirly Kuo – Engineer
Applicant Phone
Applicant Fax886 2 2579-6688
Applicant Email
Applicant MailStop
Test FirmSPORTON International Inc
Test Firm ContactKathy Lin
Test Firm Phone 230
Test Firm Fax886-2-2696-2255
Test Firm Email[email protected]
Certified ByMuchuan Lee – Senior Engineer

© 2026 FCC.report
This site is not affiliated with or endorsed by the FCC