Toggle navigation
FCC.report
IBFS
ELS
FCC ID
Contact
About
GLE32-0200DP
FCC ID
Equipment:
Suncon Toys Industry Ltd 32-0200DP
11/F, Kai Tak Factory Building 99 King Fuk Street, San Po Kong Kowloon, N/A N/A Hong Kong
FCC.report
›
FCC ID
›
Suncon Toys Industry Ltd
›
GLE32-0200DP
Application
Frequency Range
Final Action Date
Granted
oL/VacyVS28jOl2/BC1unA==
49.4-49.4
1998-12-08
APPROVED
oL/VacyVS28jOl2/BC1unA==
49.86-49.86
1998-12-08
APPROVED
File Name
Document Type
Date
Direct
Revised Circuit Description
Operational Description
1998-12-08 00:00:00
pdf
OCCUPIED BANDWIDTH RINGER TX
Test Report
1998-12-08 00:00:00
jpeg
OCCUPIED BANDWIDTH LOUD VOICE TX
Test Report
1998-12-08 00:00:00
jpeg
OCCUPIED BANDWIDTH PLOT TX
Test Report
1998-12-08 00:00:00
jpeg
INTERNAL COPPER SIDE PHOTOGRAPH
Internal Photos
1998-12-08 00:00:00
jpeg
INTERNAL COMPONENT SIDE PHOTOGRAPH
Internal Photos
1998-12-08 00:00:00
jpeg
REAR VIEW EXTERNAL PHOTOGRAPH
External Photos
1998-12-08 00:00:00
jpeg
FRONT VIEW EXTERNAL PHTOGRAPH
External Photos
1998-12-08 00:00:00
jpeg
FCC ID LABEL LOCATION
ID Label/Location Info
1998-12-08 00:00:00
jpeg
FCC ID LABEL SAMPLE
ID Label/Location Info
1998-12-08 00:00:00
jpeg
USERS MANUAL
Users Manual
1998-12-08 00:00:00
jpeg
PARTS LIST PAGE THREE
Parts List/Tune Up Info
1998-12-08 00:00:00
jpeg
PARTS LIST PAGE TWO
Parts List/Tune Up Info
1998-12-08 00:00:00
jpeg
PARTS LIST PAGE ONE
Parts List/Tune Up Info
1998-12-08 00:00:00
jpeg
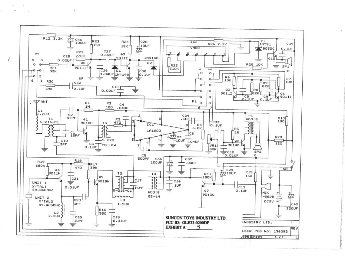
SCHEMATIC
Schematics
1998-12-08 00:00:00
jpeg
BLOCK DIAGRAM
Block Diagram
1998-12-08 00:00:00
jpeg
POWER OF ATTORNEY LETTER
Cover Letter(s)
1998-12-08 00:00:00
jpeg
TEST REPORT INCLUDING TABLE OF CONTENTS PAGE
Test Report
1998-12-08 00:00:00
pdf
Application Details:
Equipment
Toy Walkie Talkie
FRN
0005857198
Grantee Code
GLE
Product Code
32-0200DP
Applicant Business
Suncon Toys Industry Ltd
Business Address
11/F, Kai Tak Factory Building 99 King Fuk Street, San Po Kong Kowloon,N/A Hong Kong
TCB Scope
TCB Email
Applicant
Garry Feung –
Applicant Phone
Applicant Fax
852 2352-3267
Applicant Email
Applicant MailStop
Test Firm
Timco Engineering, Inc.
Test Firm Contact
Sid Sanders
Test Firm Phone
Test Firm Fax
352-472-2030
Test Firm Email
[email protected]
Certified By
S. S. SANDERS – ENGINEER
© 2026 FCC.report
This site is not affiliated with or endorsed by the FCC