EHK-ETL615TX

FCC ID

Equipment:

Evenflo Company, Inc. -ETL615TX

707 Crossroads Court, Vandalia, OH 45377 United States

Application
Frequency Range
Final Action Date
Granted
n5BfrX8nfQmrWF+LaHLFaA==
49.86-49.89
2000-04-27
APPROVED
File NameDocument TypeDateDirect
User ManualUsers Manual 2000-04-27 00:00:00 pdf
Test ReportTest Report 2000-04-27 00:00:00 pdf
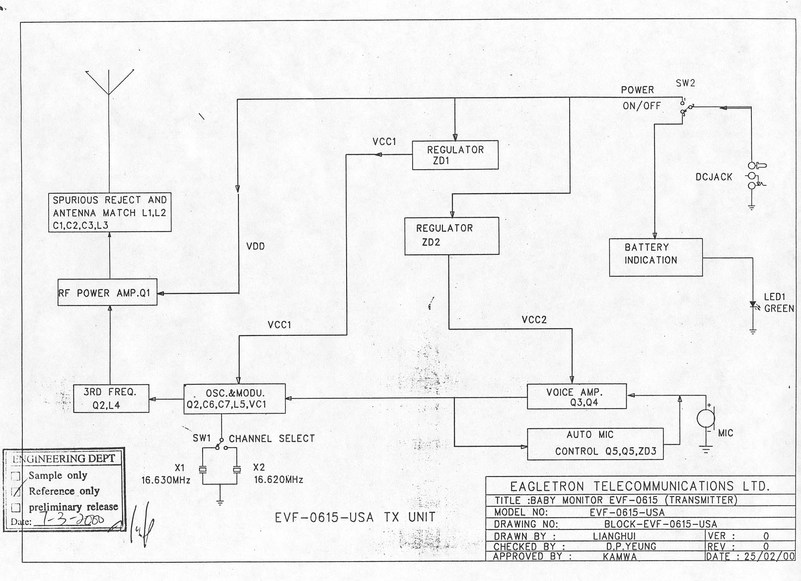
Block DiagramBlock Diagram 2000-04-27 00:00:00 jpeg
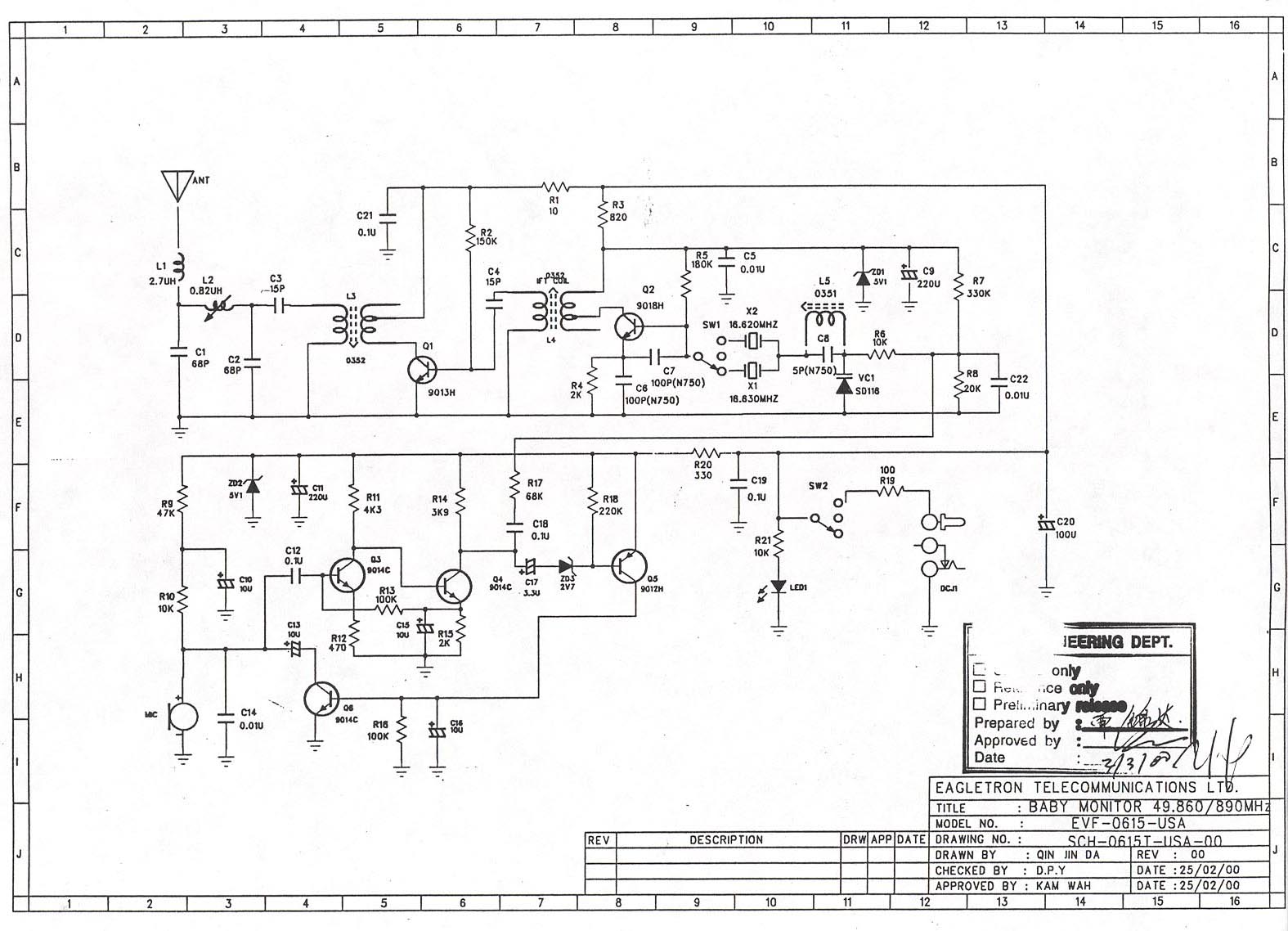
Schematic DiagramSchematics 2000-04-27 00:00:00 jpeg
Internal PhotosInternal Photos 2000-04-27 00:00:00 pdf
External PhotosExternal Photos 2000-04-27 00:00:00 pdf
ID Label LocationID Label/Location Info 2000-04-27 00:00:00 jpeg
ID Label DiagramID Label/Location Info 2000-04-27 00:00:00 jpeg

Application Details:

EquipmentBaby Monitor Transmitter
FRN0003786449
Grantee CodeEHK
Product Code-ETL615TX
Applicant BusinessEvenflo Company, Inc.
Business Address707 Crossroads Court , Vandalia,Ohio United States 45377
TCB Scope
TCB Email
ApplicantThomas A Sparno – Executive Vice President, Gen Counsel & Secy.
Applicant Phone
Applicant Fax937-415-3127
Applicant Email[email protected]
Applicant MailStop
Test FirmHyak Laboratories, Inc.
Test Firm ContactRowland Johnson
Test Firm Phone
Test Firm Fax
Test Firm Email
Certified ByRowland S. Johnson – President

© 2026 FCC.report
This site is not affiliated with or endorsed by the FCC