Toggle navigation
FCC.report
IBFS
ELS
FCC ID
Contact
About
DK4CT900
FCC ID
Equipment:
GVC Corporation CT900
14F, 76 Tun-Hwa S. Rd, Sec. 2, Taipei, N/A N/A Taiwan
FCC.report
›
FCC ID
›
GVC Corporation
›
DK4CT900
Application
Frequency Range
Final Action Date
Granted
5glhonUMj0adgT7X+ZpX/A==
902.025-903.975
1999-07-19
APPROVED
5glhonUMj0adgT7X+ZpX/A==
926.025-927.925
1999-07-19
APPROVED
File Name
Document Type
Date
Direct
ID Label
ID Label/Location Info
1999-07-19 00:00:00
pdf
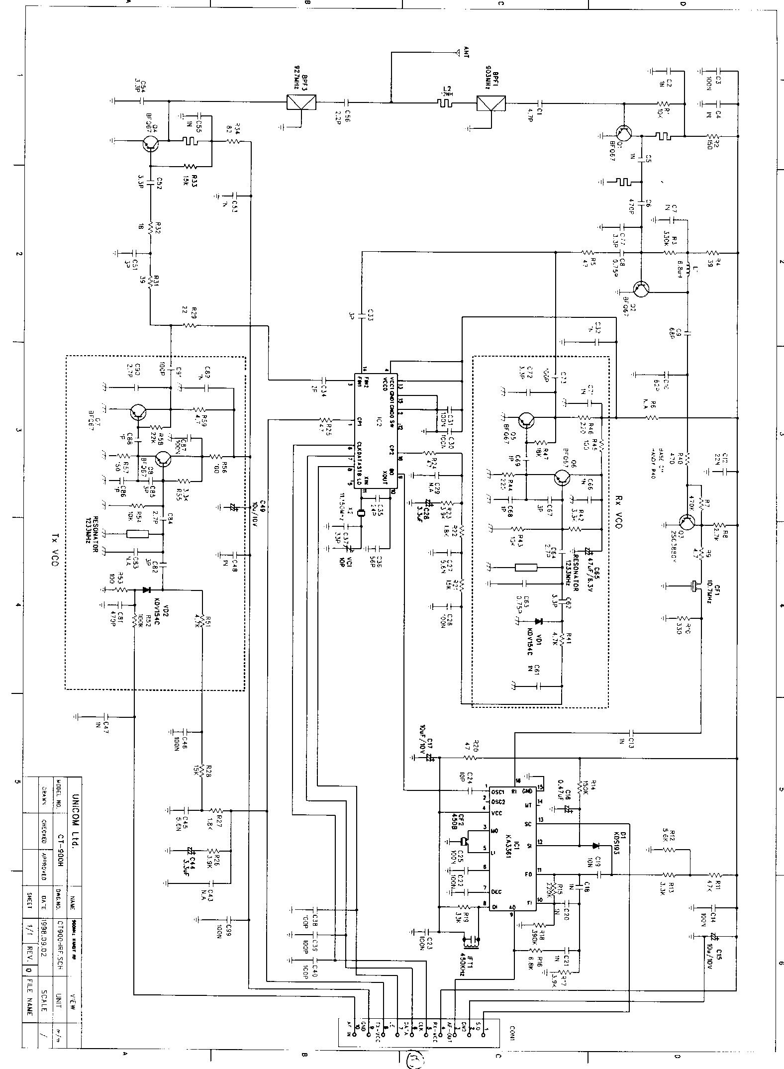
Sch4
Schematics
1999-07-19 00:00:00
jpeg
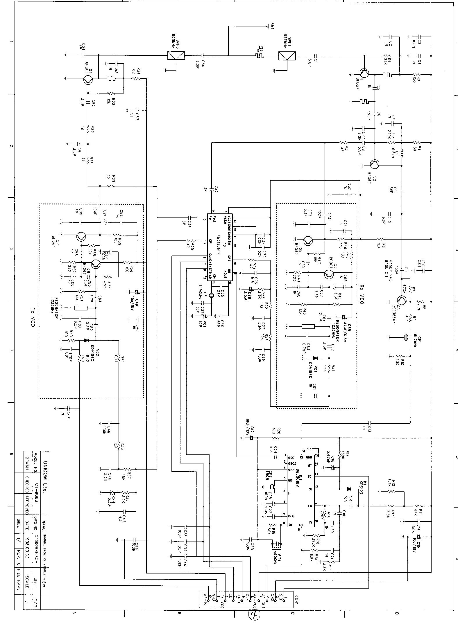
Sch3
Schematics
1999-07-19 00:00:00
jpeg
Sch2
Schematics
1999-07-19 00:00:00
jpeg
Sch1
Schematics
1999-07-19 00:00:00
jpeg
Label
ID Label/Location Info
1999-07-19 00:00:00
jpeg
Exhbt6a Conducted
Test Report
1999-07-19 00:00:00
pdf
Test Report
Test Report
1999-07-19 00:00:00
pdf
Circuit Description
Operational Description
1999-07-19 00:00:00
pdf
Block Diagram
Block Diagram
1999-07-19 00:00:00
pdf
Users Manual
Users Manual
1999-07-19 00:00:00
pdf
Internal Photos
Internal Photos
1999-07-19 00:00:00
pdf
External Photos
External Photos
1999-07-19 00:00:00
pdf
Application Details:
Equipment
900 MHz Cordless Telephone
FRN
9999999999
Grantee Code
DK4
Product Code
CT900
Applicant Business
GVC Corporation
Business Address
14F, 76 Tun-Hwa S. Rd, Sec. 2 , Taipei,N/A Taiwan
TCB Scope
TCB Email
Applicant
T. C. Wu – Manager
Applicant Phone
0
Applicant Fax
886 3 397-7598
Applicant Email
Applicant MailStop
Test Firm
Intertek Testing Services NA Inc.
Test Firm Contact
John Quigley
Test Firm Phone
Test Firm Fax
650-463-2910
Test Firm Email
[email protected]
Certified By
C.K. LI – Telco Manager
© 2026 FCC.report
This site is not affiliated with or endorsed by the FCC