BY4IR100A

FCC ID

Equipment:

Trans Electric Co., Ltd. IR100A

771, Sec. 2, Chungsan Road, Huatang,, Changhua,, N/A N/A Taiwan

Application
Frequency Range
Final Action Date
Granted
VMa1TGBzhTJS2Ym+2StH2g==
418.0-418.0
2002-03-01
APPROVED
File NameDocument TypeDateDirect
User ManualUsers Manual 2002-03-01 00:00:00 pdf
Test Setup PhotosTest Setup Photos 2002-03-01 00:00:00 pdf
Test ReportTest Report 2002-03-01 00:00:00 pdf
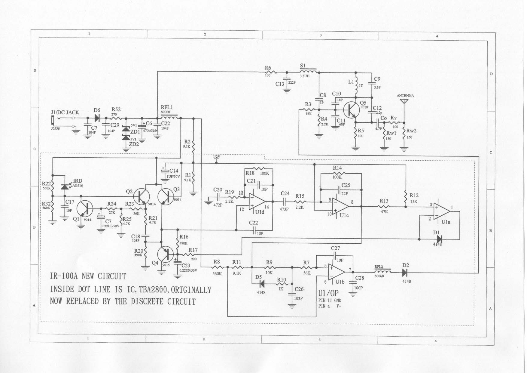
Schematic Diagramjpeg 2002-03-01 00:00:00 jpeg
Operational DescriptionOperational Description 2002-03-01 00:00:00 pdf
Internal PhotosInternal Photos 2002-03-01 00:00:00 pdf
FCC ID label format and locationjpeg 2002-03-01 00:00:00 jpeg
External PhotosExternal Photos 2002-03-01 00:00:00 pdf
Block DiagramBlock Diagram 2002-03-01 00:00:00 pdf

Application Details:

EquipmentRemote Control Extender
FRN0006612485
Grantee CodeBY4
Product CodeIR100A
Applicant BusinessTrans Electric Co., Ltd.
Business Address771, Sec. 2, Chungsan Road, Huatang, , Changhua,,N/A Taiwan
TCB ScopeA1: Low Power Transmitters below 1 GHz (except Spread Spectrum), Unintentional Radiators, EAS (Part 11) & Consumer ISM devices
TCB Email[email protected]
ApplicantGrace Wang – Vice-General Manager, Intel' sales Dept.
Applicant Phone 210
Applicant Fax886 4 762-7018
Applicant Email[email protected]
Applicant MailStop
Test FirmElectronics Testing Center, Taiwan
Test Firm ContactWin-Po Tsai
Test Firm Phone
Test Firm Fax886-3-3276188
Test Firm Email[email protected]
Certified ByJoe Hsieh – EMI Engineer ( AGENT )

© 2026 FCC.report
This site is not affiliated with or endorsed by the FCC