Toggle navigation
FCC.report
IBFS
ELS
FCC ID
Contact
About
AUIFRS-200B
FCC ID
Equipment:
Musical Electronics Ltd FRS-200B
Flat H, J, K, 12/F., World Tech Centre, 95 How Ming Street,, Kwun Tong Kowloon, N/A N/A Hong Kong
FCC.report
›
FCC ID
›
Musical Electronics Ltd
›
AUIFRS-200B
Application
Frequency Range
Final Action Date
Granted
fDv1P+L3+bMr9j9k723fww==
462.5625-467.7125
2000-02-23
APPROVED
File Name
Document Type
Date
Direct
New Audio response graph
Test Report
2000-02-23 00:00:00
pdf
Audio response graph up to 5 kHz
Test Report
2000-02-23 00:00:00
pdf
CORRECTED VERSION of FCC ID label sample
ID Label/Location Info
2000-02-23 00:00:00
pdf
occupied bandwidth with deviation plot
Test Report
2000-02-23 00:00:00
jpeg
occupied bandwidth cw plot
Test Report
2000-02-23 00:00:00
jpeg
audio low pass filter graph
Test Report
2000-02-23 00:00:00
jpeg
modulation limiting graph 3000 hz
Test Report
2000-02-23 00:00:00
pdf
modulation limiting graph 1000 hz
Test Report
2000-02-23 00:00:00
pdf
modulation limiting graph 300 hz
Test Report
2000-02-23 00:00:00
pdf
audio frequency response graph
Test Report
2000-02-23 00:00:00
pdf
users manual
Users Manual
2000-02-23 00:00:00
pdf
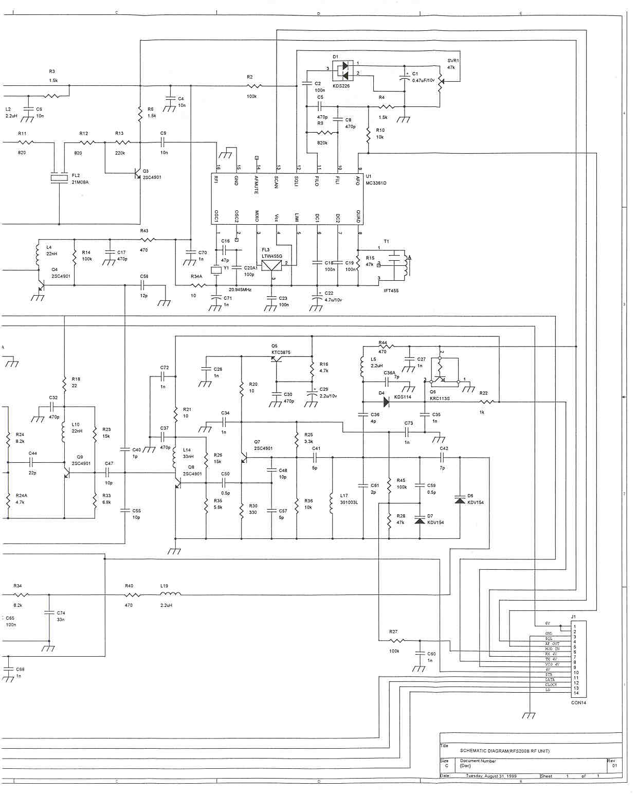
schematic rf unit
Schematics
2000-02-23 00:00:00
jpeg
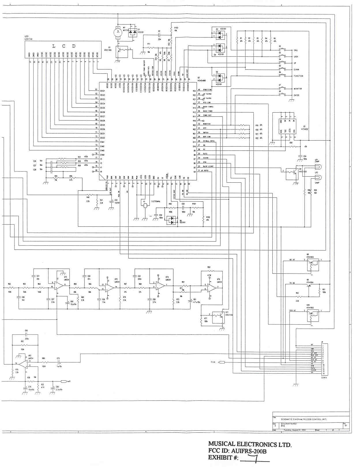
schematic control unit
Schematics
2000-02-23 00:00:00
jpeg
parts list
Parts List/Tune Up Info
2000-02-23 00:00:00
pdf
block diagram
Block Diagram
2000-02-23 00:00:00
jpeg
internal solder side photo
Internal Photos
2000-02-23 00:00:00
jpeg
internal component side photo
Internal Photos
2000-02-23 00:00:00
jpeg
internal chassis component view photo
Internal Photos
2000-02-23 00:00:00
jpeg
external front view photo
External Photos
2000-02-23 00:00:00
jpeg
external rear view photo
External Photos
2000-02-23 00:00:00
jpeg
sketch of FCC ID label location
ID Label/Location Info
2000-02-23 00:00:00
jpeg
FCC ID label sample
ID Label/Location Info
2000-02-23 00:00:00
pdf
power of attorney letter
Cover Letter(s)
2000-02-23 00:00:00
pdf
test report
Test Report
2000-02-23 00:00:00
pdf
Application Details:
Equipment
FRN
0018111401
Grantee Code
AUI
Product Code
FRS-200B
Applicant Business
Musical Electronics Ltd
Business Address
Flat H, J, K, 12/F., World Tech Centre, 95 How Ming Street,, Kwun Tong Kowloon,N/A Hong Kong
TCB Scope
TCB Email
Applicant
Jin Eva LIU – Environmental Engineer
Applicant Phone
173
Applicant Fax
2341 9964
Applicant Email
[email protected]
Applicant MailStop
Test Firm
Timco Engineering, Inc.
Test Firm Contact
Sid Sanders
Test Firm Phone
Test Firm Fax
352-472-2030
Test Firm Email
[email protected]
Certified By
S. S. Sanders – Engineer
© 2026 FCC.report
This site is not affiliated with or endorsed by the FCC