Toggle navigation
FCC.report
IBFS
ELS
FCC ID
Contact
About
AS5CMP-27
FCC ID
Equipment:
Alcatel-Lucent USA Inc. CMP-27
600-700 Mountain Avenue Bldg 5B-111, Murray Hill, NJ 07974-0636 United States
FCC.report
›
FCC ID
›
Alcatel-Lucent USA Inc.
›
AS5CMP-27
Application
Frequency Range
Final Action Date
Granted
ZrZfV4sr9NhBqgBzcuRr6w==
1930.0-1990.0
1999-04-09
APPROVED
mFthZvCO9kweyHvuxzkZRw==
1931.25-1988.75
1999-05-13
APPROVED
File Name
Document Type
Date
Direct
12
Operational Description
1999-04-09 00:00:00
pdf
Transmit Performance Blocks DEF
Operational Description
1999-05-13 00:00:00
jpeg
Transmit Performance Blocks ABC
Operational Description
1999-05-13 00:00:00
jpeg
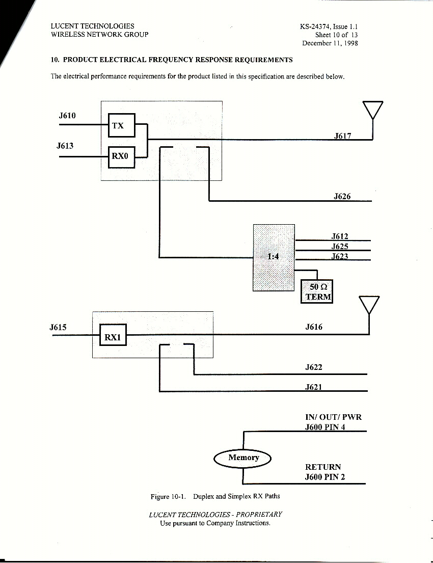
Block Diagram for PCS Blocks DEF
Block Diagram
1999-05-13 00:00:00
jpeg
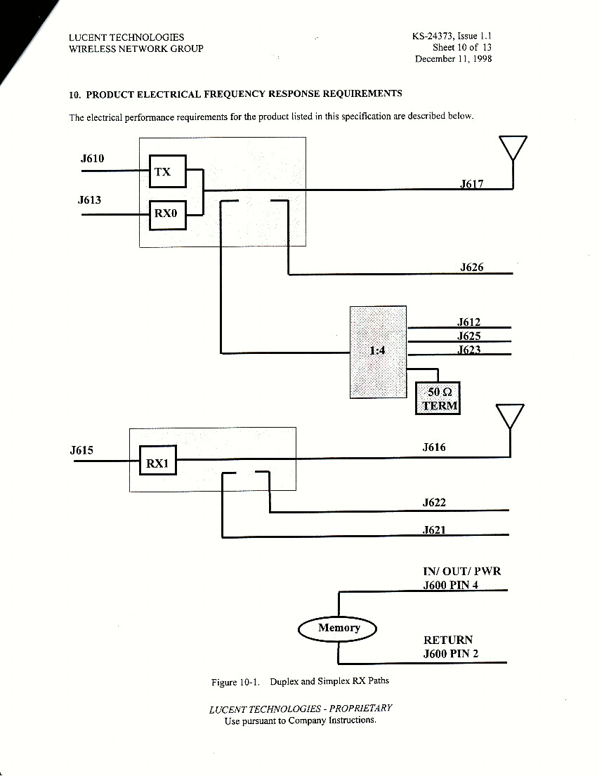
Block Diagram for PCS Blocks ABC
Block Diagram
1999-05-13 00:00:00
jpeg
Reply Letter for FCC Requested Information
Cover Letter(s)
1999-05-13 00:00:00
pdf
F Block Filter Back
Internal Photos
1999-05-13 00:00:00
jpeg
F Block Filter Front
Internal Photos
1999-05-13 00:00:00
jpeg
D Block Filter Back
Internal Photos
1999-05-13 00:00:00
jpeg
D Block Filter Front
Internal Photos
1999-05-13 00:00:00
jpeg
C Block Filter Back
Internal Photos
1999-05-13 00:00:00
jpeg
C Block Filter Front
Internal Photos
1999-05-13 00:00:00
jpeg
Exhibit 17 Frequency Stability
Test Report
1999-05-13 00:00:00
pdf
Exhibit 14 Data
Test Report
1999-05-13 00:00:00
pdf
Exhibit 20 Human Exposure Compliance
RF Exposure Info
1999-05-13 00:00:00
pdf
Exhibit 19 Photographs of the Equipment
External Photos
1999-05-13 00:00:00
pdf
Exhibit 18 Drawing of Identification Label
ID Label/Location Info
1999-05-13 00:00:00
pdf
Exhibit 16 Field Strength of Spurious Radiation
Test Report
1999-05-13 00:00:00
pdf
Exhibit 15 Conducted Spurious C Data
Test Report
1999-05-13 00:00:00
pdf
Exhibit 15 Conducted Spurious F Data
Test Report
1999-05-13 00:00:00
pdf
Exhibit 15 Conducted Spurious D Data
Test Report
1999-05-13 00:00:00
pdf
Exhibit 15 Conducted Spurious at Antenna Connection
Test Report
1999-05-13 00:00:00
pdf
Exhibit 14 Measurement of Occupied Bandwidth
Test Report
1999-05-13 00:00:00
pdf
Exhibit 13 Mod Charistics
Test Report
1999-05-13 00:00:00
pdf
Exhibit 12 RF Power
Test Report
1999-05-13 00:00:00
pdf
Exhibit 11 List of Measurements
Test Report
1999-05-13 00:00:00
pdf
Exhibit 10 Description of Modulation System
Operational Description
1999-05-13 00:00:00
pdf
Exhibit 9 Circuitry for supression of Spurious
Operational Description
1999-05-13 00:00:00
pdf
Exhibit 8 Circuitry for Freq determination
Schematics
1999-05-13 00:00:00
pdf
Exhibit 7 Tune Up Info
Parts List/Tune Up Info
1999-05-13 00:00:00
pdf
Exhibit 6 Instruction Book
Users Manual
1999-05-13 00:00:00
pdf
Exhibit 5 Circuit Diagrams
Schematics
1999-05-13 00:00:00
pdf
Exhibit 4 Active Circuits
Operational Description
1999-05-13 00:00:00
pdf
Exhibit 3 Emission Desig ect
Operational Description
1999-05-13 00:00:00
pdf
Exhibit 2 Mfg Ident Prod
Operational Description
1999-05-13 00:00:00
pdf
Exhibit 1 Quals Certs
Cover Letter(s)
1999-05-13 00:00:00
pdf
9
Internal Photos
1999-04-09 00:00:00
pdf
6
Test Report
1999-04-09 00:00:00
pdf
1
ID Label/Location Info
1999-04-09 00:00:00
pdf
10
Parts List/Tune Up Info
N/A
13
Cover Letter(s)
1999-04-09 00:00:00
N/A
13a
Cover Letter(s)
1999-04-09 00:00:00
N/A
5
Schematics
N/A
8
Users Manual
N/A
Application Details:
Equipment
FRN
0003710431
Grantee Code
AS5
Product Code
CMP-27
Applicant Business
Alcatel-Lucent USA Inc.
Business Address
600-700 Mountain Avenue Bldg 5B-111, Murray Hill,New Jersey United States 07974-0636
TCB Scope
TCB Email
Applicant
Raymond J. Johnson – Technical Manager
Applicant Phone
Applicant Fax
NA
Applicant Email
[email protected]
Applicant MailStop
Test Firm
Test Firm Contact
Test Firm Phone
Test Firm Fax
Test Firm Email
Certified By
Jane M Zakutansky – Product Compliance Manager
© 2026 FCC.report
This site is not affiliated with or endorsed by the FCC