pizip2420

FCC ID

Equipment:

CIDMATE International Technology Inc. ip2420

3F-B, No. 58, Sec. 1 Minsheng E. Rd., Taipei, N/A 104 Taiwan

Application
Frequency Range
Final Action Date
Granted
cb5DJ4JXBduaVvhAUe7ywg==
902.0-928.0
2001-10-30
APPROVED
File NameDocument TypeDateDirect
operational descriptionOperational Description 2001-10-30 00:00:00 pdf
internal photosInternal Photos 2001-10-30 00:00:00 pdf
users manualUsers Manual 2001-10-30 00:00:00 pdf
test setup photosTest Setup Photos 2001-10-30 00:00:00 pdf
test reportTest Report 2001-10-30 00:00:00 pdf
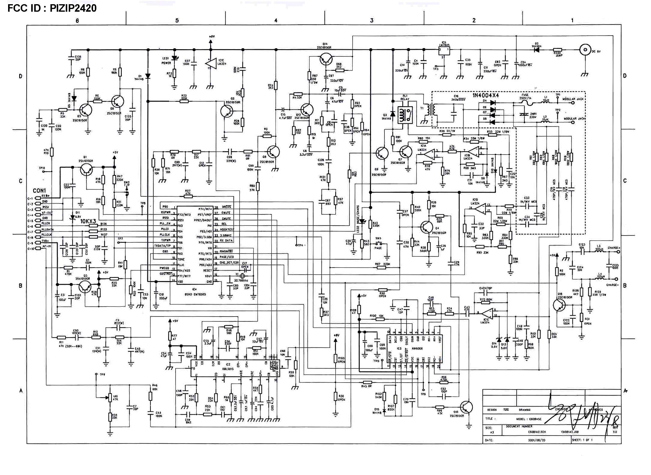
schematics 2jpeg 2001-10-30 00:00:00 jpeg
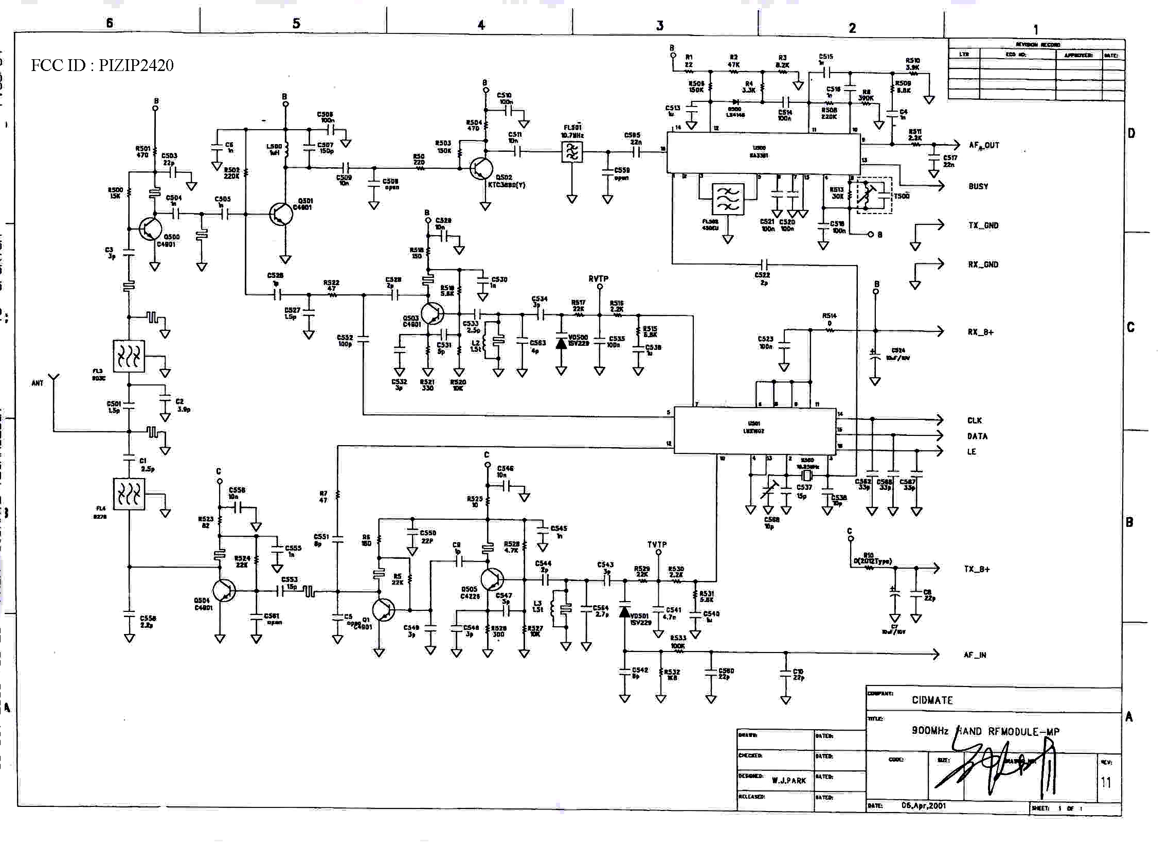
schematics 1jpeg 2001-10-30 00:00:00 jpeg
block diagram 2jpeg 2001-10-30 00:00:00 jpeg
block diagram 1jpeg 2001-10-30 00:00:00 jpeg
external photosExternal Photos 2001-10-30 00:00:00 pdf
label locationjpeg 2001-10-30 00:00:00 jpeg
label sampleID Label/Location Info 2001-10-30 00:00:00 pdf

Application Details:

Equipment900MHz Type II Cordless Phone
FRN0005949870
Grantee CodePIZ
Product CodeIP2420
Applicant BusinessCIDMATE International Technology Inc.
Business Address3F-B, No. 58, Sec. 1 Minsheng E. Rd., Taipei,N/A Taiwan 104
TCB ScopeA1: Low Power Transmitters below 1 GHz (except Spread Spectrum), Unintentional Radiators, EAS (Part 11) & Consumer ISM devices
TCB Email[email protected]
ApplicantBeryl Liu – Sales Asst. Manager
Applicant Phone
Applicant Fax886-2-2561-6624
Applicant Email[email protected]
Applicant MailStop
Test FirmSPORTON International Inc
Test Firm ContactKathy Lin
Test Firm Phone 230
Test Firm Fax886-2-2696-2255
Test Firm Email[email protected]
Certified ByBeryl Liu – Sales Asst. Manager

© 2026 FCC.report
This site is not affiliated with or endorsed by the FCC