Toggle navigation
FCC.report
IBFS
ELS
FCC ID
Contact
About
lqprmb5
FCC ID
Equipment:
Smarthome Products Ltd rmb5
Rm B808-9, 8/F., Sea View Estate, 2-8 Watson Road, North Point, N/A N/A Hong Kong
FCC.report
›
FCC ID
›
Smarthome Products Ltd
›
lqprmb5
Application
Frequency Range
Final Action Date
Granted
lwdJhLUzZ9FTU6gyD2BInA==
315.0-315.0
2001-05-16
APPROVED
File Name
Document Type
Date
Direct
User Manual
Users Manual
2001-05-16 00:00:00
pdf
Setup Photos
Test Setup Photos
2001-05-16 00:00:00
pdf
Test Report
Test Report
2001-05-16 00:00:00
pdf
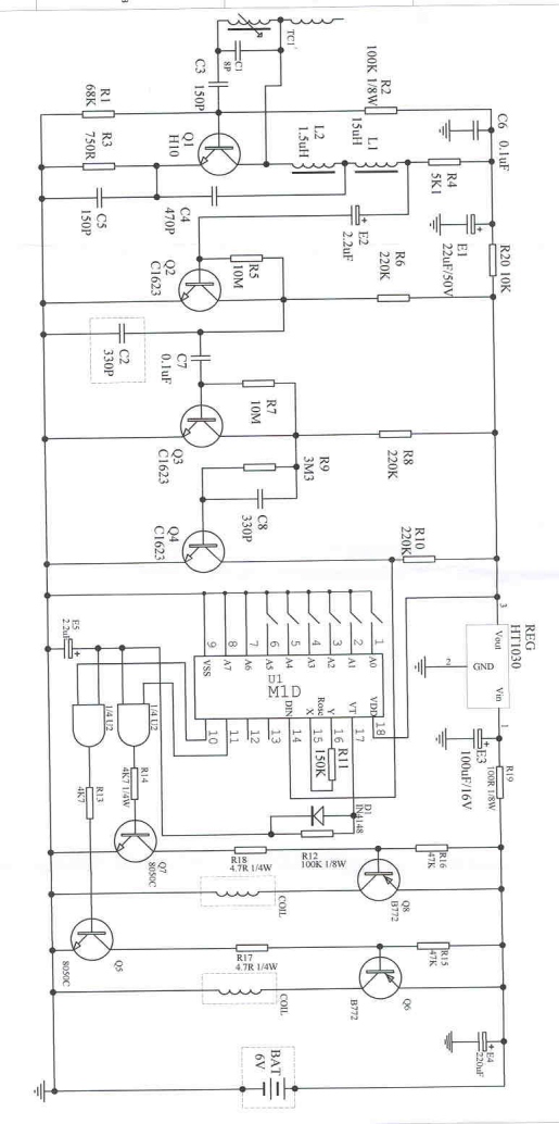
Schematic Diagram
jpeg
2001-05-16 00:00:00
jpeg
Operational Description
jpeg
2001-05-16 00:00:00
jpeg
Internal Photos
jpeg
2001-05-16 00:00:00
jpeg
FCC ID Label format and location
jpeg
2001-05-16 00:00:00
jpeg
External Photos
jpeg
2001-05-16 00:00:00
jpeg
TCB Q and A
Cover Letter(s)
2001-05-16 00:00:00
pdf
Block Diagram
jpeg
2001-05-16 00:00:00
jpeg
Application Details:
Equipment
Receiver
FRN
0007572308
Grantee Code
LQP
Product Code
-RMB5
Applicant Business
Smarthome Products Ltd
Business Address
Rm B808-9, 8/F., Sea View Estate, 2-8 Watson Road, North Point,N/A Hong Kong
TCB Scope
A1: Low Power Transmitters below 1 GHz (except Spread Spectrum), Unintentional Radiators, EAS (Part 11) & Consumer ISM devices
TCB Email
[email protected]
Applicant
Stella Wong –
Applicant Phone
Applicant Fax
(852) 2510 8742
Applicant Email
[email protected]
Applicant MailStop
Test Firm
Advanced Compliance Laboratory
Test Firm Contact
Wei Li
Test Firm Phone
Test Firm Fax
908-927-0728
Test Firm Email
[email protected]
Certified By
Wei Li – Lab Manager
© 2026 FCC.report
This site is not affiliated with or endorsed by the FCC