kh5med99038801

FCC ID

Equipment:

Microtek Lab Inc med99038801

3715 Doolittle Drive, Redondo Beach, CA 90278 United States

Application
Frequency Range
Final Action Date
Granted
XyZSkCSsloZ9/wCkvMUIqA==
5725.0-5850.0
1999-04-19
APPROVED
File NameDocument TypeDateDirect
FCC Label LocationID Label/Location Info 1999-04-19 00:00:00 pdf
FCC Report RevisionCover Letter(s) 1999-04-19 00:00:00 pdf
Updated Test ReportTest Report 1999-04-19 00:00:00 pdf
FCC LabelID Label/Location Info 1999-04-19 00:00:00 pdf
User ManualUsers Manual 1999-04-19 00:00:00 pdf
TestData Radiated02Test Report 1999-04-19 00:00:00 jpeg
TestData Radiated01Test Report 1999-04-19 00:00:00 jpeg
TestData Conducted03Test Report 1999-04-19 00:00:00 jpeg
TestData Conducted02Test Report 1999-04-19 00:00:00 jpeg
TestData Conducted01Test Report 1999-04-19 00:00:00 jpeg
Radiated EmissionsTest Setup Photos 1999-04-19 00:00:00 jpeg
Conducted EmissionsTest Setup Photos 1999-04-19 00:00:00 jpeg
View of BoardsInternal Photos 1999-04-19 00:00:00 jpeg
Overall ViewInternal Photos 1999-04-19 00:00:00 jpeg
Back ViewExternal Photos 1999-04-19 00:00:00 jpeg
Front ViewExternal Photos 1999-04-19 00:00:00 jpeg
PWB Trace LayoutSchematics 1999-04-19 00:00:00 jpeg
System Schematics003Schematics 1999-04-19 00:00:00 jpeg
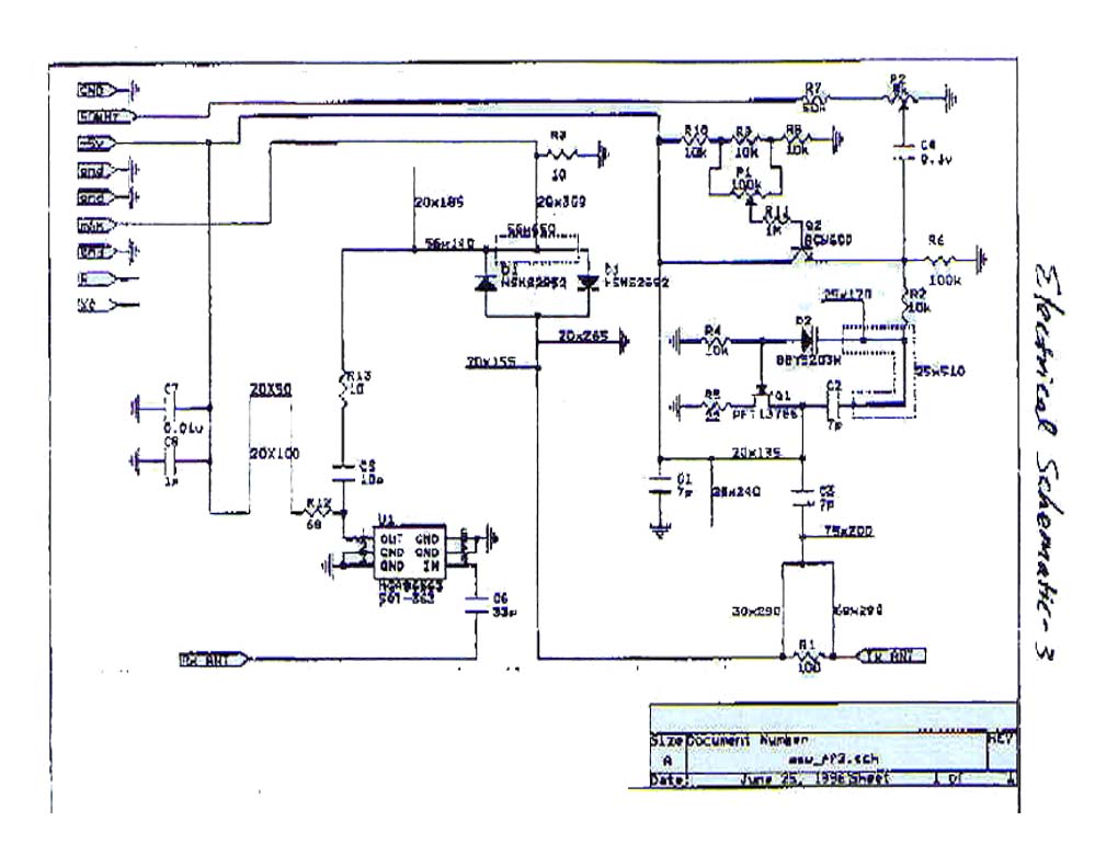
System Schematics002Schematics 1999-04-19 00:00:00 jpeg
System Schematics001Schematics 1999-04-19 00:00:00 jpeg
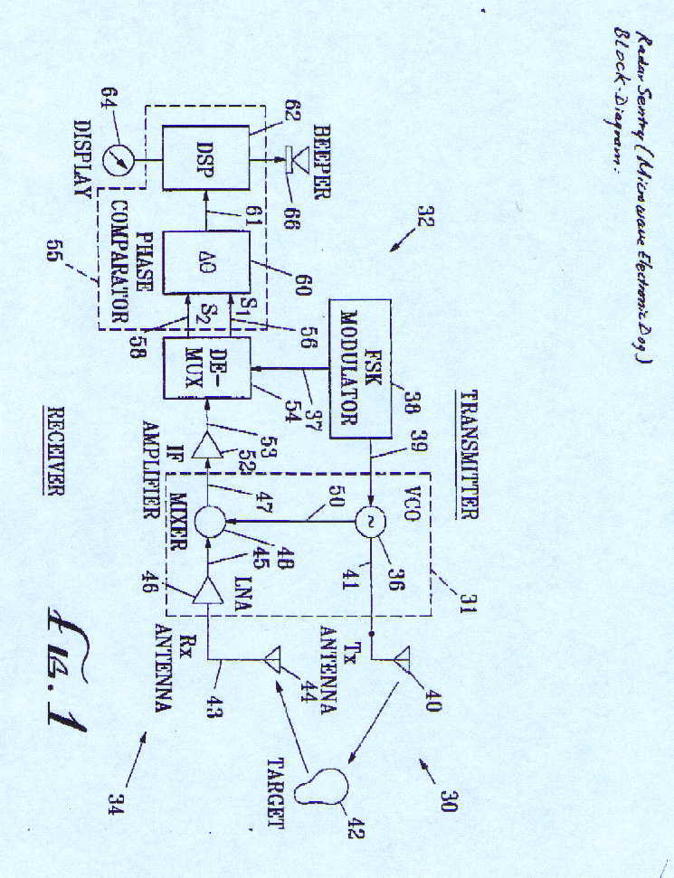
System Block DiagramBlock Diagram 1999-04-19 00:00:00 jpeg
FCC ReportTest Report 1999-04-19 00:00:00 pdf

Application Details:

EquipmentMicrowave Electronic Dog
FRN9999999999
Grantee CodeKH5
Product CodeMED99038801
Applicant BusinessMicrotek Lab Inc
Business Address3715 Doolittle Drive , Redondo Beach,California United States 90278
TCB Scope
TCB Email
ApplicantC Stewart Chow –
Applicant Phone
Applicant Fax
Applicant Email
Applicant MailStop
Test FirmGarwood Laboratories, Inc.
Test Firm ContactJason Armstrong
Test Firm Phone
Test Firm Fax714-572-2025
Test Firm Email
Certified ByMaw-Rong Chin – V.P. of New Products

© 2026 FCC.report
This site is not affiliated with or endorsed by the FCC