Toggle navigation
FCC.report
IBFS
ELS
FCC ID
Contact
About
ika218150102
FCC ID
Equipment:
Raytheon Aircraft, Montek Company 218150102
N/A, Salt Lake City, UT 84119 United States
FCC.report
›
FCC ID
›
Raytheon Aircraft, Montek Company
›
ika218150102
Application
Frequency Range
Final Action Date
Granted
ttZnTNyLRFBKfpC7fbLj4Q==
112.0-117.95
2000-05-08
APPROVED
File Name
Document Type
Date
Direct
New ID label with the FCC ID added
ID Label/Location Info
2000-05-08 00:00:00
pdf
FAA Notification Letter
Cover Letter(s)
2000-05-08 00:00:00
pdf
Field strength of spurious radiation test report
Test Report
2000-05-08 00:00:00
jpeg
Spurious emissions Test figure
Test Report
2000-05-08 00:00:00
jpeg
Spurious emissions at antenna terminals test report
Test Report
2000-05-08 00:00:00
pdf
Modulation Characteristics Test report
Test Report
2000-05-08 00:00:00
pdf
RF power output test report
Test Report
2000-05-08 00:00:00
pdf
System manual Tx tailoring provided in operational Description Doc
Users Manual
2000-05-08 00:00:00
pdf
This report provides the explanation for all other exhibits
Operational Description
2000-05-08 00:00:00
pdf
Outside view of box and ID Label
ID Label/Location Info
2000-05-08 00:00:00
jpeg
System external label
External Photos
2000-05-08 00:00:00
jpeg
Tiered side view
External Photos
2000-05-08 00:00:00
jpeg
Total system picture
External Photos
2000-05-08 00:00:00
jpeg
Sw version panel photo
External Photos
2000-05-08 00:00:00
jpeg
Front panel view photo
External Photos
2000-05-08 00:00:00
jpeg
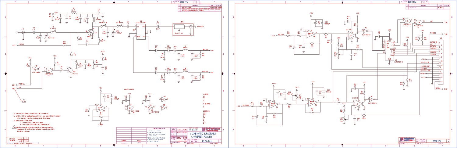
Digital board schematics
Schematics
2000-05-08 00:00:00
native
digital board schematic
Schematics
2000-05-08 00:00:00
native
scanned test results
Test Report
2000-05-08 00:00:00
native
internal picture of digital board
Internal Photos
2000-05-08 00:00:00
native
Digital Board picture
Internal Photos
2000-05-08 00:00:00
native
External view of transmitter (NOT) = (F.S. vs T/V)
Test Report
2000-05-08 00:00:00
pdf
External view of transmitter (NOT)
Test Report
2000-05-08 00:00:00
pdf
External view of transmitter
External Photos
2000-05-08 00:00:00
jpeg
Pre amp assembly
Schematics
2000-05-08 00:00:00
native
Pre amp upconverter
Schematics
2000-05-08 00:00:00
native
Application Details:
Equipment
SCAT-1 Ground Station VHF Transmitter
FRN
9999999999
Grantee Code
IKA
Product Code
218150-102
Applicant Business
Raytheon Aircraft, Montek Company
Business Address
, Salt Lake City,Utah United States 84119
TCB Scope
TCB Email
Applicant
Roger Brimhall –
Applicant Phone
Applicant Fax
Applicant Email
Applicant MailStop
Test Firm
Test Firm Contact
Test Firm Phone
Test Firm Fax
Test Firm Email
Certified By
Joseph Hansen – Test Manager
© 2025 FCC.report
This site is not affiliated with or endorsed by the FCC