QWNHT-T100

FCC ID

Equipment:

HumanTechtronics Co.,Ltd. HT-T100

A-1717, SAM-HO COMPANY BLDG 275-1, YANGJAE DONG, SEOCHO- GU, Seoul, N/A 137-130 South Korea

Application
Frequency Range
Final Action Date
Granted
+HaJHa4Re3hVM8A7lPjFXQ==
315.0-315.0
2003-04-16
APPROVED
File NameDocument TypeDateDirect
TCB Q and ACover Letter(s) 2003-04-16 00:00:00 pdf
User ManualUsers Manual 2003-04-16 00:00:00 pdf
Test Setup PhotosTest Setup Photos 2003-04-16 00:00:00 pdf
Test ReportTest Report 2003-04-16 00:00:00 pdf
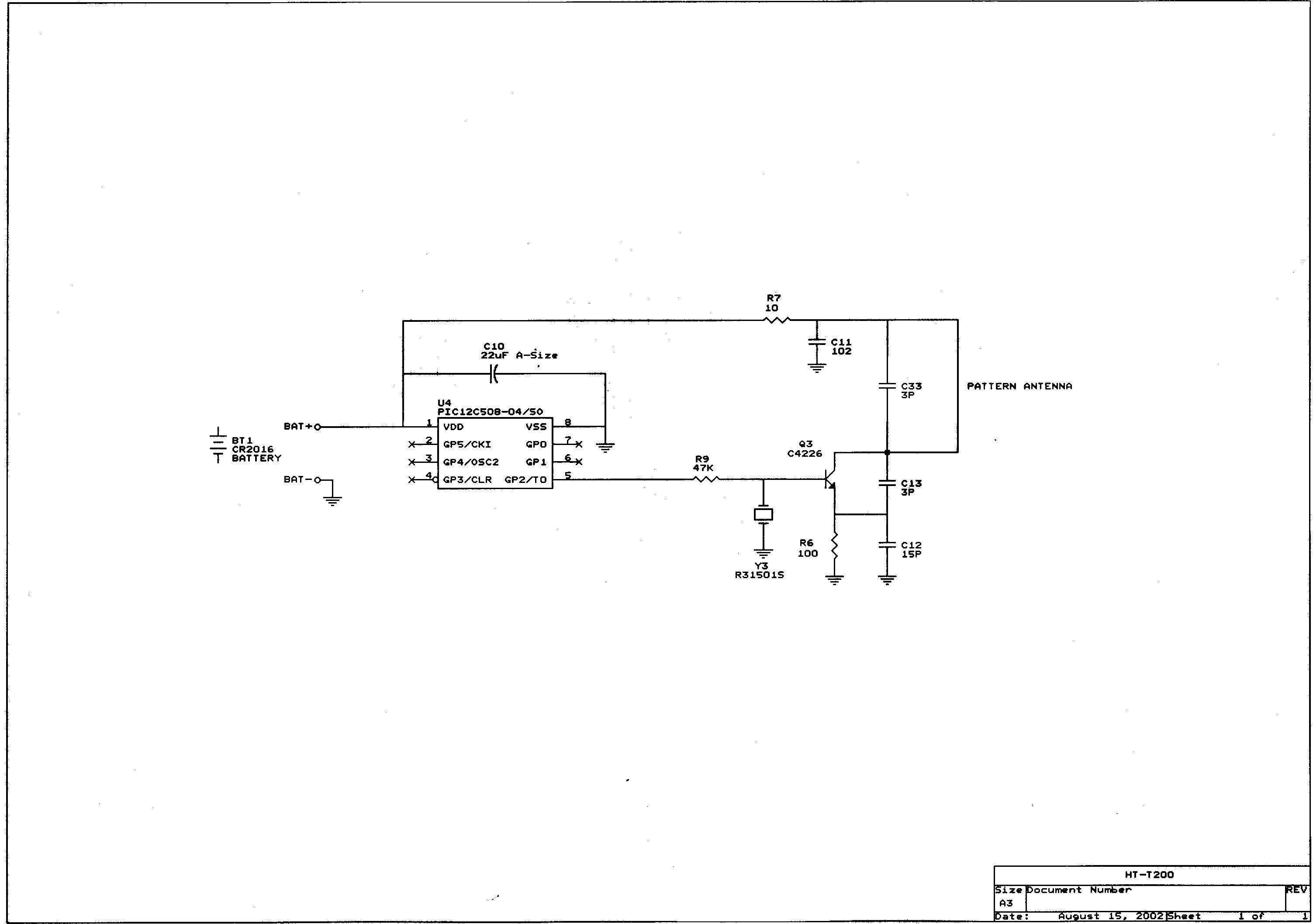
Schematic Diagramjpeg 2003-04-16 00:00:00 jpeg
Operational DescriptionOperational Description 2003-04-16 00:00:00 pdf
Internal PhotosInternal Photos 2003-04-16 00:00:00 pdf
FCC ID label format and locationjpeg 2003-04-16 00:00:00 jpeg
External PhotosExternal Photos 2003-04-16 00:00:00 pdf
Block DiagramBlock Diagram 2003-04-16 00:00:00 pdf

Application Details:

EquipmentRemote Control Transmitter
FRN0008457111
Grantee CodeQWN
Product CodeHT-T100
Applicant BusinessHumanTechtronics Co.,Ltd.
Business AddressA-1717, SAM-HO COMPANY BLDG 275-1, YANGJAE DONG, SEOCHO- GU, Seoul,N/A South Korea 137-130
TCB ScopeA1: Low Power Transmitters below 1 GHz (except Spread Spectrum), Unintentional Radiators, EAS (Part 11) & Consumer ISM devices
TCB Email[email protected]
ApplicantJeong Yeol Park – President
Applicant Phone
Applicant Fax82-2-589-0415
Applicant Email[email protected]
Applicant MailStop
Test FirmKorea Testing Laboratory
Test Firm ContactJeong-Min Kim
Test Firm Phone
Test Firm Fax82-2-860-1468
Test Firm Email[email protected]
Certified ByJeongmin Kim – Engineer ( AGENT )

© 2026 FCC.report
This site is not affiliated with or endorsed by the FCC