PUOBC-01M

FCC ID

Equipment:

Power Electronic Co., Ltd. BC-01M

No. 573, Chung Cheng Rd.,, Hsin-Tien, Taipei, N/A 231 Taiwan

Application
Frequency Range
Final Action Date
Granted
g48fd71nMkzi9r/MnLgPCw==
313.35-314.35
2001-09-12
APPROVED
File NameDocument TypeDateDirect
operational descriptionOperational Description 2001-09-12 00:00:00 pdf
internal photosInternal Photos 2001-09-12 00:00:00 pdf
users manualUsers Manual 2001-09-12 00:00:00 pdf
test setup photosTest Setup Photos 2001-09-12 00:00:00 pdf
test reportTest Report 2001-09-12 00:00:00 pdf
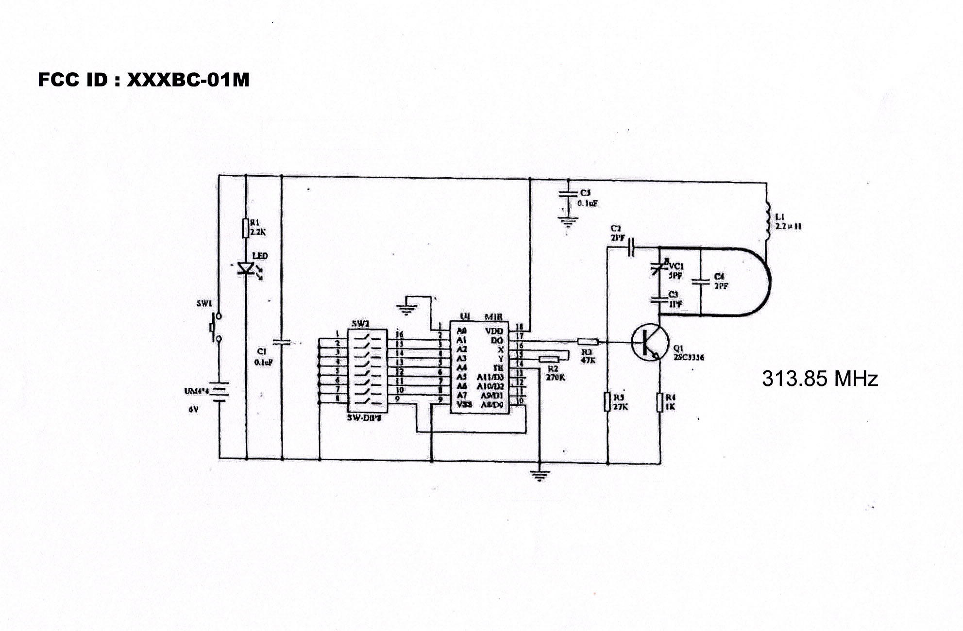
schematicsjpeg 2001-09-12 00:00:00 jpeg
block diagramBlock Diagram 2001-09-12 00:00:00 pdf
external photosExternal Photos 2001-09-12 00:00:00 pdf
label locationID Label/Location Info 2001-09-12 00:00:00 pdf
label sampleID Label/Location Info 2001-09-12 00:00:00 pdf

Application Details:

EquipmentRemote Controller
FRN9999999999
Grantee CodePUO
Product CodeBC-01M
Applicant BusinessPower Electronic Co., Ltd.
Business AddressNo. 573, Chung Cheng Rd., , Hsin-Tien, Taipei,N/A Taiwan 231
TCB ScopeA1: Low Power Transmitters below 1 GHz (except Spread Spectrum), Unintentional Radiators, EAS (Part 11) & Consumer ISM devices
TCB Email[email protected]
ApplicantRoland Lee – Sales Engineer
Applicant Phone
Applicant Fax886-2-2981-4000
Applicant Email[email protected]
Applicant MailStop
Test FirmSPORTON International Inc
Test Firm ContactKathy Lin
Test Firm Phone 230
Test Firm Fax886-2-2696-2255
Test Firm Email[email protected]
Certified ByRoland Lee – Sales Engineer

© 2026 FCC.report
This site is not affiliated with or endorsed by the FCC