PT9SDU-2000

FCC ID

Equipment:

TecNet Global Corporation SDU-2000

226 NW Parkway, Riverside, MO 64150 United States

Application
Frequency Range
Final Action Date
Granted
cTeV12JPHXtZRFdYPSn7aQ==
450.0-470.0
2002-01-17
APPROVED
File NameDocument TypeDateDirect
MPE calculationsRF Exposure Info 2002-01-17 00:00:00 pdf
Response to correspondence ID 21594Cover Letter(s) 2002-01-17 00:00:00 pdf
Letter and information in responce to correspondence ID 21490Cover Letter(s) 2002-01-17 00:00:00 pdf
Letter and information in response to correspondence ID 21335Cover Letter(s) 2002-01-17 00:00:00 pdf
FCC ID Label locationID Label/Location Info 2002-01-17 00:00:00 pdf
FCC ID Label SampleID Label/Location Info 2002-01-17 00:00:00 pdf
Test set up photojpeg 2002-01-17 00:00:00 jpeg
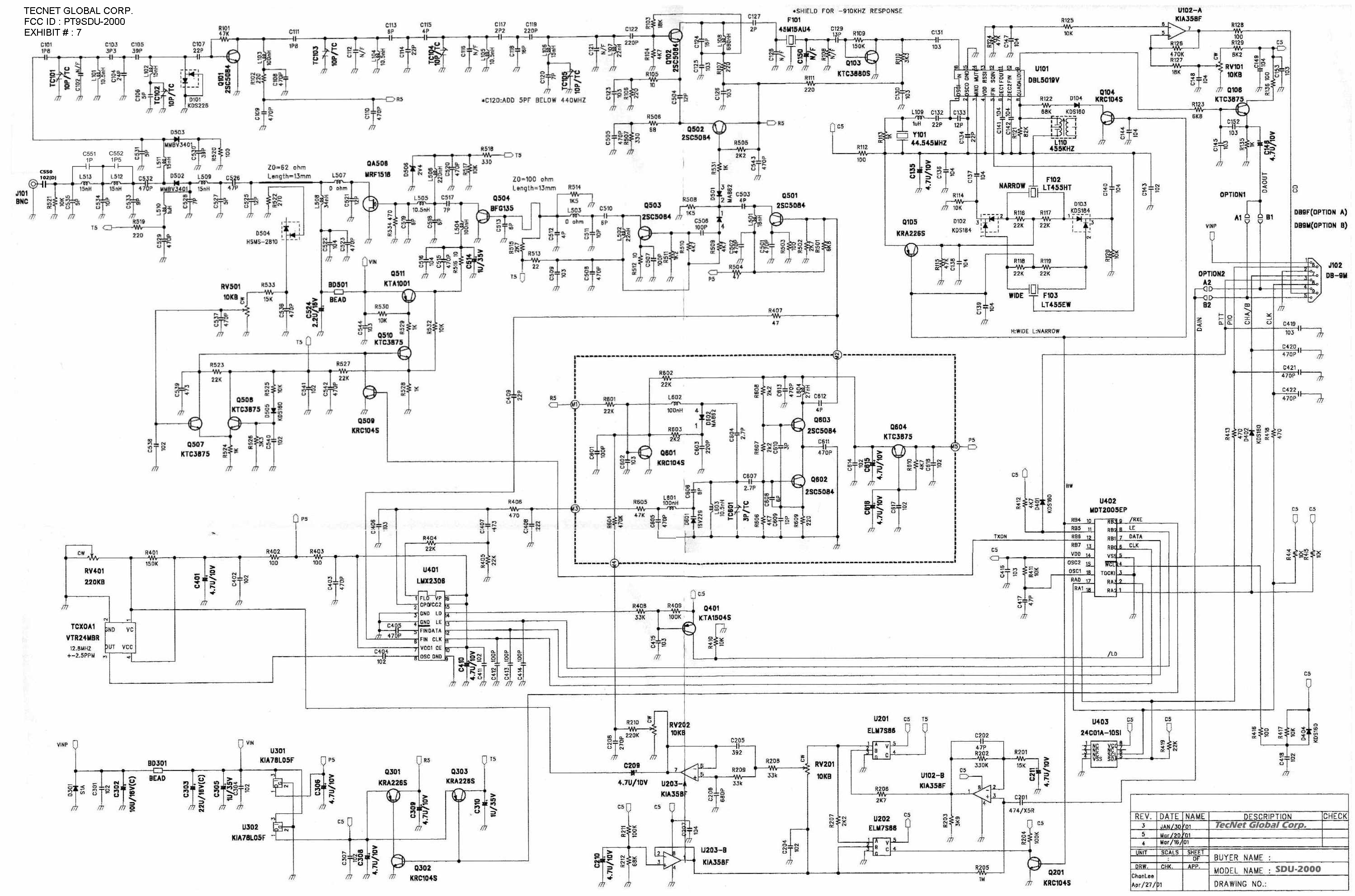
Schematicjpeg 2002-01-17 00:00:00 jpeg
Block diagramBlock Diagram 2002-01-17 00:00:00 pdf
Tuning procedureParts List/Tune Up Info 2002-01-17 00:00:00 pdf
Theory of operationOperational Description 2002-01-17 00:00:00 pdf
Users ManualUsers Manual 2002-01-17 00:00:00 pdf
Internal solder view photojpeg 2002-01-17 00:00:00 jpeg
Internal component view photojpeg 2002-01-17 00:00:00 jpeg
External top view photojpeg 2002-01-17 00:00:00 jpeg
External side view photoExternal Photos 2002-01-17 00:00:00 pdf
External rear view photojpeg 2002-01-17 00:00:00 jpeg
External front view photoExternal Photos 2002-01-17 00:00:00 pdf
FCC ID Label Locationjpeg 2002-01-17 00:00:00 jpeg
Test ReportTest Report 2002-01-17 00:00:00 pdf

Application Details:

EquipmentUHF Telemetry Transceiver
FRN1202893783
Grantee CodePT9
Product CodeSDU-2000
Applicant BusinessTecNet Global Corporation
Business Address226 NW Parkway , Riverside,Missouri United States 64150
TCB Scope
TCB Email
ApplicantDavid Stubbs –
Applicant Phone
Applicant Fax816-746-1093
Applicant Email[email protected]
Applicant MailStop
Test FirmTimco Engineering, Inc.
Test Firm ContactS Sanders
Test Firm Phone
Test Firm Fax352-472-2030
Test Firm Email[email protected]
Certified ByMario R. de Aranzeta – Engineer

© 2026 FCC.report
This site is not affiliated with or endorsed by the FCC