PQY4710874200029

FCC ID

Equipment:

Cellink Co., Ltd. 4710874200029

11F, No. 102, Sec. 1, Hsin Tai Wu Rd.,, His-Chih, N/A 221 Taiwan

Application
Frequency Range
Final Action Date
Granted
QQ7MV6bB1Or4XArEmT/+vw==
26.96-27.28
2001-10-24
APPROVED
File NameDocument TypeDateDirect
operational description 2jpeg 2001-10-24 00:00:00 jpeg
operational descriptionOperational Description 2001-10-24 00:00:00 pdf
internal photosInternal Photos 2001-10-24 00:00:00 pdf
users manual 6Users Manual 2001-10-24 00:00:00 jpeg
users manual 5Users Manual 2001-10-24 00:00:00 jpeg
users manual 4Users Manual 2001-10-24 00:00:00 jpeg
users manual 3Users Manual 2001-10-24 00:00:00 jpeg
users manual 2Users Manual 2001-10-24 00:00:00 jpeg
users manual 1Users Manual 2001-10-24 00:00:00 jpeg
test setup photosTest Setup Photos 2001-10-24 00:00:00 pdf
test reportTest Report 2001-10-24 00:00:00 pdf
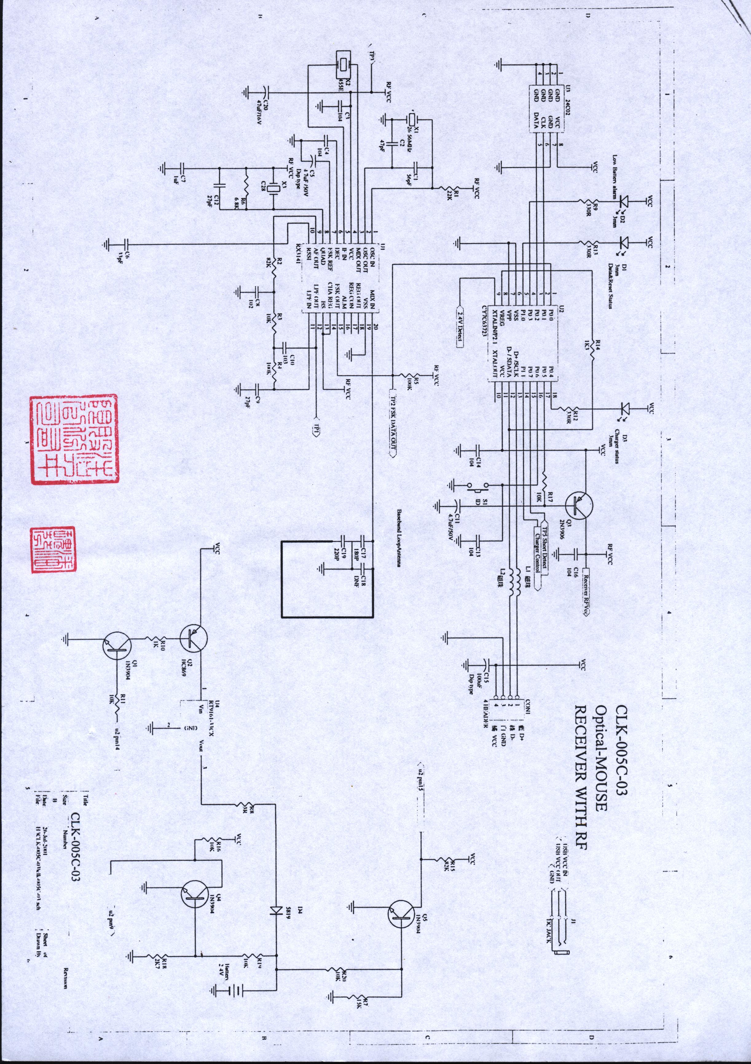
schematics 2jpeg 2001-10-24 00:00:00 jpeg
schematicsjpeg 2001-10-24 00:00:00 jpeg
block diagramjpeg 2001-10-24 00:00:00 jpeg
external photosExternal Photos 2001-10-24 00:00:00 pdf
label sample and locationID Label/Location Info 2001-10-24 00:00:00 pdf

Application Details:

EquipmentRF Wireless Mouse
FRN0012855912
Grantee CodePQY
Product Code-4710874200029
Applicant BusinessCellink Co., Ltd.
Business Address11F, No. 102, Sec. 1, Hsin Tai Wu Rd., , His-Chih,N/A Taiwan 221
TCB ScopeA1: Low Power Transmitters below 1 GHz (except Spread Spectrum), Unintentional Radiators, EAS (Part 11) & Consumer ISM devices
TCB Email[email protected]
ApplicantTing-Ting Huang – Vice President
Applicant Phone
Applicant Fax886-2-26962774
Applicant Email[email protected]
Applicant MailStop
Test FirmSpectrum Research & Testing Lab.
Test Firm ContactLinda Chiang
Test Firm Phone
Test Firm Fax886-3-498-6528
Test Firm Email[email protected]
Certified ByTing-Ting Huang – Vice President

© 2026 FCC.report
This site is not affiliated with or endorsed by the FCC