Toggle navigation
FCC.report
IBFS
ELS
FCC ID
Contact
About
PE8-YK24G-01
FCC ID
Equipment:
Yoko Technology Corp -YK24G-01
No.199, Lide St., Jhonhe City, Taipei County, N/A 235 Taiwan
FCC.report
›
FCC ID
›
Yoko Technology Corp
›
PE8-YK24G-01
Application
Frequency Range
Final Action Date
Granted
TNLdS4PoqLhFS4s7j5lejg==
2413.0-2413.0
2001-04-17
APPROVED
TNLdS4PoqLhFS4s7j5lejg==
2432.0-2432.0
2001-04-17
APPROVED
TNLdS4PoqLhFS4s7j5lejg==
2451.0-2451.0
2001-04-17
APPROVED
TNLdS4PoqLhFS4s7j5lejg==
2470.0-2470.0
2001-04-17
APPROVED
File Name
Document Type
Date
Direct
User Manual
Users Manual
2001-04-17 00:00:00
pdf
Test Setup Photos
Test Setup Photos
2001-04-17 00:00:00
pdf
Test Report
Test Report
2001-04-17 00:00:00
pdf
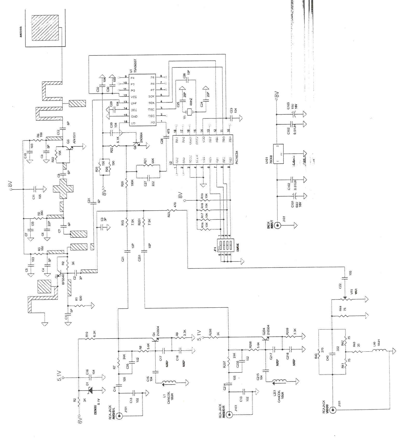
Schematic Diagram
jpeg
2001-04-17 00:00:00
jpeg
Operational Description
Operational Description
2001-04-17 00:00:00
pdf
Internal Photos
Internal Photos
2001-04-17 00:00:00
pdf
FCC ID Label format and location
jpeg
2001-04-17 00:00:00
jpeg
External Photos
External Photos
2001-04-17 00:00:00
pdf
TCB Q and A
Cover Letter(s)
2001-04-17 00:00:00
pdf
Block Diagram
jpeg
2001-04-17 00:00:00
jpeg
Application Details:
Equipment
Wireless Video Camera
FRN
0021974985
Grantee Code
PE8
Product Code
-YK24G-01
Applicant Business
Yoko Technology Corp
Business Address
No.199, Lide St., Jhonhe City , Taipei County,N/A Taiwan 235
TCB Scope
A2: Low Power Transmitters (except Spread Spectrum) and radar detectors operating above 1 GHz
TCB Email
[email protected]
Applicant
Tony Jiang – Director
Applicant Phone
Applicant Fax
886-2-2222-9807
Applicant Email
[email protected]
Applicant MailStop
Test Firm
Electronics Testing Center, Taiwan
Test Firm Contact
Winpo Tsai
Test Firm Phone
Test Firm Fax
886-3-3280034
Test Firm Email
[email protected]
Certified By
Joseph Lu – Manager
© 2026 FCC.report
This site is not affiliated with or endorsed by the FCC