Toggle navigation
FCC.report
IBFS
ELS
FCC ID
Contact
About
PB2WO80A
FCC ID
Equipment:
Wav Inc. WO80A
2380 Prospect Drive, Aurora, IL 60502 United States
FCC.report
›
FCC ID
›
Wav Inc.
›
PB2WO80A
Application
Frequency Range
Final Action Date
Granted
HT+WOt8FrVTHWJFN1PwY6Q==
2412.0-2462.0
2001-03-14
APPROVED
DcN9B6GQgKew3B9d7B44DA==
2412.0-2462.0
2001-03-14
APPROVED
File Name
Document Type
Date
Direct
Confidentiality Request
Cover Letter(s)
2001-03-14 00:00:00
pdf
See User Manual and Test Report
RF Exposure Info
2001-03-14 00:00:00
pdf
Spreading gain Part 5
Cover Letter(s)
2001-03-14 00:00:00
pdf
Spreading gain part 4
Test Report
2001-03-14 00:00:00
pdf
Spreading gain part 3
Test Report
2001-03-14 00:00:00
pdf
Spreading gain part 2
Test Report
2001-03-14 00:00:00
pdf
Spreading gain part 1
Test Report
2001-03-14 00:00:00
pdf
0dbi Omni Specifications
Attestation Statements
2001-03-14 00:00:00
pdf
13dbi Yagi Specifications
Attestation Statements
2001-03-14 00:00:00
pdf
12dbi Omni Specifications
Attestation Statements
2001-03-14 00:00:00
pdf
Internal photos
Internal Photos
2001-03-14 00:00:00
pdf
WAVs user manual includes RF exposure statement
Users Manual
2001-03-14 00:00:00
pdf
Lucents Test Report
Test Report
2001-03-14 00:00:00
pdf
Test report includes test setup photos
Test Report
2001-03-14 00:00:00
pdf
ID Label and external photos
ID Label/Location Info
2001-03-14 00:00:00
jpeg
Description of Block Diagram
Block Diagram
2001-03-14 00:00:00
pdf
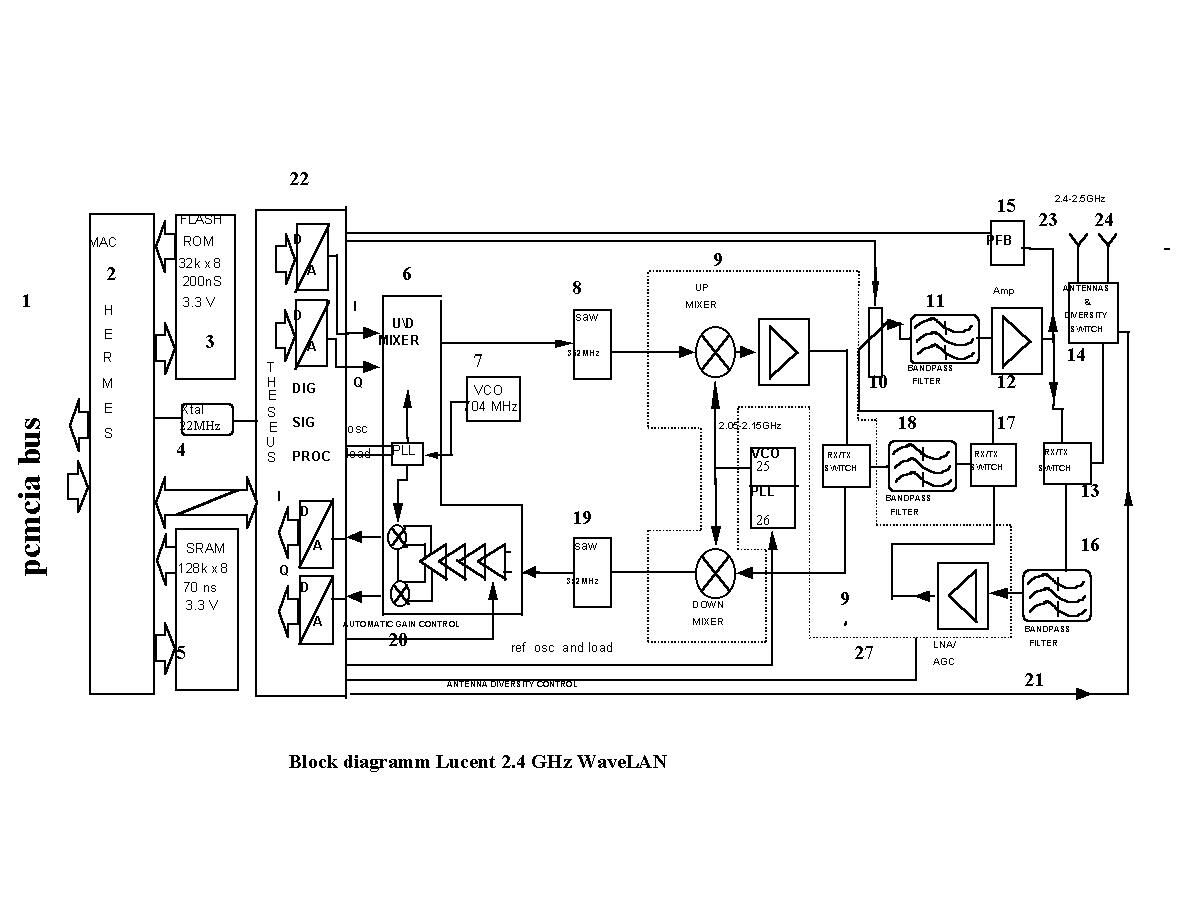
Block Diagram
Block Diagram
2001-03-14 00:00:00
jpeg
Cover Letter addresses RF exposure
Cover Letter(s)
2001-03-14 00:00:00
pdf
Lucents processing gain test report
Test Report
2001-03-14 00:00:00
N/A
Schematic 011682 sh 2
Schematics
2001-03-14 00:00:00
N/A
Schematic 011682 sh 3
Schematics
2001-03-14 00:00:00
N/A
Schematic 011682 sh 4
Schematics
2001-03-14 00:00:00
N/A
Schematic 011682 sh 5
Schematics
2001-03-14 00:00:00
N/A
Schematic 011682 sh 6
Schematics
2001-03-14 00:00:00
N/A
Schematic 011682 sh 7
Schematics
2001-03-14 00:00:00
N/A
Schematic cover page
Schematics
2001-03-14 00:00:00
N/A
Application Details:
Equipment
Chameleon WLAN 80 Wireless LAN Adapter
FRN
0004062246
Grantee Code
PB2
Product Code
WO80A
Applicant Business
Wav Inc.
Business Address
2380 Prospect Drive , Aurora,Illinois United States 60502
TCB Scope
TCB Email
Applicant
Charles D Bolvin – VP of Technology
Applicant Phone
Applicant Fax
630-818-4450
Applicant Email
[email protected]
Applicant MailStop
Test Firm
UL LLC
Test Firm Contact
Rick Titus
Test Firm Phone
0
Test Firm Fax
847-509-6321
Test Firm Email
[email protected]
Certified By
Charles D. Bolvin – Technical Services Manager
© 2026 FCC.report
This site is not affiliated with or endorsed by the FCC