P4SMTC993011

FCC ID

Equipment:

Megatech International Inc. MTC993011

8300 Tonnelle Avenue, North Bergen, NJ 07047-4735 United States

Application
Frequency Range
Final Action Date
Granted
F9KKWRkZSzVKZTJPRa3a8Q==
26.995-27.255
2002-06-07
APPROVED
File NameDocument TypeDateDirect
Additional informationTest Report 2002-06-07 00:00:00 pdf
Instruction ManualUsers Manual 2002-06-07 00:00:00 pdf
Xmitter top cover removedjpeg 2002-06-07 00:00:00 jpeg
PCB Solder sidejpeg 2002-06-07 00:00:00 jpeg
PCB Component sidejpeg 2002-06-07 00:00:00 jpeg
Picture Front side of Xmitterjpeg 2002-06-07 00:00:00 jpeg
Picture Back side of Xmitterjpeg 2002-06-07 00:00:00 jpeg
Transmitter Parts ListParts List/Tune Up Info 2002-06-07 00:00:00 pdf
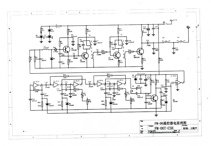
Transmitter circuit schematicsjpeg 2002-06-07 00:00:00 jpeg
Test Setup Picture 2jpeg 2002-06-07 00:00:00 jpeg
Test Setup Picture 1jpeg 2002-06-07 00:00:00 jpeg
ID Label and LocationID Label/Location Info 2002-06-07 00:00:00 pdf
Transmitter Technical ReportTest Report 2002-06-07 00:00:00 pdf

Application Details:

EquipmentSkyVector Airplane Transmitter
FRN0005822218
Grantee CodeP4S
Product CodeMTC993011
Applicant BusinessMegatech International Inc.
Business Address8300 Tonnelle Avenue , North Bergen,New Jersey United States 07047-4735
TCB Scope
TCB Email
ApplicantPeter R Winston – President
Applicant Phone 115
Applicant Fax1-201-221-8023
Applicant Email[email protected]
Applicant MailStop
Test Firm
Test Firm Contact
Test Firm Phone
Test Firm Fax
Test Firm Email
Certified ByArnie Tapia – EMC Sr. Technician

© 2026 FCC.report
This site is not affiliated with or endorsed by the FCC