OZY-X-SUB

FCC ID

Equipment:

Advocated Accompaniment Technology Co., Ltd. -X-SUB

106, 8F-6, No. 76, Sec. 1, Fu-Shin. S. Rd., Taipei, N/A 106 Taiwan

Application
Frequency Range
Final Action Date
Granted
rC1sPjf3GfwPHCYR9mV0sQ==
49.86-49.86
2003-09-05
APPROVED
File NameDocument TypeDateDirect
Suppression component listjpeg 2003-09-05 00:00:00 jpeg
ManualUsers Manual 2003-09-05 00:00:00 pdf
Test Setup PhotosTest Setup Photos 2003-09-05 00:00:00 pdf
Test ReportTest Report 2003-09-05 00:00:00 pdf
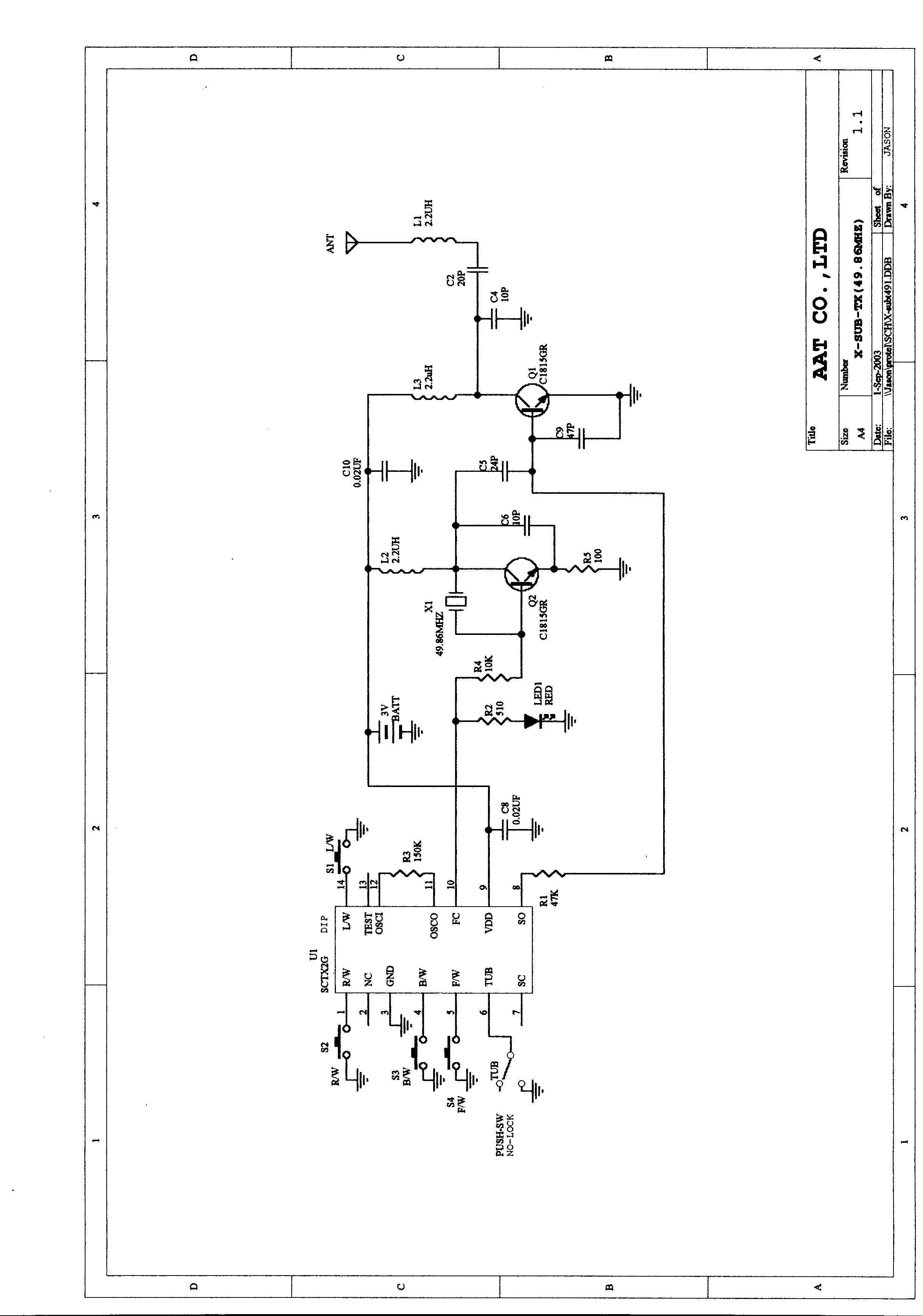
Schematicsjpeg 2003-09-05 00:00:00 jpeg
Operational DescriptionOperational Description 2003-09-05 00:00:00 pdf
Internal PhotosInternal Photos 2003-09-05 00:00:00 pdf
Id Label Sample and LocationID Label/Location Info 2003-09-05 00:00:00 pdf
External PhotosExternal Photos 2003-09-05 00:00:00 pdf
Block Diagramjpeg 2003-09-05 00:00:00 jpeg

Application Details:

EquipmentREMOTE CONTROL SUBMARINE
FRN0009507872
Grantee CodeOZY
Product Code-X-SUB
Applicant BusinessAdvocated Accompaniment Technology Co., Ltd.
Business Address106, 8F-6, No. 76, Sec. 1, Fu-Shin. S. Rd., Taipei,N/A Taiwan 106
TCB ScopeA1: Low Power Transmitters below 1 GHz (except Spread Spectrum), Unintentional Radiators, EAS (Part 11) & Consumer ISM devices
TCB Email[email protected]
ApplicantTomy Dong – Managing Director
Applicant Phone
Applicant Fax886-2-27111625
Applicant Email
Applicant MailStop
Test FirmSporton International Inc.
Test Firm ContactKathy Lin
Test Firm Phone 230
Test Firm Fax886-2-2696-2255
Test Firm Email[email protected]
Certified ByJASON KUO – ENGINEER

© 2026 FCC.report
This site is not affiliated with or endorsed by the FCC