OYD-FS001TX

FCC ID

Equipment:

Otek Corporation -FS001TX

4016 E. Tennessee St., Tucson, AZ 85714-2130 United States

Application
Frequency Range
Final Action Date
Granted
LqOM9U52RK2BDoQEBWbGTg==
433.92-433.92
2000-11-02
APPROVED
File NameDocument TypeDateDirect
Test Report RevTest Report 2000-11-02 00:00:00 pdf
PCB backInternal Photos 2000-11-02 00:00:00 jpeg
PCB topInternal Photos 2000-11-02 00:00:00 jpeg
back viewExternal Photos 2000-11-02 00:00:00 jpeg
Front viewExternal Photos 2000-11-02 00:00:00 jpeg
Agency authorizationCover Letter(s) 2000-11-02 00:00:00 jpeg
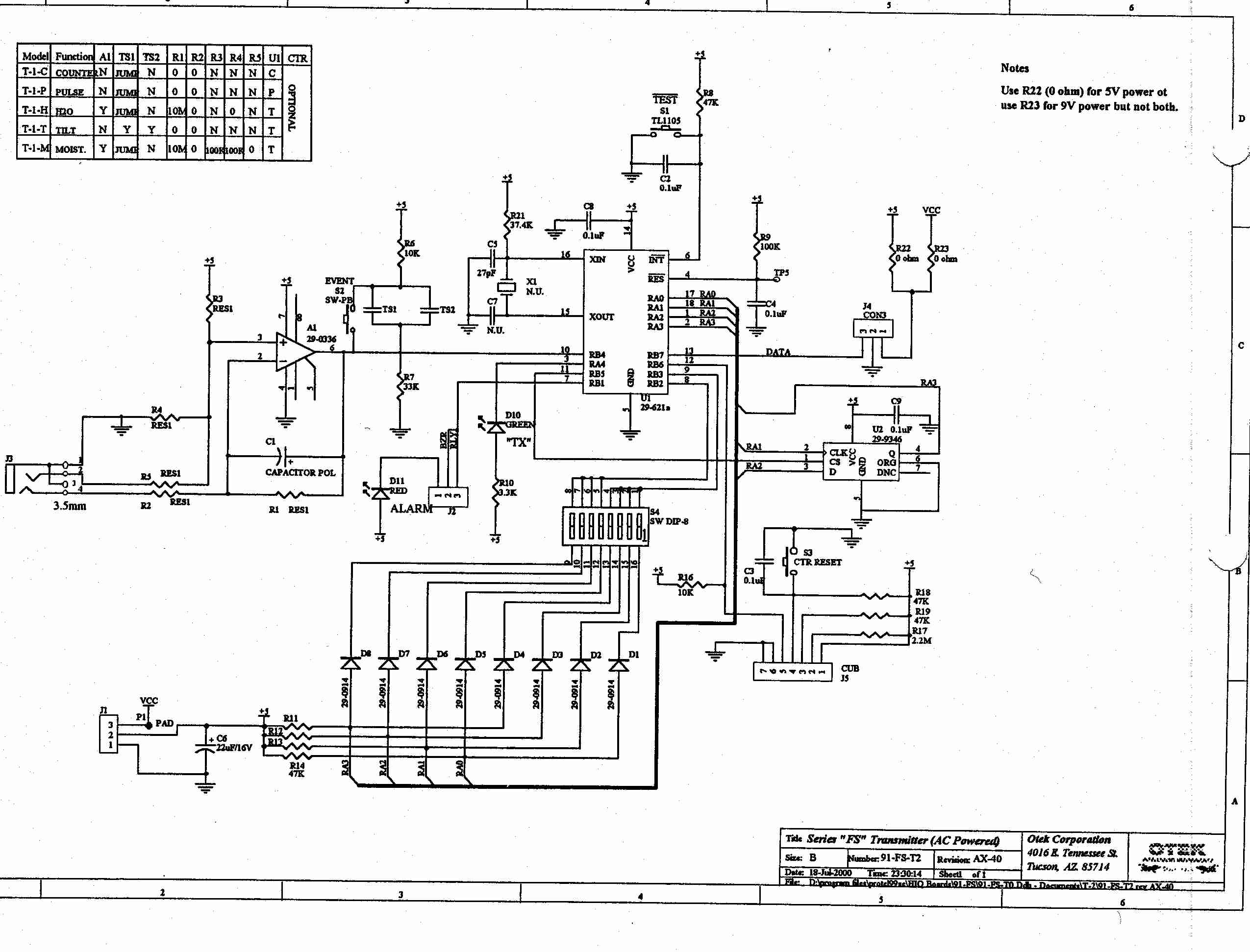
Schematic 2Schematics 2000-11-02 00:00:00 jpeg
Schematic 1Schematics 2000-11-02 00:00:00 jpeg
ManualUsers Manual 2000-11-02 00:00:00 jpeg
ReportTest Report 2000-11-02 00:00:00 pdf
FCC LableID Label/Location Info 2000-11-02 00:00:00 pdf

Application Details:

EquipmentFail-Safe Alarm Transmitter
FRN0014042428
Grantee CodeOYD
Product Code-FS001TX
Applicant BusinessOtek Corporation
Business Address4016 E. Tennessee St. , Tucson,Arizona United States 85714-2130
TCB Scope
TCB Email
ApplicantOtto P Fest – President
Applicant Phone
Applicant Fax520-790-2808
Applicant Email[email protected]
Applicant MailStop
Test FirmNational Certification Laboratory
Test Firm ContactBrian Haghtalab
Test Firm Phone
Test Firm Fax410-461-5548
Test Firm Email[email protected]
Certified ByBrian Haghtalab – Projects Manager

© 2026 FCC.report
This site is not affiliated with or endorsed by the FCC