OVL-DYNAFORLLXTX

FCC ID

Equipment:

Tractel, Inc. -DYNAFORLLXTX

110 Shawmut Rd., Canton, MA 02021 United States

Application
Frequency Range
Final Action Date
Granted
j6QY0n9UrFLxGghRSUeAqg==
921.65-921.65
2000-03-29
APPROVED
File NameDocument TypeDateDirect
MANUALUsers Manual 2000-03-29 00:00:00 pdf
INT EUT PHOTOSInternal Photos 2000-03-29 00:00:00 jpeg
EXT EUT PHOTOSExternal Photos 2000-03-29 00:00:00 jpeg
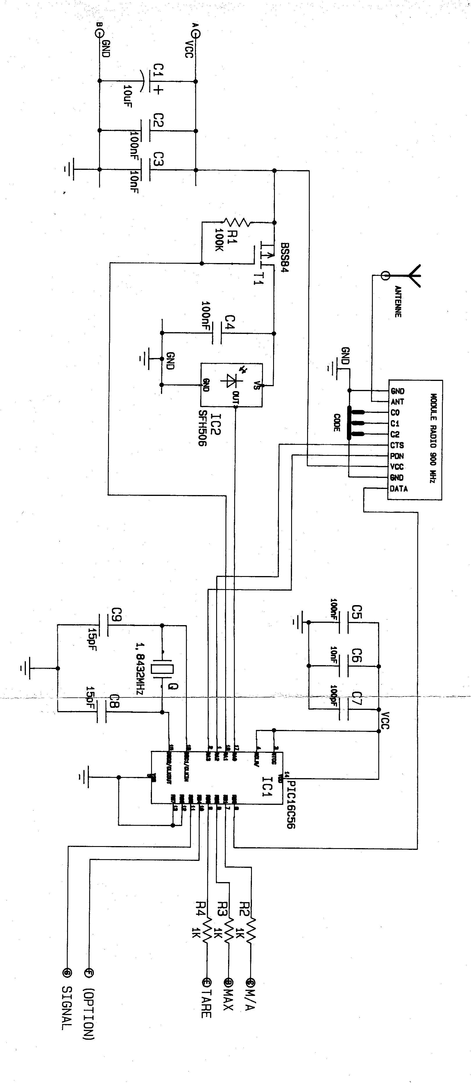
SCHEMATICSSchematics 2000-03-29 00:00:00 jpeg
TEST REPORTTest Report 2000-03-29 00:00:00 pdf
FCCID LABELID Label/Location Info 2000-03-29 00:00:00 pdf

Application Details:

EquipmentLoad Indicator
FRN9999999999
Grantee CodeOVL
Product Code-DYNAFORLLXTX
Applicant BusinessTractel, Inc.
Business Address110 Shawmut Rd. , Canton,Massachusetts United States 02021
TCB Scope
TCB Email
ApplicantClifford Theve – Project Manager
Applicant Phone
Applicant Fax781 828 3642
Applicant Email
Applicant MailStop
Test FirmNational Certification Laboratory
Test Firm ContactBrian Haghtalab
Test Firm Phone
Test Firm Fax410-461-5548
Test Firm Email[email protected]
Certified Bysdayhoff – Chief Engineer

© 2026 FCC.report
This site is not affiliated with or endorsed by the FCC