Toggle navigation
FCC.report
IBFS
ELS
FCC ID
Contact
About
OT2MT3000R
FCC ID
Equipment:
Winstec Co., Ltd. MT3000R
42-13, Wonmi-Dong, Wonmi-Ku, Puchon-City, Kyungki-Do, N/A 420-110 South Korea
FCC.report
›
FCC ID
›
Winstec Co., Ltd.
›
OT2MT3000R
Application
Frequency Range
Final Action Date
Granted
mvZebQdFeQ4Vd06ew6Ivfw==
413.39-413.39
2000-12-08
APPROVED
File Name
Document Type
Date
Direct
renewed manual
Users Manual
2000-12-08 00:00:00
pdf
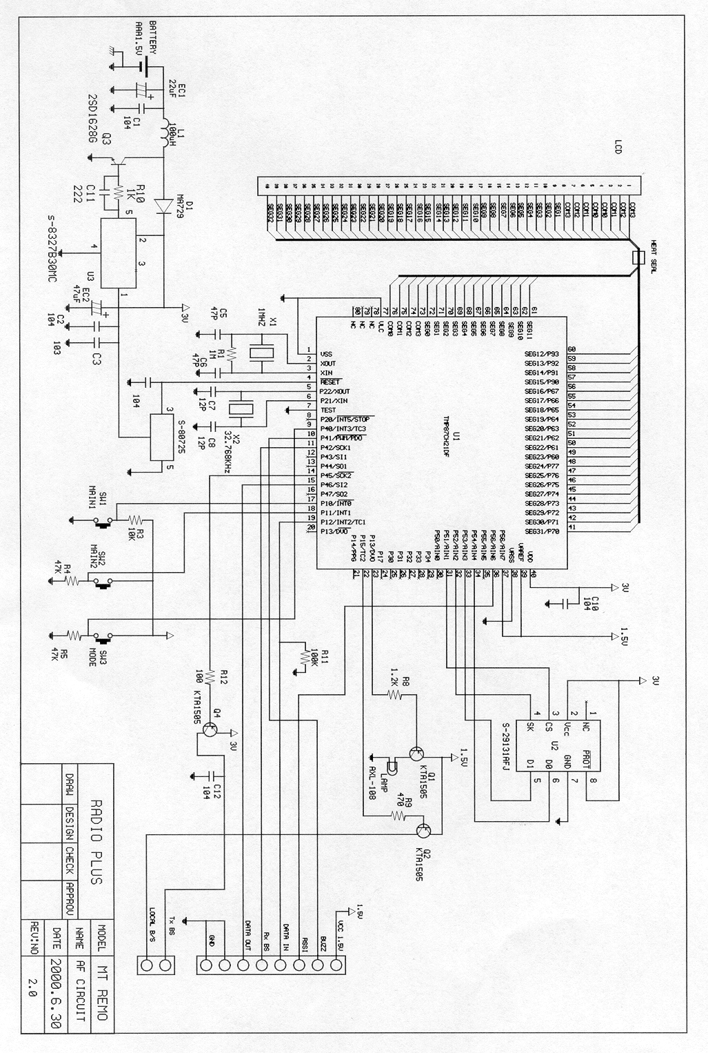
circuit2
Schematics
2000-12-08 00:00:00
jpeg
circuit1
Schematics
2000-12-08 00:00:00
jpeg
operational description
Operational Description
2000-12-08 00:00:00
pdf
internal photos
Internal Photos
2000-12-08 00:00:00
pdf
users manual
Users Manual
2000-12-08 00:00:00
pdf
test report
Test Report
2000-12-08 00:00:00
pdf
schematics
Schematics
2000-12-08 00:00:00
pdf
block diagram
Block Diagram
2000-12-08 00:00:00
pdf
external photos
External Photos
2000-12-08 00:00:00
pdf
id label
ID Label/Location Info
2000-12-08 00:00:00
pdf
Application Details:
Equipment
Car Alarm(Remote Controller)
FRN
0008038366
Grantee Code
OT2
Product Code
MT3000R
Applicant Business
Winstec Co., Ltd.
Business Address
42-13, Wonmi-Dong, Wonmi-Ku, Puchon-City , Kyungki-Do,N/A South Korea 420-110
TCB Scope
TCB Email
Applicant
Yong-Eon Eom – Team Leader
Applicant Phone
Applicant Fax
82-32-613-7676
Applicant Email
[email protected]
Applicant MailStop
Test Firm
Korea Testing Laboratory
Test Firm Contact
Jeong-Min Kim
Test Firm Phone
Test Firm Fax
82-2-860-1468
Test Firm Email
[email protected]
Certified By
Byung-Seul Lim – Assistant Manager
© 2026 FCC.report
This site is not affiliated with or endorsed by the FCC