OM4TLVUCT4K

FCC ID

Equipment:

Logos Av Com S.r.l. TLVUCT4K

Via Risorgimento, 22, 48018 Faenza, N/A N/A Italy

Application
Frequency Range
Final Action Date
Granted
1XqrS9ZHqVB9B9ipQpYNTg==
916.5-916.6
2000-02-25
APPROVED
File NameDocument TypeDateDirect
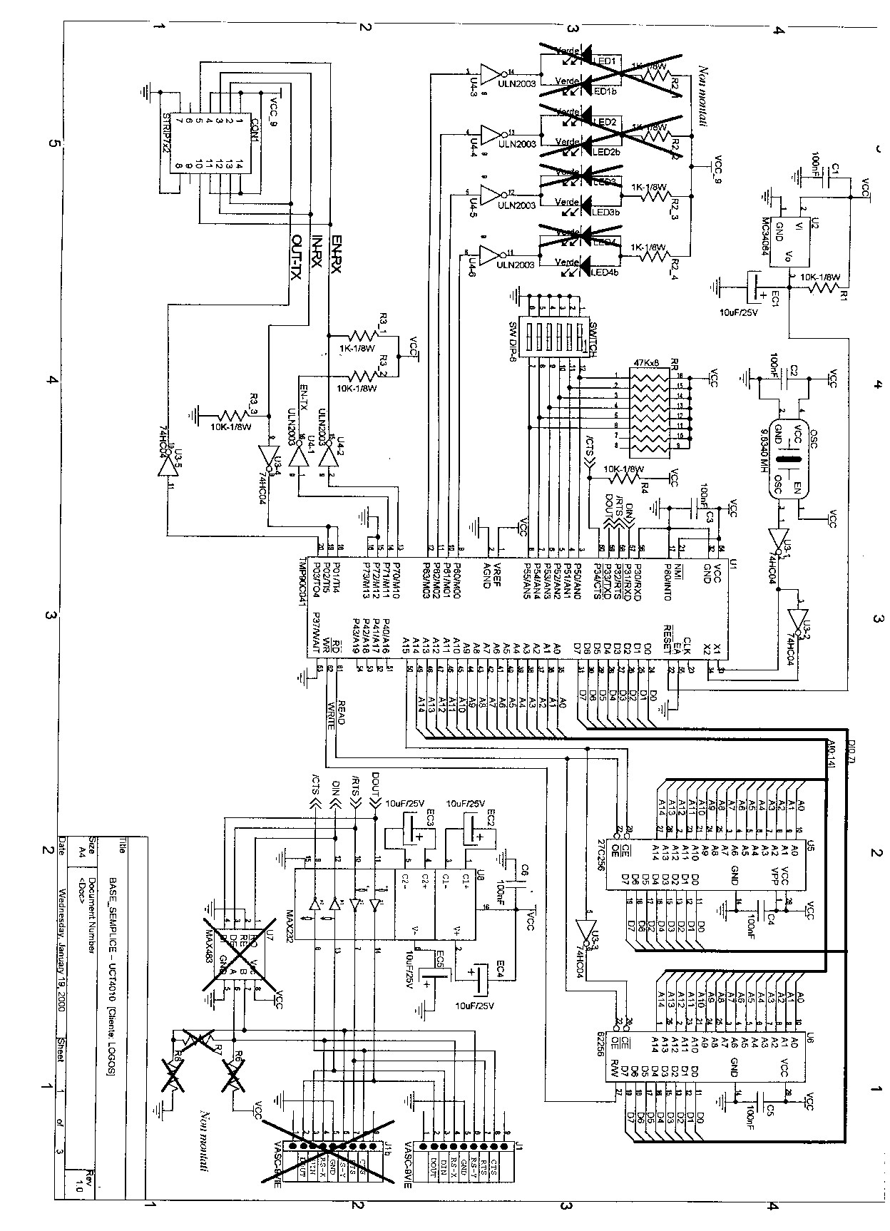
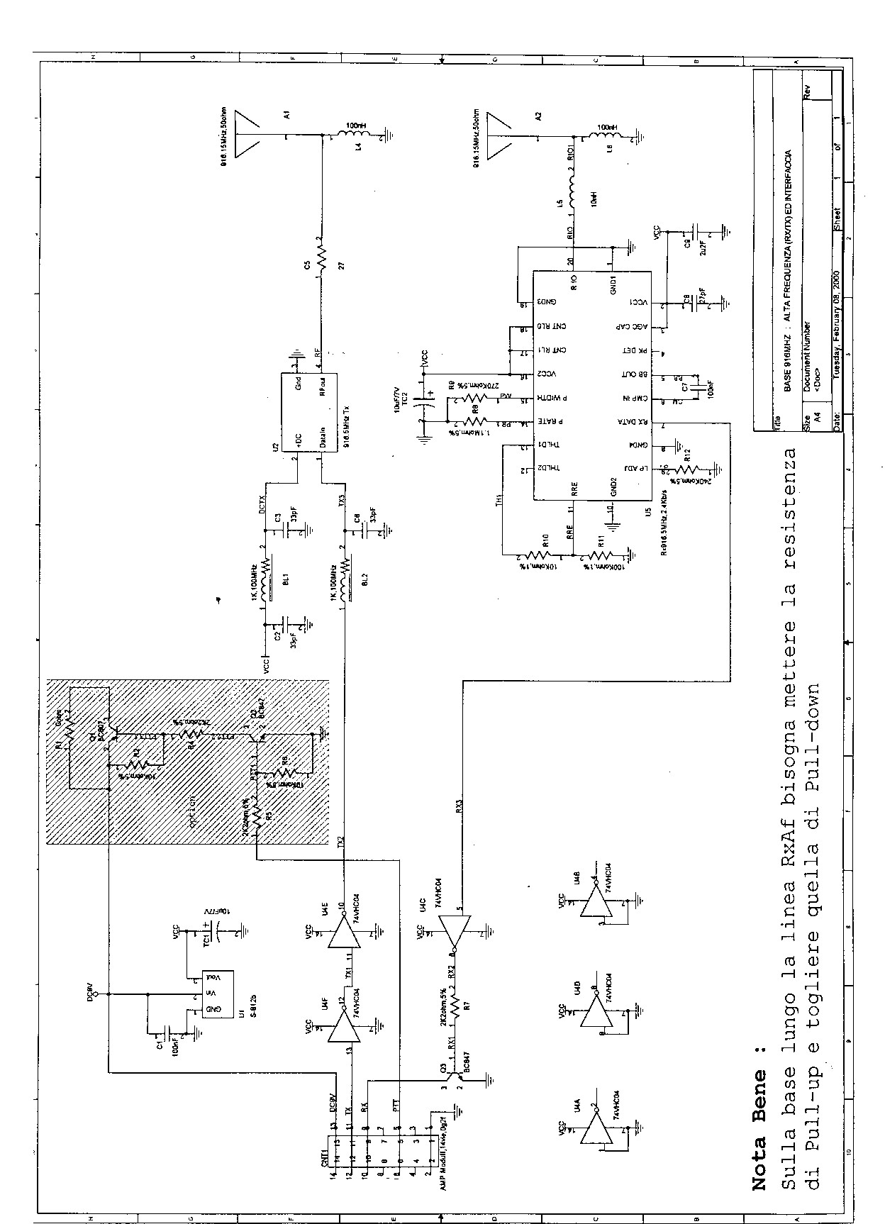
UCT Board 3Schematics 2000-02-25 00:00:00 jpeg
UCT Board 2Schematics 2000-02-25 00:00:00 jpeg
UCT Board 1Schematics 2000-02-25 00:00:00 jpeg
OperationOperational Description 2000-02-25 00:00:00 pdf
Logic Component sideInternal Photos 2000-02-25 00:00:00 jpeg
Tranceiver foil sideInternal Photos 2000-02-25 00:00:00 jpeg
UCT CompInternal Photos 2000-02-25 00:00:00 jpeg
UCT InternalInternal Photos 2000-02-25 00:00:00 jpeg
UCT User ManUsers Manual 2000-02-25 00:00:00 pdf
UCT Setup Rad FrontTest Setup Photos 2000-02-25 00:00:00 jpeg
UCT Setup Rad BackTest Setup Photos 2000-02-25 00:00:00 jpeg
UCT Setup Cond SideTest Setup Photos 2000-02-25 00:00:00 jpeg
UCT Setup Cond FrontTest Setup Photos 2000-02-25 00:00:00 jpeg
UCT Test ReportTest Report 2000-02-25 00:00:00 pdf
UCT SchematicSchematics 2000-02-25 00:00:00 jpeg
UCT Block DiagBlock Diagram 2000-02-25 00:00:00 pdf
UCT RearExternal Photos 2000-02-25 00:00:00 jpeg
UCT FrontExternal Photos 2000-02-25 00:00:00 jpeg
UCT Label LocationID Label/Location Info 2000-02-25 00:00:00 jpeg

Application Details:

EquipmentWireless Audience Response Controller
FRN0010457075
Grantee CodeOM4
Product CodeTLVUCT4K
Applicant BusinessLogos Av Com S.r.l.
Business AddressVia Risorgimento, 22 , 48018 Faenza,N/A Italy
TCB Scope
TCB Email
ApplicantSergio Sangiorgi – President
Applicant Phone
Applicant Fax39-0546-622-090
Applicant Email
Applicant MailStop
Test FirmTUV QSL srl
Test Firm ContactP. Velo
Test Firm Phone
Test Firm Fax39-0125-711477
Test Firm Email
Certified BySergio Sangiorgi – President

© 2026 FCC.report
This site is not affiliated with or endorsed by the FCC