Toggle navigation
FCC.report
IBFS
ELS
FCC ID
Contact
About
OFBWS2010A
FCC ID
Equipment:
Europe Supplies Limited WS2010A
A3, 12/F, Kailey Ind. Centre No. 12 Fung Yip Street, Chaiwan, N/A N/A Hong Kong
FCC.report
›
FCC ID
›
Europe Supplies Limited
›
OFBWS2010A
Application
Frequency Range
Final Action Date
Granted
NtXsZHmmLvVqhHMQTh/68w==
433.5-434.5
1999-11-19
APPROVED
File Name
Document Type
Date
Direct
Periodic Rate of Transmission 4
Test Report
1999-11-19 00:00:00
jpeg
Corrected Periodic Rate of Transmission 3
Test Report
1999-11-19 00:00:00
jpeg
Corrected Periodic Rate of Transmission 2
Test Report
1999-11-19 00:00:00
jpeg
Corrected Periodic Rate of Transmission
Test Report
1999-11-19 00:00:00
jpeg
Cover Letter
Cover Letter(s)
1999-11-19 00:00:00
pdf
users manual english translation
Users Manual
1999-11-19 00:00:00
pdf
copper side internal photo
Internal Photos
1999-11-19 00:00:00
jpeg
component side internal photo
Internal Photos
1999-11-19 00:00:00
jpeg
front view external photo
External Photos
1999-11-19 00:00:00
jpeg
occupied bandwidth plot
Test Report
1999-11-19 00:00:00
jpeg
periodic rate plot
Test Report
1999-11-19 00:00:00
jpeg
duty cycle plot
Test Report
1999-11-19 00:00:00
jpeg
sketch of FCC ID label location
ID Label/Location Info
1999-11-19 00:00:00
jpeg
FCC ID label sample
ID Label/Location Info
1999-11-19 00:00:00
pdf
instruction manual
Users Manual
1999-11-19 00:00:00
pdf
parts list
Parts List/Tune Up Info
1999-11-19 00:00:00
pdf
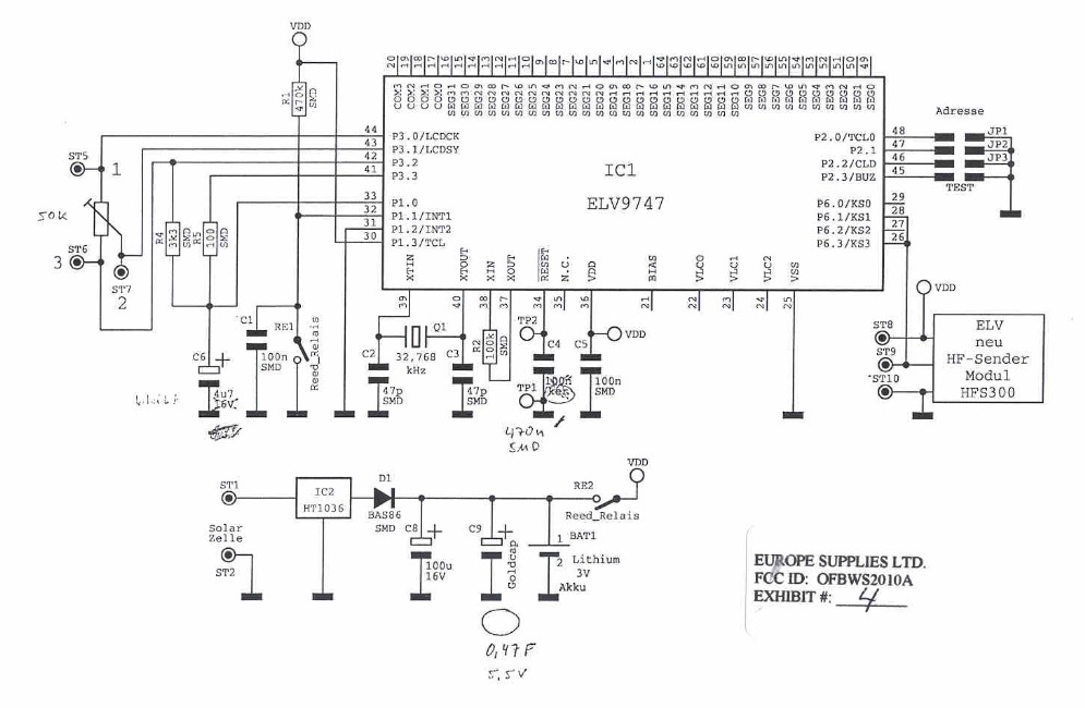
schematic logic
Schematics
1999-11-19 00:00:00
jpeg
schematic rf portion
Schematics
1999-11-19 00:00:00
jpeg
block diagram
Block Diagram
1999-11-19 00:00:00
jpeg
power of attorney letter
Cover Letter(s)
1999-11-19 00:00:00
pdf
test report
Test Report
1999-11-19 00:00:00
pdf
Application Details:
Equipment
Weather Station - Anemometer
FRN
9999999999
Grantee Code
OFB
Product Code
WS2010A
Applicant Business
Europe Supplies Limited
Business Address
A3, 12/F, Kailey Ind. Centre No. 12 Fung Yip Street, Chaiwan,N/A Hong Kong
TCB Scope
TCB Email
Applicant
Manfred Wu – Managing Director
Applicant Phone
Applicant Fax
852-2557-6795
Applicant Email
Applicant MailStop
Test Firm
Timco Engineering, Inc.
Test Firm Contact
Sid Sanders
Test Firm Phone
Test Firm Fax
352-472-2030
Test Firm Email
[email protected]
Certified By
S. S. Sanders – Engineer
© 2025 FCC.report
This site is not affiliated with or endorsed by the FCC