Toggle navigation
FCC.report
IBFS
ELS
FCC ID
Contact
About
O3LPT20006789
FCC ID
Equipment:
Paten Wireless Technology Inc. PT20006789
8F, No.407 Rueiguang Rd., Neihu, Taipei, N/A 114 Taiwan
FCC.report
›
FCC ID
›
Paten Wireless Technology Inc.
›
O3LPT20006789
Application
Frequency Range
Final Action Date
Granted
p3nAaxidXJ06m/l9Wen6gg==
26.96-27.26
2000-07-13
APPROVED
File Name
Document Type
Date
Direct
Specification
Operational Description
2000-07-13 00:00:00
pdf
Operational Description
Operational Description
2000-07-13 00:00:00
pdf
Authorization
Cover Letter(s)
2000-07-13 00:00:00
pdf
Inside Looking
Internal Photos
2000-07-13 00:00:00
jpeg
Manual
Users Manual
2000-07-13 00:00:00
pdf
Setup Photo
Test Setup Photos
2000-07-13 00:00:00
jpeg
Report
Test Report
2000-07-13 00:00:00
pdf
Circuit Diagram
Schematics
2000-07-13 00:00:00
jpeg
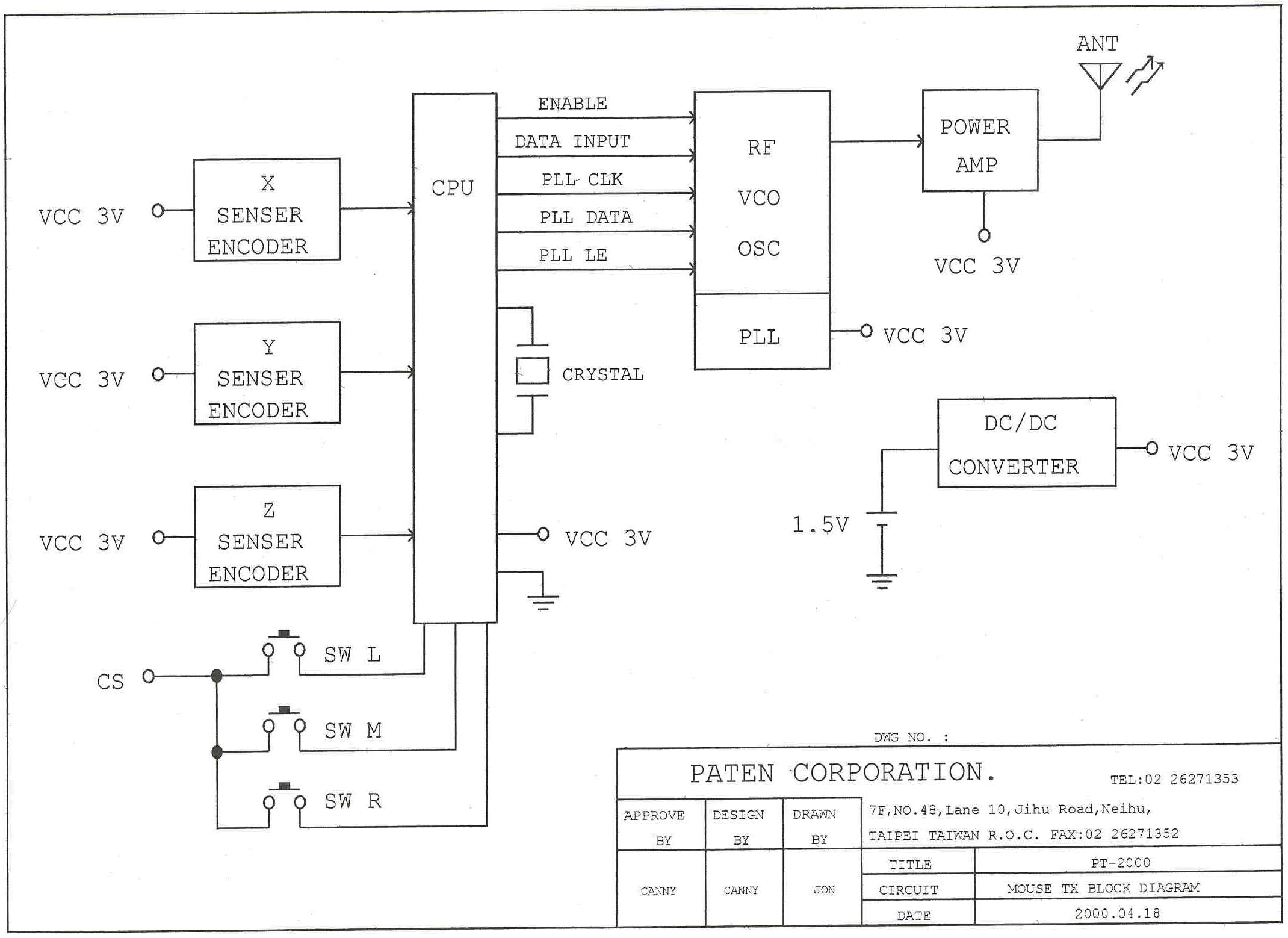
Block
Block Diagram
2000-07-13 00:00:00
jpeg
Outside looking
External Photos
2000-07-13 00:00:00
jpeg
ID Label
ID Label/Location Info
2000-07-13 00:00:00
jpeg
Application Details:
Equipment
Cordless Mouse
FRN
0007118268
Grantee Code
O3L
Product Code
PT-2000-6789
Applicant Business
Paten Wireless Technology Inc.
Business Address
8F, No.407 Rueiguang Rd. , Neihu, Taipei,N/A Taiwan 114
TCB Scope
TCB Email
Applicant
Jon Liao – R&D; Manager
Applicant Phone
Applicant Fax
886-2-2627-1352
Applicant Email
[email protected]
Applicant MailStop
Test Firm
Test Firm Contact
Test Firm Phone
Test Firm Fax
Test Firm Email
Certified By
Joseph Lu – Group Leader
© 2026 FCC.report
This site is not affiliated with or endorsed by the FCC