O3L-PD-0010502

FCC ID

Equipment:

Paten Wireless Technology Inc. -PD-0010502

8F, No.407 Rueiguang Rd., Neihu, Taipei, N/A 114 Taiwan

Application
Frequency Range
Final Action Date
Granted
T0jilyRs5Vl9K54ieZGYkw==
27.095-27.145
2001-08-02
APPROVED
File NameDocument TypeDateDirect
REVISED FCC ID LABEL FORMATjpeg 2001-08-02 00:00:00 jpeg
User ManualUsers Manual 2001-08-02 00:00:00 pdf
Additional Test Setup PhotosTest Setup Photos 2001-08-02 00:00:00 pdf
Test setup photosTest Setup Photos 2001-08-02 00:00:00 pdf
Test ReportTest Report 2001-08-02 00:00:00 pdf
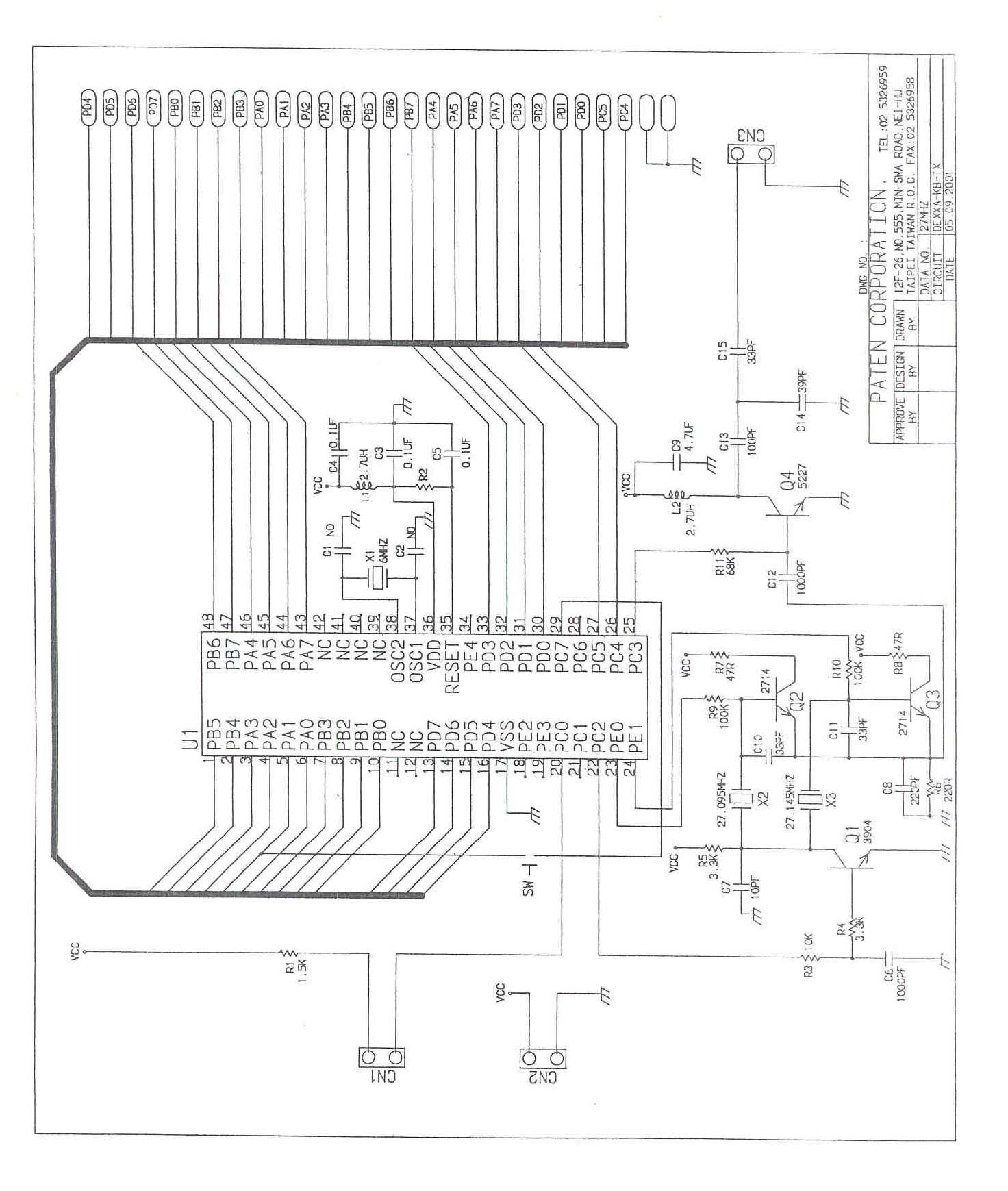
Schematic Diagramjpeg 2001-08-02 00:00:00 jpeg
Operational DescriptionOperational Description 2001-08-02 00:00:00 pdf
Internal PhotosInternal Photos 2001-08-02 00:00:00 pdf
External PhotosExternal Photos 2001-08-02 00:00:00 pdf
TCB Q and ACover Letter(s) 2001-08-02 00:00:00 pdf
Block Diagramjpeg 2001-08-02 00:00:00 jpeg
FCC ID label format and locationID Label/Location Info 2001-08-02 00:00:00 N/A

Application Details:

EquipmentWireless Keyboard
FRN0007118268
Grantee CodeO3L
Product Code-PD-0010502
Applicant BusinessPaten Wireless Technology Inc.
Business Address8F, No.407 Rueiguang Rd. , Neihu, Taipei,N/A Taiwan 114
TCB ScopeA1: Low Power Transmitters below 1 GHz (except Spread Spectrum), Unintentional Radiators, EAS (Part 11) & Consumer ISM devices
TCB Email[email protected]
ApplicantJon Liao – R&D; Manager
Applicant Phone
Applicant Fax886-2-2627-1352
Applicant Email[email protected]
Applicant MailStop
Test FirmElectronics Testing Center, Taiwan
Test Firm ContactWill Yauo
Test Firm Phone
Test Firm Fax886-3-3280034
Test Firm Email[email protected]
Certified ByJoe Hsieh – EMI Engineer

© 2026 FCC.report
This site is not affiliated with or endorsed by the FCC