O2Q-DRTXM2

FCC ID

Equipment:

Highway Information Systems, Inc. -DRTXM2

4021 Stirrup Creek Drive Suite 100, Durham, NC 27703 United States

Application
Frequency Range
Final Action Date
Granted
w/P4iZFCuYXFN1ZYVN4qAQ==
0.53-1.7
2000-06-28
APPROVED
File NameDocument TypeDateDirect
Location of FCC LabelID Label/Location Info 2000-06-28 00:00:00 jpeg
Location of LabelID Label/Location Info 2000-06-28 00:00:00 pdf
FCC LabelID Label/Location Info 2000-06-28 00:00:00 pdf
Filter Component Values Xmit FrequenicesParts List/Tune Up Info 2000-06-28 00:00:00 pdf
Test Report Part 2Test Report 2000-06-28 00:00:00 pdf
Test Report Part 1Test Report 2000-06-28 00:00:00 pdf
Filter Componet Values Xmit FrequenciesParts List/Tune Up Info 2000-06-28 00:00:00 pdf
Transmitter Bill of MaterialsParts List/Tune Up Info 2000-06-28 00:00:00 pdf
Parts ListsParts List/Tune Up Info 2000-06-28 00:00:00 pdf
Letter of AuthorizationCover Letter(s) 2000-06-28 00:00:00 jpeg
External PhotosExternal Photos 2000-06-28 00:00:00 pdf
Users ManualUsers Manual 2000-06-28 00:00:00 pdf
DesriptionOperational Description 2000-06-28 00:00:00 pdf
Internal PhotosInternal Photos 2000-06-28 00:00:00 pdf
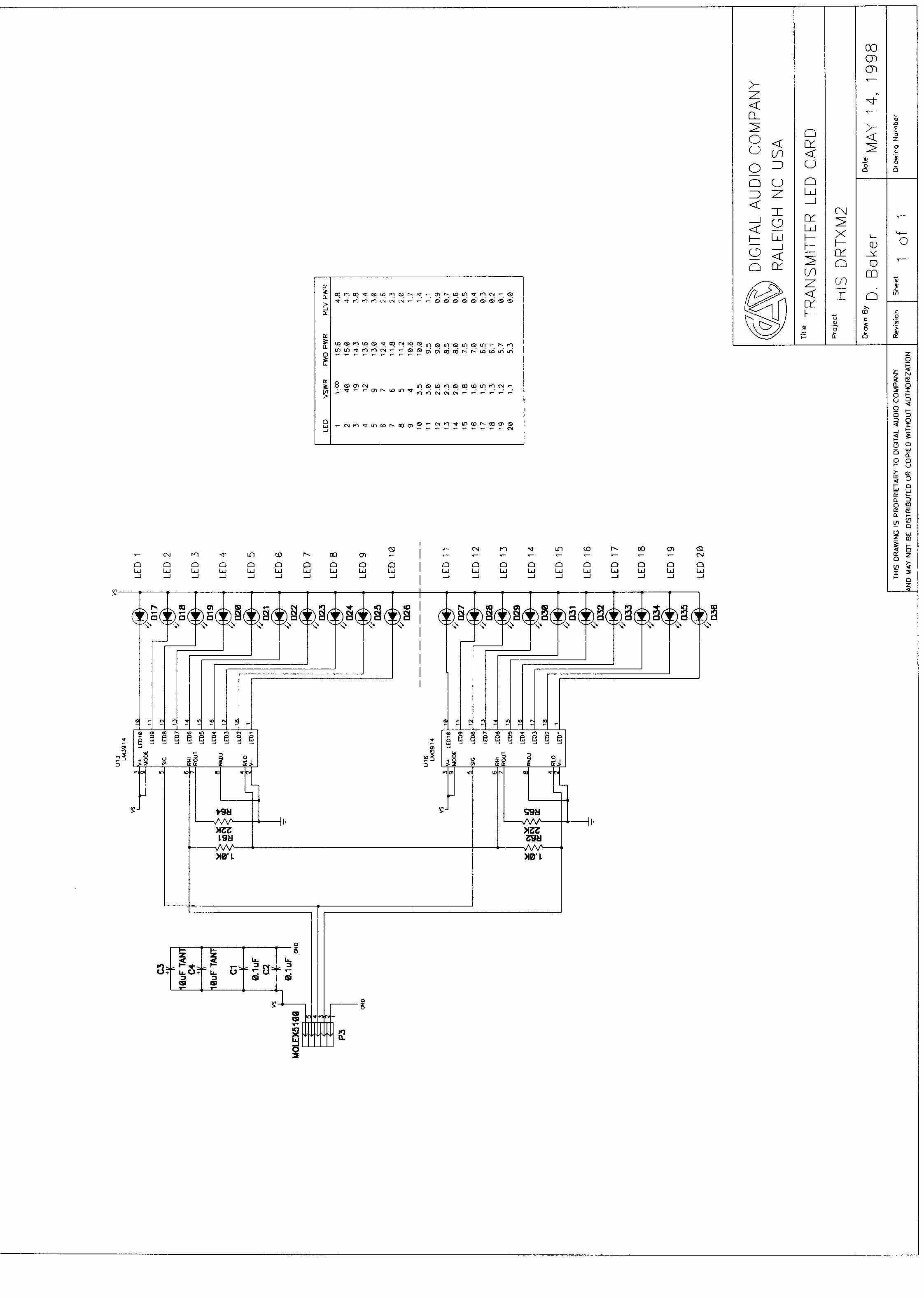
TX LED 1 of 1Schematics 2000-06-28 00:00:00 jpeg
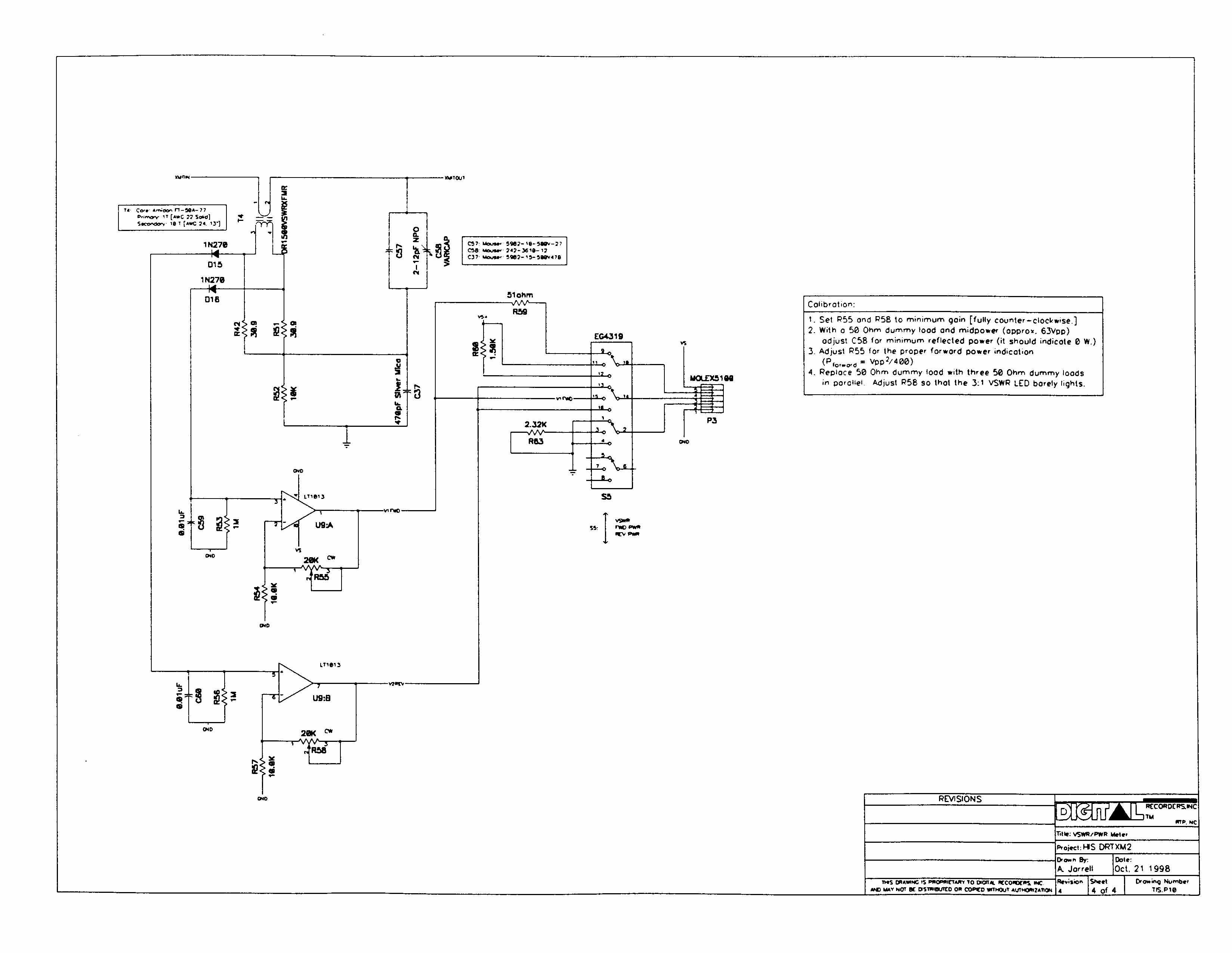
Schematics 4 0f 4Schematics 2000-06-28 00:00:00 jpeg
Schematics 3 0f 4Schematics 2000-06-28 00:00:00 jpeg
Schematics 2 0f 4Schematics 2000-06-28 00:00:00 jpeg
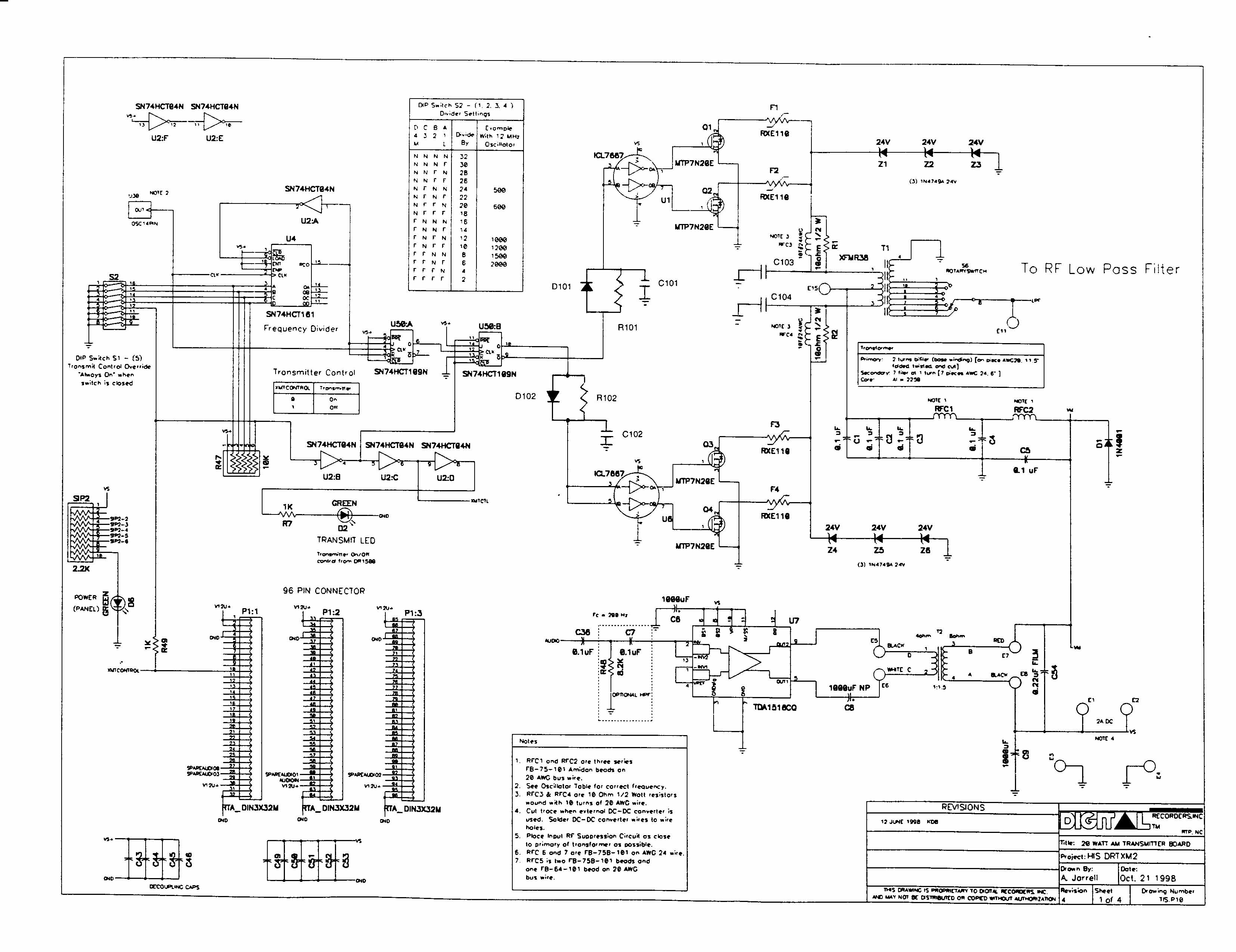
Schematics 1 0f 4Schematics 2000-06-28 00:00:00 jpeg
Block DiagramBlock Diagram 2000-06-28 00:00:00 pdf
Cover LetterCover Letter(s) 2000-06-28 00:00:00 jpeg

Application Details:

EquipmentTIS Low Power AM Transmitter
FRN0004074167
Grantee CodeO2Q
Product Code-DRTXM2
Applicant BusinessHighway Information Systems, Inc.
Business Address4021 Stirrup Creek Drive Suite 100 , Durham,North Carolina United States 27703
TCB Scope
TCB Email
ApplicantBruce Reimer – General Manager
Applicant Phone 102
Applicant Fax919-361-2948
Applicant Email[email protected]
Applicant MailStop
Test FirmDLS Electronic Systems, Inc.
Test Firm ContactWilliam Stumpf
Test Firm Phone
Test Firm Fax847-537-6488
Test Firm Email[email protected]
Certified ByArnom C. Rowe – EMC Engineer EMC-001375-NE

© 2026 FCC.report
This site is not affiliated with or endorsed by the FCC