Toggle navigation
FCC.report
IBFS
ELS
FCC ID
Contact
About
NS610605
FCC ID
Equipment:
Manley Toys Ltd 10605
8/F Hong Kong Spinners Industrial Bldg 818 Cheung Sha Wan Road, Kowloon, N/A N/A Hong Kong
FCC.report
›
FCC ID
›
Manley Toys Ltd
›
NS610605
Application
Frequency Range
Final Action Date
Granted
SuSUA4vgPjN/mWdC3dVdLg==
49.82-49.9
1999-07-01
APPROVED
File Name
Document Type
Date
Direct
MANUAL
Users Manual
1999-07-01 00:00:00
jpeg
BANDWIDTH
Test Report
1999-07-01 00:00:00
jpeg
EQUIPMENT LIST
Test Report
1999-07-01 00:00:00
pdf
TEST REPORT
Test Report
1999-07-01 00:00:00
pdf
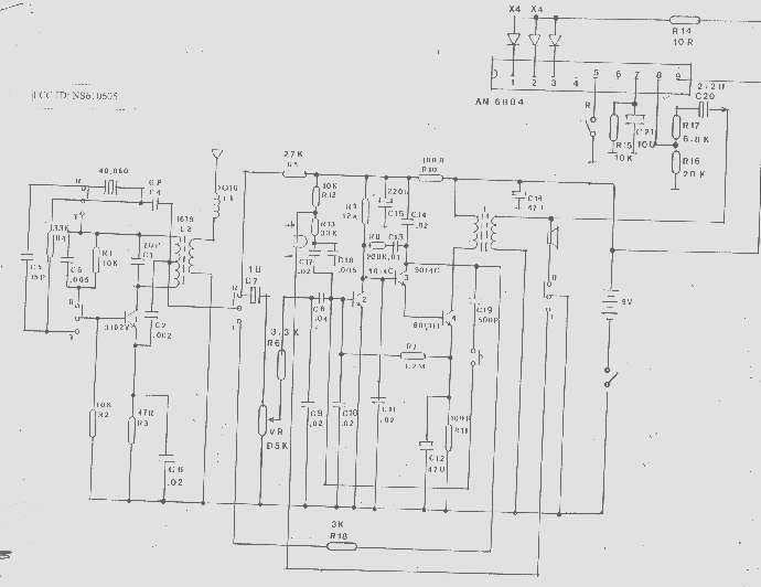
CIRCUIT
Schematics
1999-07-01 00:00:00
jpeg
PARTS
Parts List/Tune Up Info
1999-07-01 00:00:00
jpeg
INTERNAL PHOTO1
Internal Photos
1999-07-01 00:00:00
jpeg
LABEL LOCATION
ID Label/Location Info
1999-07-01 00:00:00
jpeg
FCC LABEL
ID Label/Location Info
1999-07-01 00:00:00
jpeg
PHOTO WITH ID
ID Label/Location Info
1999-07-01 00:00:00
jpeg
EXTERNAL PHOTO
External Photos
1999-07-01 00:00:00
jpeg
APPOINT LETTER
Cover Letter(s)
1999-07-01 00:00:00
jpeg
BLOCK DIAGRAM
Block Diagram
1999-07-01 00:00:00
jpeg
ATTESTATION
Attestation Statements
1999-07-01 00:00:00
jpeg
Application Details:
Equipment
FRN
0017982976
Grantee Code
NS6
Product Code
10605
Applicant Business
Manley Toys Ltd
Business Address
8/F Hong Kong Spinners Industrial Bldg 818 Cheung Sha Wan Road, Kowloon,N/A Hong Kong
TCB Scope
TCB Email
Applicant
Eric Cheng – QA Manager
Applicant Phone
Applicant Fax
852 2744-9000
Applicant Email
[email protected]
Applicant MailStop
Test Firm
Hong Kong Standards & Testing Cen.
Test Firm Contact
Wilson Wong
Test Firm Phone
Test Firm Fax
852-2664-4353
Test Firm Email
[email protected]
Certified By
PATRICK WONG – EED MANAGER
© 2026 FCC.report
This site is not affiliated with or endorsed by the FCC