Toggle navigation
FCC.report
IBFS
ELS
FCC ID
Contact
About
NNKECTX
FCC ID
Equipment:
Security Associates International Inc ECTX
dba J. Technology 1120 Holland Drive, Suite 12, Boca Raton, FL 33457 United States
FCC.report
›
FCC ID
›
Security Associates International Inc
›
NNKECTX
Application
Frequency Range
Final Action Date
Granted
L1xKVVcg33B2MiF0nM7erA==
304.0-305.0
1999-01-06
APPROVED
File Name
Document Type
Date
Direct
Radiated Emission Data
Test Report
1999-01-06 00:00:00
pdf
Radiated Emissions test data and test procedure
Test Report
1999-01-06 00:00:00
pdf
Radiated Emissions Test data
Test Report
1999-01-06 00:00:00
pdf
Solder Side Internal Photo
Internal Photos
1999-01-06 00:00:00
jpeg
Duty Cycle Plot
Test Report
1999-01-06 00:00:00
jpeg
Radiated Emissions Test Data
Test Report
1999-01-06 00:00:00
pdf
COPPER SIDE INTERNAL PHOTO
Internal Photos
1999-01-06 00:00:00
jpeg
COMPONENT SIDE INTERNAL PHOTO
Internal Photos
1999-01-06 00:00:00
jpeg
REAR VIEW EXTERNAL PHOTO
External Photos
1999-01-06 00:00:00
jpeg
FRONT VIEW EXTERNAL PHOTO
External Photos
1999-01-06 00:00:00
jpeg
OCCUPIED BANDWIDTH PLOT
Test Report
1999-01-06 00:00:00
jpeg
DUTY CYCLE PLOT
Test Report
1999-01-06 00:00:00
jpeg
DUTY CYCLE PLOT LARGE PULSES
Test Report
1999-01-06 00:00:00
jpeg
DUTY CYCLE PLOT SMALL PULSES
Test Report
1999-01-06 00:00:00
jpeg
SKETCH OF FCC ID LABEL LOCATION
ID Label/Location Info
1999-01-06 00:00:00
jpeg
FCC ID LABEL SAMPLE
ID Label/Location Info
1999-01-06 00:00:00
jpeg
USERS MANUAL PAGE TWO
Users Manual
1999-01-06 00:00:00
jpeg
USERS MANUAL PAGE ONE
Users Manual
1999-01-06 00:00:00
jpeg
PARTS LIST
Parts List/Tune Up Info
1999-01-06 00:00:00
jpeg
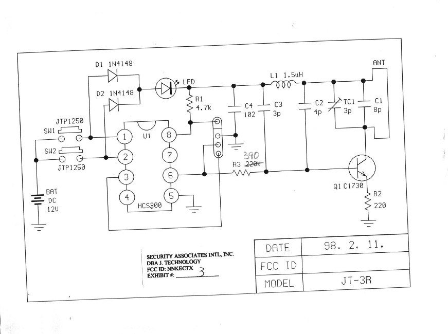
SCHEMATIC
Schematics
1999-01-06 00:00:00
jpeg
BLOCK DIAGRAM
Block Diagram
1999-01-06 00:00:00
jpeg
POWER OF ATTORNEY LETTER
Cover Letter(s)
1999-01-06 00:00:00
jpeg
TEST REPORT INCLUDING TABLE OF CONTENTS PAGE
Test Report
1999-01-06 00:00:00
pdf
Application Details:
Equipment
AUTOMOBILE SECURITY TRANSMITTER
FRN
0008899502
Grantee Code
NNK
Product Code
ECTX
Applicant Business
Security Associates International Inc
Business Address
dba J. Technology 1120 Holland Drive, Suite 12, Boca Raton,Florida United States 33457
TCB Scope
TCB Email
Applicant
Andrew T. Wiggins – President
Applicant Phone
Applicant Fax
561 998-0234
Applicant Email
Applicant MailStop
Test Firm
Timco Engineering, Inc.
Test Firm Contact
Sid Sanders
Test Firm Phone
Test Firm Fax
352-472-2030
Test Firm Email
[email protected]
Certified By
S. S. SANDERS – ENGINEER
© 2026 FCC.report
This site is not affiliated with or endorsed by the FCC