Toggle navigation
FCC.report
IBFS
ELS
FCC ID
Contact
About
NLKTMI8089949T
FCC ID
Equipment:
Toymax Inc TMI8089949T
125 E. Bethpage Road, Plainview, NY 11803 United States
FCC.report
›
FCC ID
›
Toymax Inc
›
NLKTMI8089949T
Application
Frequency Range
Final Action Date
Granted
Ag4TXYU51LiDrEvgK6WUDA==
49.82-49.9
1998-07-24
APPROVED
File Name
Document Type
Date
Direct
Loud Voice Occupied Bandwidth Plot
Test Report
1998-07-24 00:00:00
jpeg
CW Occupied Bandwidth Plot
Test Report
1998-07-24 00:00:00
jpeg
Copper Side Internal Photo
Internal Photos
1998-07-24 00:00:00
jpeg
Component Side Internal Photo
Internal Photos
1998-07-24 00:00:00
jpeg
Back View External Photo
External Photos
1998-07-24 00:00:00
jpeg
Front View External Photo
External Photos
1998-07-24 00:00:00
jpeg
Users Manual pg two
Users Manual
1998-07-24 00:00:00
jpeg
Users Manual pg one
Users Manual
1998-07-24 00:00:00
jpeg
Sketch of FCC ID Label Location
ID Label/Location Info
1998-07-24 00:00:00
jpeg
FCC ID Label Sample
ID Label/Location Info
1998-07-24 00:00:00
jpeg
Parts List
Parts List/Tune Up Info
1998-07-24 00:00:00
jpeg
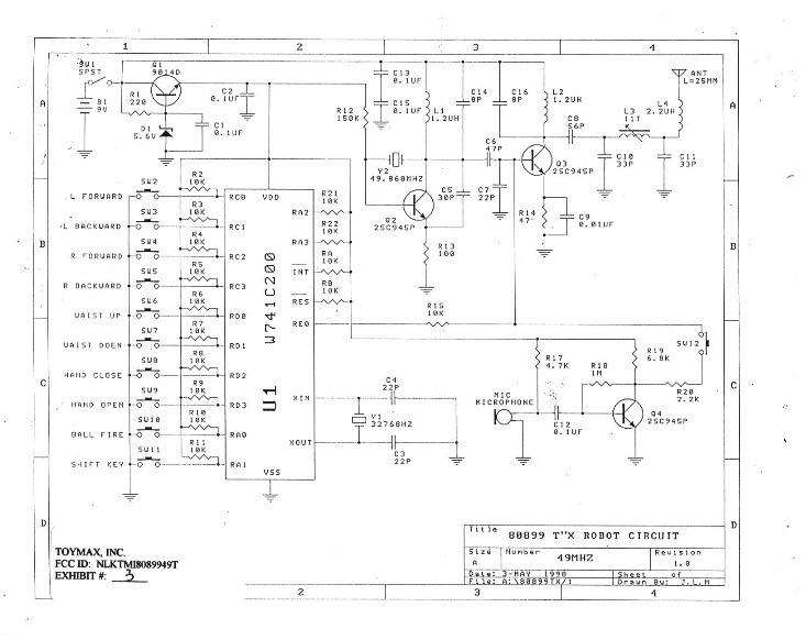
Schematic
Schematics
1998-07-24 00:00:00
jpeg
Block Diagram
Block Diagram
1998-07-24 00:00:00
jpeg
Power of Attorney Letter
Cover Letter(s)
1998-07-24 00:00:00
pdf
Test Report including Table of contents list
Test Report
1998-07-24 00:00:00
pdf
Application Details:
Equipment
49 MHZ REMOTE CONTROL TRANSMITTER
FRN
0005823992
Grantee Code
NLK
Product Code
TMI8089949T
Applicant Business
Toymax Inc
Business Address
125 E. Bethpage Road , Plainview,New York United States 11803
TCB Scope
TCB Email
Applicant
Wai Tam –
Applicant Phone
310
Applicant Fax
N/A
Applicant Email
N/A
Applicant MailStop
Test Firm
Timco Engineering, Inc.
Test Firm Contact
Sid Sanders
Test Firm Phone
Test Firm Fax
352-472-2030
Test Firm Email
[email protected]
Certified By
S. S. SANDERS – ENGINEER
© 2026 FCC.report
This site is not affiliated with or endorsed by the FCC