Toggle navigation
FCC.report
IBFS
ELS
FCC ID
Contact
About
NL9CVS-240TC
FCC ID
Equipment:
Smile Communication Inc CVS-240TC
6F-1, 66 Nankan Rd., Sec. 2 Luchu Hsiang, Taoyuan Hsien, N/A N/A Taiwan
FCC.report
›
FCC ID
›
Smile Communication Inc
›
NL9CVS-240TC
Application
Frequency Range
Final Action Date
Granted
ocsa2FDRndjgHHbPgiKdgg==
2410.0-2410.0
1998-02-02
APPROVED
ocsa2FDRndjgHHbPgiKdgg==
2430.0-2430.0
1998-02-02
APPROVED
ocsa2FDRndjgHHbPgiKdgg==
2450.0-2450.0
1998-02-02
APPROVED
ocsa2FDRndjgHHbPgiKdgg==
2470.0-2470.0
1998-02-02
APPROVED
hemXJzpKAXJFuKlakZxClA==
2410.0-2470.0
1999-12-29
APPROVED
File Name
Document Type
Date
Direct
Operation Description
Operational Description
1999-12-29 00:00:00
pdf
Authorization Letter
Cover Letter(s)
1999-12-29 00:00:00
jpeg
Rear View of Adaptor P05
External Photos
1999-12-29 00:00:00
jpeg
Front View of Adaptor P04
External Photos
1999-12-29 00:00:00
jpeg
Bottom View P03
External Photos
1999-12-29 00:00:00
jpeg
Rear View P02
External Photos
1999-12-29 00:00:00
jpeg
Front View P01
External Photos
1999-12-29 00:00:00
jpeg
User Manual 08
Users Manual
1999-12-29 00:00:00
jpeg
User Manual 07
Users Manual
1999-12-29 00:00:00
jpeg
User Manual 06
Users Manual
1999-12-29 00:00:00
jpeg
User Manual 05
Users Manual
1999-12-29 00:00:00
jpeg
User Manual 04
Users Manual
1999-12-29 00:00:00
jpeg
User Manual 03
Users Manual
1999-12-29 00:00:00
jpeg
User Manual 02
Users Manual
1999-12-29 00:00:00
jpeg
User Manual 01
Users Manual
1999-12-29 00:00:00
jpeg
FCC ID Labeling
ID Label/Location Info
1999-12-29 00:00:00
jpeg
Appendix 2 Band Edges Plotted 02
Test Report
1999-12-29 00:00:00
jpeg
Appendix 2 Band Edges Plotted 01
Test Report
1999-12-29 00:00:00
jpeg
Appendix 1 Couducted Plotted 06
Test Report
1999-12-29 00:00:00
jpeg
Appendix 1 Couducted Plotted 05
Test Report
1999-12-29 00:00:00
jpeg
Appendix 1 Conducted Plotted 04
Test Report
1999-12-29 00:00:00
jpeg
Appendix 1 Conducted Plotted 03
Test Report
1999-12-29 00:00:00
jpeg
Appendix 1 Conducted Plotted 02
Test Report
1999-12-29 00:00:00
jpeg
Appendix 1 Conducted Plotted 01
Test Report
1999-12-29 00:00:00
jpeg
Test Report
Test Report
1999-12-29 00:00:00
pdf
Solder View of Power Board P017
Internal Photos
1999-12-29 00:00:00
jpeg
Component View of Power Board P016
Internal Photos
1999-12-29 00:00:00
jpeg
Disassembled View of Adaptor P015
Internal Photos
1999-12-29 00:00:00
jpeg
Solder View of PCB 2 P014
Internal Photos
1999-12-29 00:00:00
jpeg
Component View of PCB 2 P013
Internal Photos
1999-12-29 00:00:00
jpeg
Solder View of PCB 1 P012
Internal Photos
1999-12-29 00:00:00
jpeg
Component View of PCB 1 P011
Internal Photos
1999-12-29 00:00:00
jpeg
Solder View of Display Board P10
Internal Photos
1999-12-29 00:00:00
jpeg
Component View of Display Board P09
Internal Photos
1999-12-29 00:00:00
jpeg
The CCD Camera Board 2 P08
Internal Photos
1999-12-29 00:00:00
jpeg
The CCD Camera Board 1 P07
Internal Photos
1999-12-29 00:00:00
jpeg
Solder View of RF Board P06
Internal Photos
1999-12-29 00:00:00
jpeg
Component View of RF Board P05
Internal Photos
1999-12-29 00:00:00
jpeg
Solder View of Main Board P04
Internal Photos
1999-12-29 00:00:00
jpeg
Component View of Main Board P03
Internal Photos
1999-12-29 00:00:00
jpeg
Disassembled View 2 P02
Internal Photos
1999-12-29 00:00:00
jpeg
Disassembled View 1 P01
Internal Photos
1999-12-29 00:00:00
jpeg
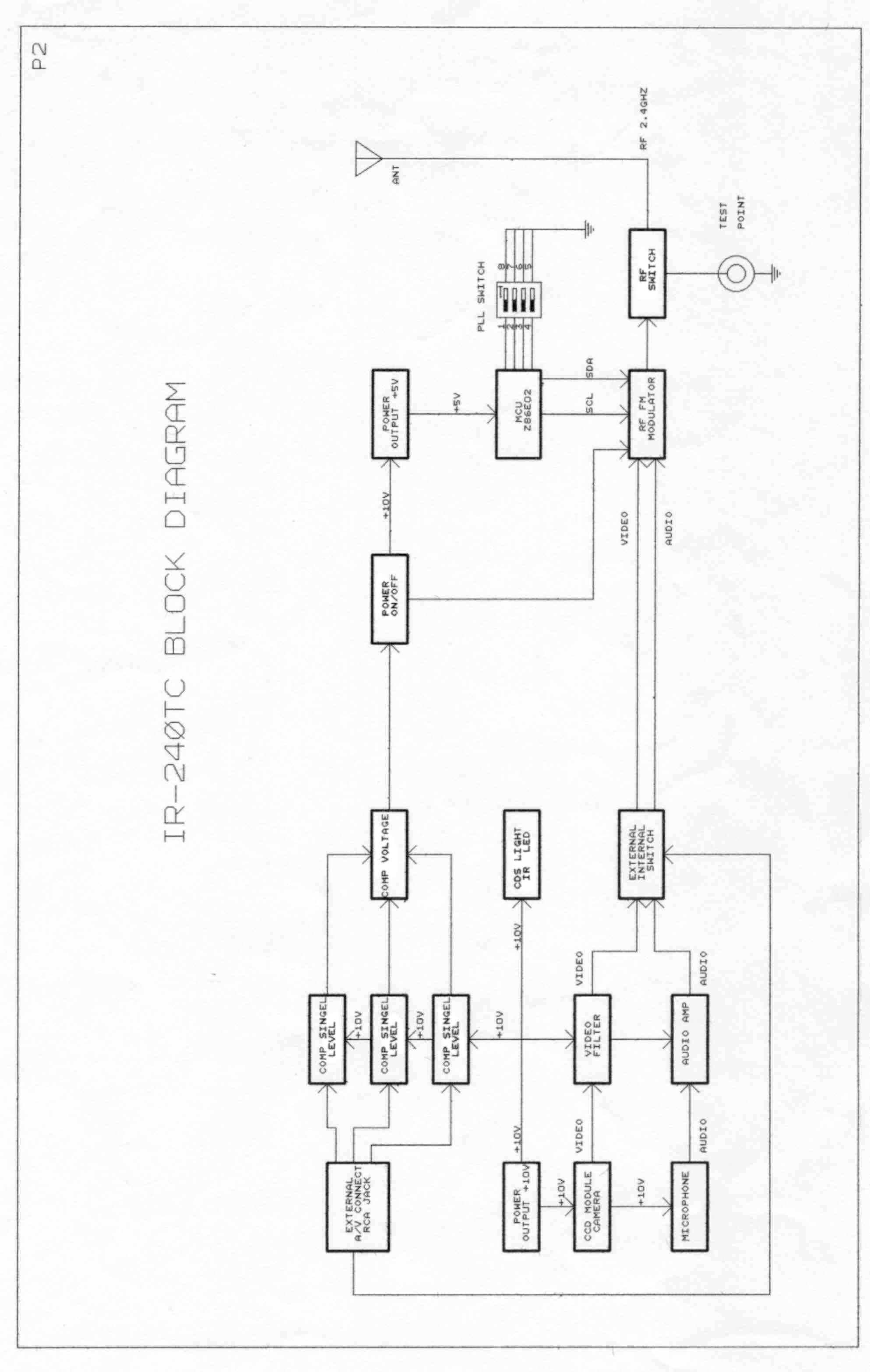
Block Diagram 02
Block Diagram
1999-12-29 00:00:00
jpeg
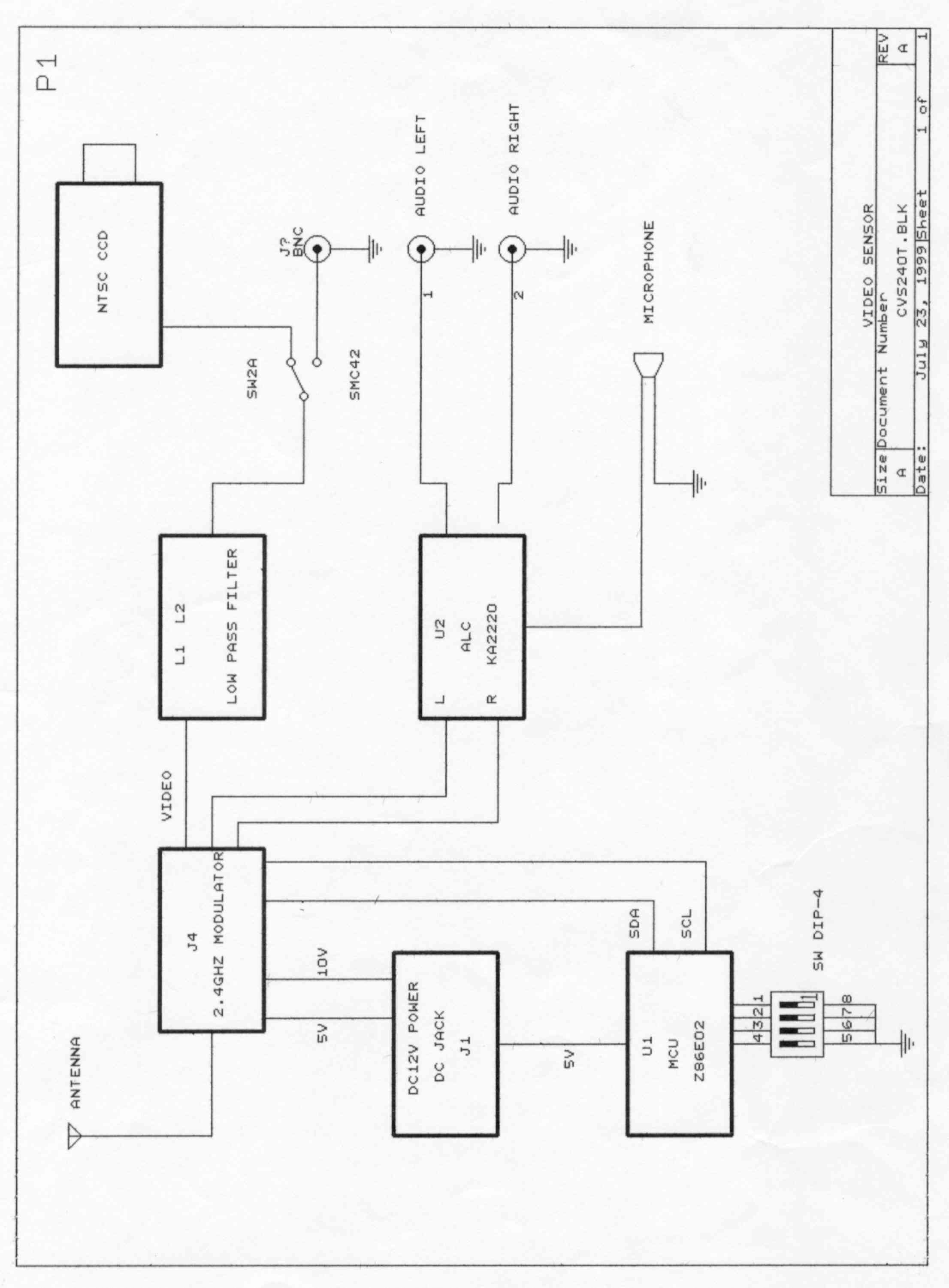
Block Diagram 01
Block Diagram
1999-12-29 00:00:00
jpeg
Application Details:
Equipment
FRN
9999999999
Grantee Code
NL9
Product Code
CVS-240TC
Applicant Business
Smile Communication Inc
Business Address
6F-1, 66 Nankan Rd., Sec. 2 Luchu Hsiang , Taoyuan Hsien,N/A Taiwan
TCB Scope
TCB Email
Applicant
Hung L. Yang – President
Applicant Phone
Applicant Fax
886 3 352-5523
Applicant Email
Applicant MailStop
Test Firm
Electronics Testing Center, Taiwan
Test Firm Contact
Will Yauo
Test Firm Phone
Test Firm Fax
886-3-3280034
Test Firm Email
[email protected]
Certified By
S. S. LIOU – EMI ENGINEER
© 2026 FCC.report
This site is not affiliated with or endorsed by the FCC