NI3SN920U

FCC ID

Equipment:

Senao International Co Ltd SN920U

No. 500, Fusing 3rd Rd., Hwa-Ya Technical Park, Kuei-Shan Hsiang,, Taoyuan County, N/A 333 Taiwan

Application
Frequency Range
Final Action Date
Granted
rAwrspM4z2CWWvaa/FPhsQ==
902.12-927.79
2000-08-02
APPROVED
File NameDocument TypeDateDirect
reuploaded test reportTest Report 2000-08-02 00:00:00 pdf
appendix of test reportTest Report 2000-08-02 00:00:00 pdf
plotted data for duty factorTest Report 2000-08-02 00:00:00 pdf
ch used total handsetSchematics 2000-08-02 00:00:00 jpeg
ch spacing handset lSchematics 2000-08-02 00:00:00 jpeg
Revised user manualUsers Manual 2000-08-02 00:00:00 pdf
SAR test report for HandsetRF Exposure Info 2000-08-02 00:00:00 pdf
Corrected MPE test reportRF Exposure Info 2000-08-02 00:00:00 pdf
RADIATION SETUP PHOTOSTest Setup Photos 2000-08-02 00:00:00 jpeg
CONDUCTION SETUP PHOTOSTest Setup Photos 2000-08-02 00:00:00 jpeg
OPERATION DESCRIPTIONOperational Description 2000-08-02 00:00:00 jpeg
SAR REPORTRF Exposure Info 2000-08-02 00:00:00 pdf
MPE REPORTRF Exposure Info 2000-08-02 00:00:00 pdf
ANNEX1 SPECOperational Description 2000-08-02 00:00:00 jpeg
AUTHORIZATION LETTERCover Letter(s) 2000-08-02 00:00:00 jpeg
HANDSET UNIT ID LABELID Label/Location Info 2000-08-02 00:00:00 jpeg
BASE UNIT ID LABELID Label/Location Info 2000-08-02 00:00:00 jpeg
HANDSET UNIT OUTLOOK 06External Photos 2000-08-02 00:00:00 jpeg
HANDSET UNIT OUTLOOK 05External Photos 2000-08-02 00:00:00 jpeg
HANDSET UNIT OUTLOOK 04External Photos 2000-08-02 00:00:00 jpeg
HANDSET UNIT OUTLOOK 03External Photos 2000-08-02 00:00:00 jpeg
HANDSET UNIT OUTLOOK 02External Photos 2000-08-02 00:00:00 jpeg
HANDSET UNIT OUTLOOK 01External Photos 2000-08-02 00:00:00 jpeg
HANDSET UNIT ADAPTOR OUTLOOKExternal Photos 2000-08-02 00:00:00 jpeg
BASE UNIT OUTLOOK 02External Photos 2000-08-02 00:00:00 jpeg
BASE UNIT OUTLOOK 01External Photos 2000-08-02 00:00:00 jpeg
BASE UNIT ADAPTOR OUTLOOKExternal Photos 2000-08-02 00:00:00 jpeg
CIRCUIT DIAGRAM HANDSET 02Schematics 2000-08-02 00:00:00 jpeg
CIRCUIT DIAGRAM HANDSET 01Schematics 2000-08-02 00:00:00 jpeg
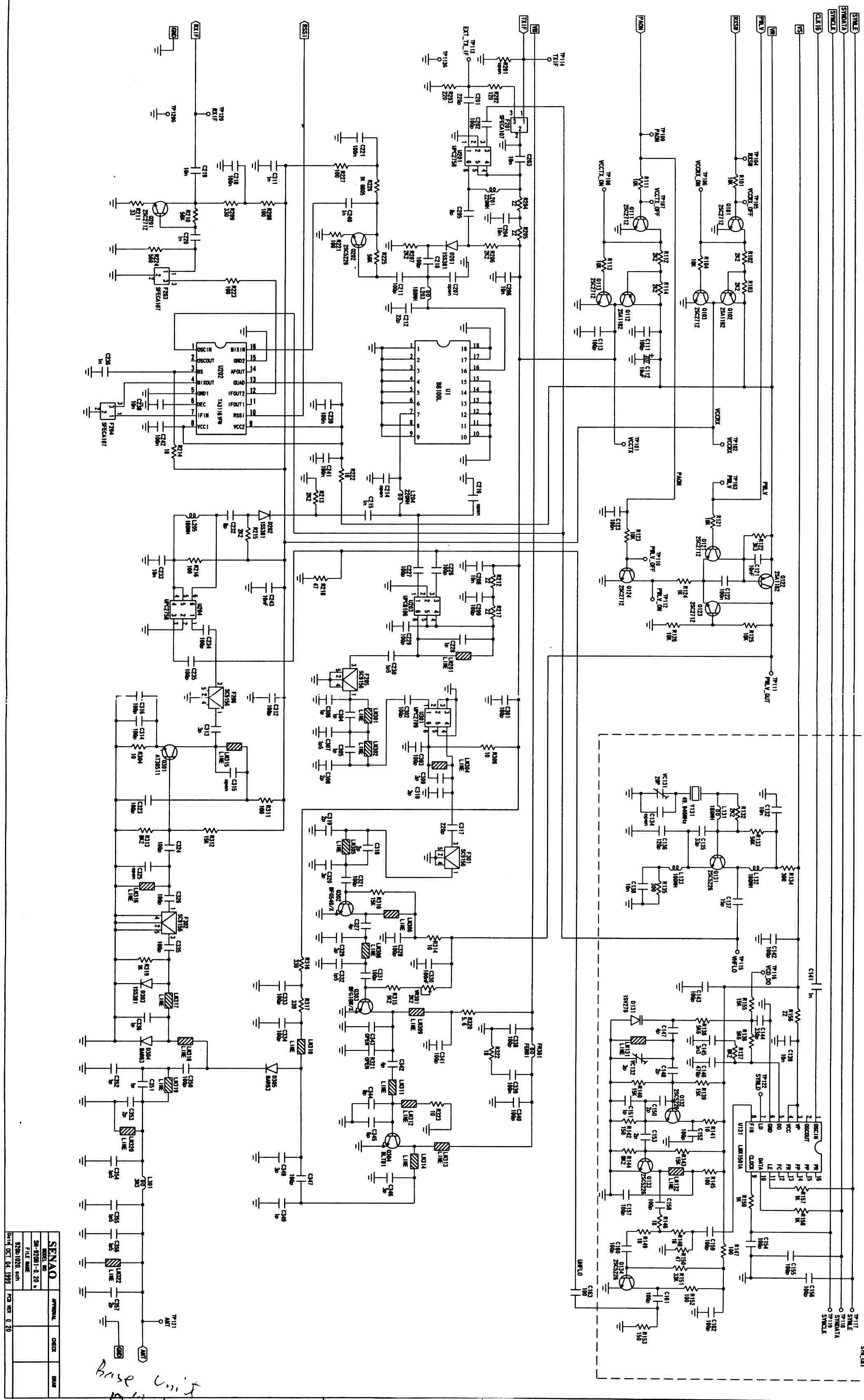
CIRCUIT DIAGRAM BASE 02Schematics 2000-08-02 00:00:00 jpeg
CIRCUIT DIAGRAM BASE 01Schematics 2000-08-02 00:00:00 jpeg
HANDSET RF PCB 1Internal Photos 2000-08-02 00:00:00 jpeg
HANDSET MAIN PCBInternal Photos 2000-08-02 00:00:00 jpeg
SOLDER HANDSET KEY PCBInternal Photos 2000-08-02 00:00:00 jpeg
COMPONENT HANDSET KEY PCBInternal Photos 2000-08-02 00:00:00 jpeg
NAHDSET FIXED ANTENNAInternal Photos 2000-08-02 00:00:00 jpeg
HANDSET UNIT DISASSEMBLE 3Internal Photos 2000-08-02 00:00:00 jpeg
COMPONENT HANDSET UNIT CHARGERInternal Photos 2000-08-02 00:00:00 jpeg
BASE UNIT OUTDOOR ANTENNAInternal Photos 2000-08-02 00:00:00 jpeg
SOLDER BASE UNITE MAIN BOARDInternal Photos 2000-08-02 00:00:00 jpeg
COMPONENT BASE UNIT MIAN BOARDInternal Photos 2000-08-02 00:00:00 jpeg
BASE UNIT INDOOR ANTENNAInternal Photos 2000-08-02 00:00:00 jpeg
BASE UNIT DISASSEMBLE 1Internal Photos 2000-08-02 00:00:00 jpeg
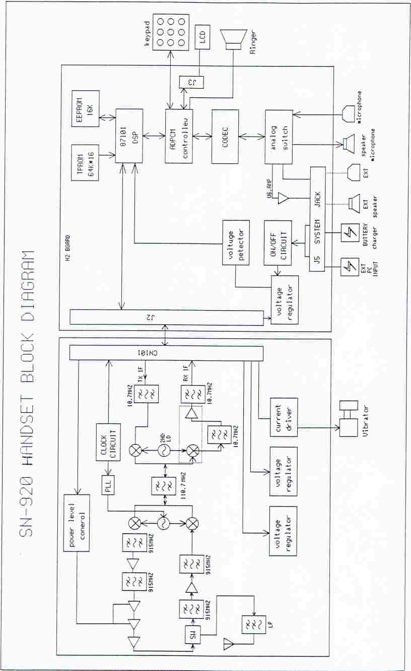
BLOCK DIAGRAM 2Block Diagram 2000-08-02 00:00:00 jpeg
BLOCK DIAGRAM 1Block Diagram 2000-08-02 00:00:00 jpeg

Application Details:

EquipmentA SPREAD SPECTRUM Telephone
FRN0007846843
Grantee CodeNI3
Product Code-SN-920U
Applicant BusinessSenao International Co Ltd
Business AddressNo. 500, Fusing 3rd Rd., Hwa-Ya Technical Park, Kuei-Shan Hsiang,, Taoyuan County,N/A Taiwan 333
TCB Scope
TCB Email
ApplicantHavin Lu – Director
Applicant Phone
Applicant Fax886 3 328 9666
Applicant Email[email protected]
Applicant MailStop
Test FirmElectronics Testing Center, Taiwan
Test Firm ContactWill Yauo
Test Firm Phone
Test Firm Fax886-3-3280034
Test Firm Email[email protected]
Certified ByTIEN LU LIAU – EMI ENGINEER

© 2026 FCC.report
This site is not affiliated with or endorsed by the FCC