N9Z303

FCC ID

Equipment:

Ewig Industries Macao Commercial Offshore Limited 303

Avenida Da Praia Grande No. 619, EDF.Comercial Si, Macau, N/A N/A Macau

Application
Frequency Range
Final Action Date
Granted
pT8/SxqwG5dWTLnv+fNZGQ==
414.8-414.8
1999-06-30
APPROVED
File NameDocument TypeDateDirect
manual2Users Manual 1999-06-30 00:00:00 jpeg
manual1Users Manual 1999-06-30 00:00:00 jpeg
equipTest Report 1999-06-30 00:00:00 pdf
hm1905Test Report 1999-06-30 00:00:00 pdf
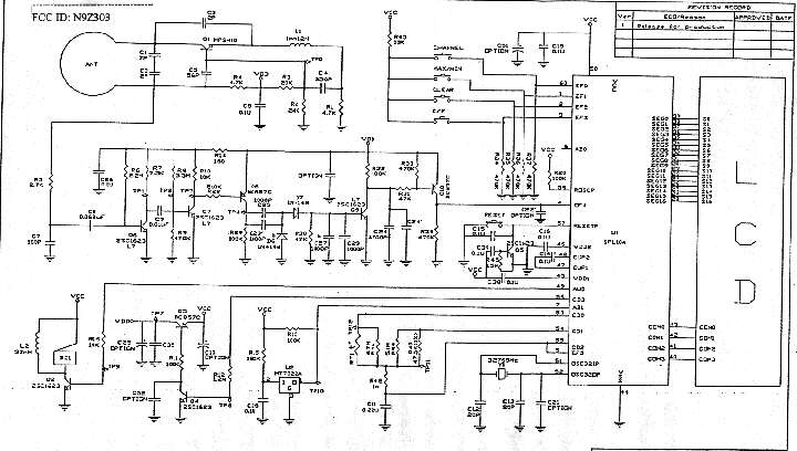
circuitSchematics 1999-06-30 00:00:00 jpeg
partsParts List/Tune Up Info 1999-06-30 00:00:00 jpeg
op5Operational Description 1999-06-30 00:00:00 jpeg
op4Operational Description 1999-06-30 00:00:00 jpeg
op3Operational Description 1999-06-30 00:00:00 jpeg
op2Operational Description 1999-06-30 00:00:00 jpeg
op1Operational Description 1999-06-30 00:00:00 jpeg
inphoto2Internal Photos 1999-06-30 00:00:00 jpeg
inphoto1Internal Photos 1999-06-30 00:00:00 jpeg
photo idID Label/Location Info 1999-06-30 00:00:00 jpeg
labelID Label/Location Info 1999-06-30 00:00:00 jpeg
exphotoExternal Photos 1999-06-30 00:00:00 jpeg
letterCover Letter(s) 1999-06-30 00:00:00 jpeg
attestAttestation Statements 1999-06-30 00:00:00 jpeg

Application Details:

Equipment
FRN0019628270
Grantee CodeN9Z
Product Code303
Applicant BusinessEwig Industries Macao Commercial Offshore Limited
Business AddressAvenida Da Praia Grande No. 619, EDF.Comercial Si , Macau,N/A Macau
TCB Scope
TCB Email
ApplicantLiu Binkky – Electronic Supervisor
Applicant Phone
Applicant Fax853-28704295
Applicant Email[email protected]
Applicant MailStop
Test Firm
Test Firm Contact
Test Firm Phone
Test Firm Fax
Test Firm Email
Certified ByPATRICK WONG – EED MANAGER

© 2026 FCC.report
This site is not affiliated with or endorsed by the FCC