N9Z289BF

FCC ID

Equipment:

Ewig Industries Macao Commercial Offshore Limited 289BF

Avenida Da Praia Grande No. 619, EDF.Comercial Si, Macau, N/A N/A Macau

Application
Frequency Range
Final Action Date
Granted
IA/+I+o00SdTtR7L1sq1hw==
433.87-433.87
1999-05-20
APPROVED
File NameDocument TypeDateDirect
MANUAL4Users Manual 1999-05-20 00:00:00 jpeg
MANUAL3Users Manual 1999-05-20 00:00:00 jpeg
MANUAL2Users Manual 1999-05-20 00:00:00 jpeg
MANUAL1Users Manual 1999-05-20 00:00:00 jpeg
BANDTest Report 1999-05-20 00:00:00 jpeg
KM0054ETest Report 1999-05-20 00:00:00 pdf
KM0054Test Report 1999-05-20 00:00:00 pdf
PARTS2Parts List/Tune Up Info 1999-05-20 00:00:00 jpeg
PARTS1Parts List/Tune Up Info 1999-05-20 00:00:00 jpeg
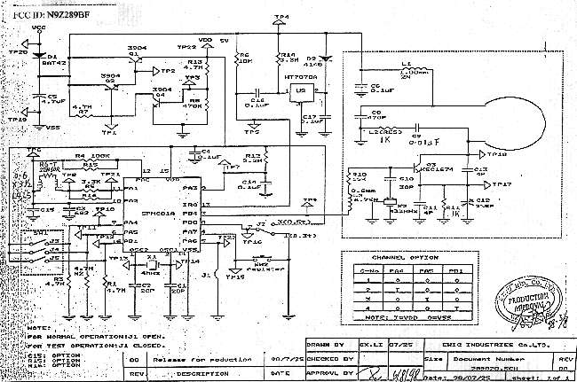
CIRCUITSchematics 1999-05-20 00:00:00 jpeg
OP4Operational Description 1999-05-20 00:00:00 jpeg
OP3Operational Description 1999-05-20 00:00:00 jpeg
OP2Operational Description 1999-05-20 00:00:00 jpeg
OP1Operational Description 1999-05-20 00:00:00 jpeg
INPHOTO1Internal Photos 1999-05-20 00:00:00 jpeg
INPHOTOInternal Photos 1999-05-20 00:00:00 jpeg
PHOTOIDID Label/Location Info 1999-05-20 00:00:00 jpeg
LABELID Label/Location Info 1999-05-20 00:00:00 jpeg
EXPHOTOExternal Photos 1999-05-20 00:00:00 jpeg
APPOINTCover Letter(s) 1999-05-20 00:00:00 jpeg
BDIGRAMBlock Diagram 1999-05-20 00:00:00 jpeg
ATTESTAttestation Statements 1999-05-20 00:00:00 jpeg
0054ID Label/Location Info 1999-05-20 00:00:00 jpeg

Application Details:

EquipmentRF REMOTE THERMO-SENSOR-TRANSMITTER
FRN0019628270
Grantee CodeN9Z
Product Code289BF
Applicant BusinessEwig Industries Macao Commercial Offshore Limited
Business AddressAvenida Da Praia Grande No. 619, EDF.Comercial Si , Macau,N/A Macau
TCB Scope
TCB Email
ApplicantLiu Binkky – Electronic Supervisor
Applicant Phone
Applicant Fax853-28704295
Applicant Email[email protected]
Applicant MailStop
Test FirmHong Kong Standards & Testing Cen.
Test Firm ContactWilson Wong
Test Firm Phone
Test Firm Fax852-2664-4353
Test Firm Email[email protected]
Certified ByPATRICK WONG – EED MANAGER

© 2026 FCC.report
This site is not affiliated with or endorsed by the FCC