MV3WR-104

FCC ID

Equipment:

Country Mate Technology Ltd WR-104

5/F, Blk E, Hing Yip Center. 31 Hing Yip Street, Kwun Tong, Kln, N/A N/A Hong Kong

Application
Frequency Range
Final Action Date
Granted
io/uJ4L3H+Gj6DKU6fyGJA==
162.4-162.55
1999-05-18
APPROVED
File NameDocument TypeDateDirect
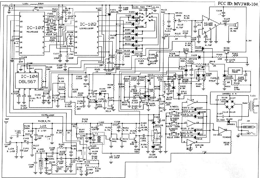
CIRCUIT1Schematics 1999-05-18 00:00:00 jpeg
BDIAGRAM1Block Diagram 1999-05-18 00:00:00 jpeg
BLOCK DIAGRAMBlock Diagram 1999-05-18 00:00:00 jpeg
BOCK DIAGRAMBlock Diagram 1999-05-18 00:00:00 jpeg
1317Test Report 1999-05-18 00:00:00 pdf
ID LabelID Label/Location Info 1999-05-18 00:00:00 jpeg
Label LocationID Label/Location Info 1999-05-18 00:00:00 jpeg
Authorization LetterCover Letter(s) 1999-05-18 00:00:00 jpeg

Application Details:

EquipmentAC/DC WEATHER ALERT RECEIVER
FRN9999999999
Grantee CodeMV3
Product CodeWR-104
Applicant BusinessCountry Mate Technology Ltd
Business Address5/F, Blk E, Hing Yip Factory Bldg. 31 Hing Yip Street, Kwun Tong, Kln,N/A Hong Kong
TCB Scope
TCB Email
ApplicantEric Chow – Managing Director
Applicant Phone
Applicant Fax
Applicant Email
Applicant MailStop
Test FirmHong Kong Standards & Testing Cen.
Test Firm ContactWilson Wong
Test Firm Phone
Test Firm Fax852-2664-4353
Test Firm Email[email protected]
Certified ByPATRICK WONG – EED MANAGER

© 2026 FCC.report
This site is not affiliated with or endorsed by the FCC