MMAG220

FCC ID

Equipment:

Midland Radio Corporation G220

5900 Parretta Drive, Kansas City, MO 64120-2134 United States

Application
Frequency Range
Final Action Date
Granted
rGoDANuxjsmxyiDghGpSAg==
462.55-462.725
2002-04-23
APPROVED
rGoDANuxjsmxyiDghGpSAg==
467.5625-467.7125
2002-04-23
APPROVED
File NameDocument TypeDateDirect
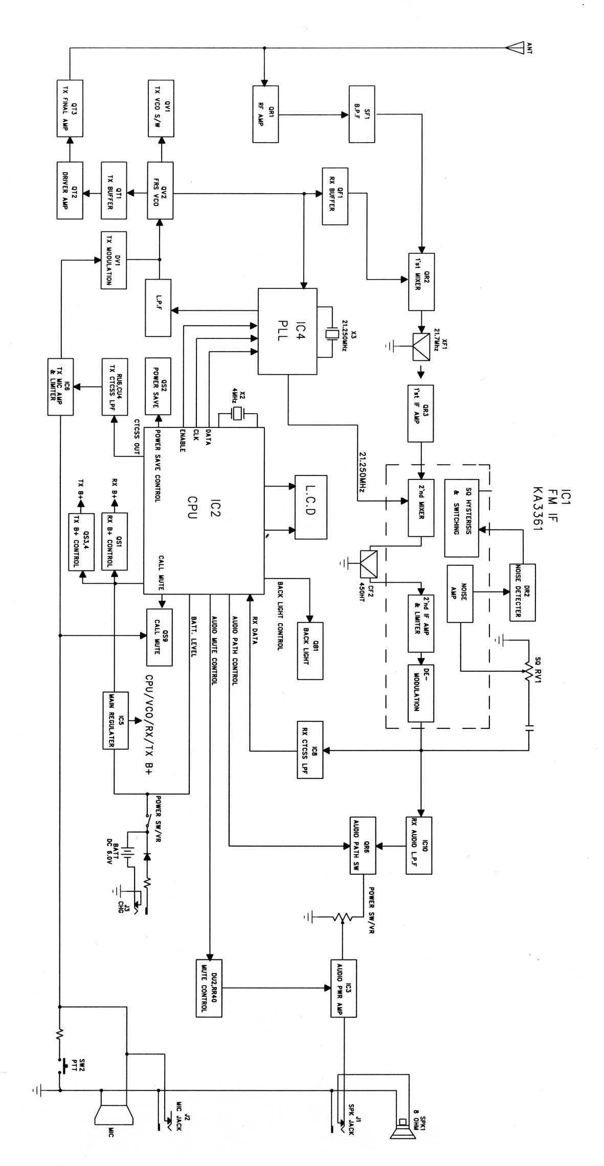
Schematic DiagramSchematics 2002-04-23 00:00:00 pdf
Top PCB without Shieldjpeg 2002-04-23 00:00:00 jpeg
Test Setup Photojpeg 2002-04-23 00:00:00 jpeg
Top PCB with Shieldjpeg 2002-04-23 00:00:00 jpeg
Bottom PCBjpeg 2002-04-23 00:00:00 jpeg
Transmitter AlignmentParts List/Tune Up Info 2002-04-23 00:00:00 pdf
Operational DescriptionOperational Description 2002-04-23 00:00:00 pdf
User InstructionsUsers Manual 2002-04-23 00:00:00 pdf
Test ReportTest Report 2002-04-23 00:00:00 pdf
External PhotosExternal Photos 2002-04-23 00:00:00 pdf
Block Diagramjpeg 2002-04-23 00:00:00 jpeg
FCC ID Label and Locationjpeg 2002-04-23 00:00:00 jpeg

Application Details:

EquipmentCombination FRS/GMRS Transceiver
FRN0005867551
Grantee CodeMMA
Product CodeG220
Applicant BusinessMidland Radio Corporation
Business Address5900 Parretta Drive , Kansas City,Missouri United States 64120-2134
TCB Scope
TCB Email
ApplicantJeff Brame – Director of Engineering
Applicant Phone 238
Applicant Fax816 241-5713
Applicant Email[email protected]
Applicant MailStop
Test FirmCarl T. Jones Corporation
Test Firm ContactCarl Jones
Test Firm Phone
Test Firm Fax1234567890
Test Firm Email[email protected]
Certified ByRowland S. Johnson – President

© 2026 FCC.report
This site is not affiliated with or endorsed by the FCC