MMAG15

FCC ID

Equipment:

Midland Radio Corporation G15

5900 Parretta Drive, Kansas City, MO 64120-2134 United States

Application
Frequency Range
Final Action Date
Granted
wRdXlH7Xm/ZUadTnyfSFHg==
462.55-462.725
2001-04-23
APPROVED
File NameDocument TypeDateDirect
Transmitter AlignmentParts List/Tune Up Info 2001-04-23 00:00:00 pdf
User InstructionsUsers Manual 2001-04-23 00:00:00 pdf
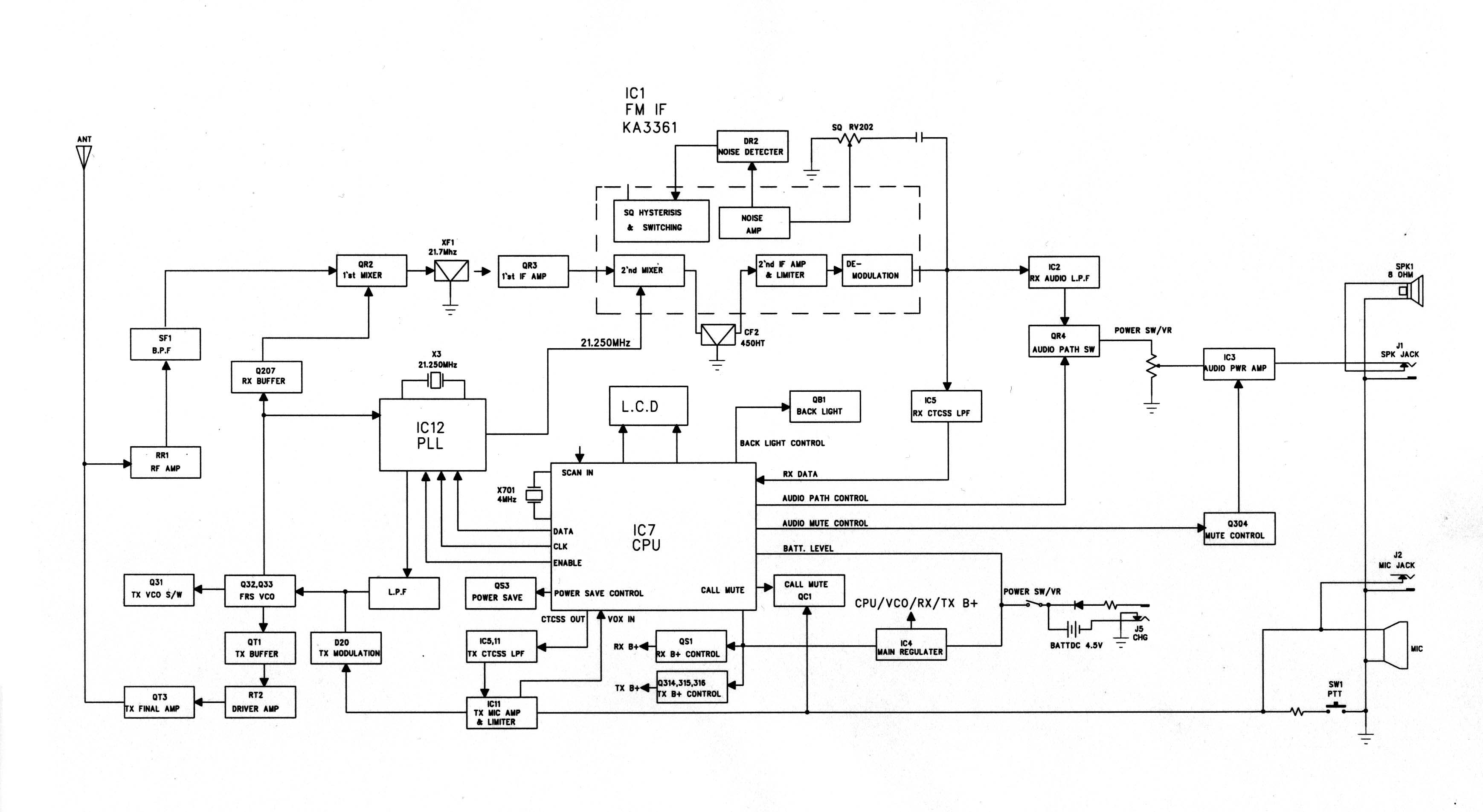
Block Diagramjpeg 2001-04-23 00:00:00 jpeg
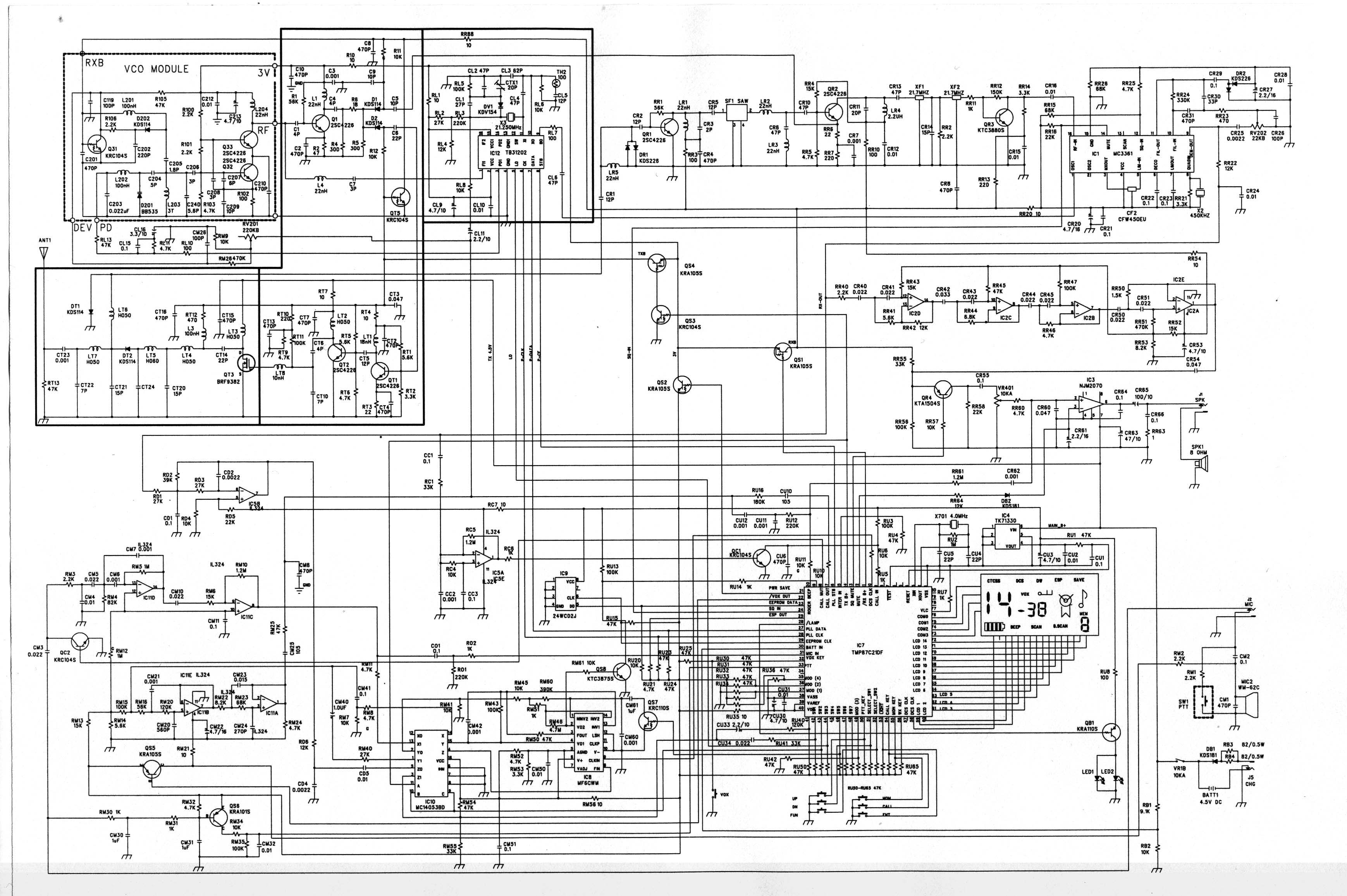
Schematic Diagramjpeg 2001-04-23 00:00:00 jpeg
Test ReportTest Report 2001-04-23 00:00:00 pdf
Internal PhotosInternal Photos 2001-04-23 00:00:00 pdf
External PhotosExternal Photos 2001-04-23 00:00:00 pdf
ID Label LocationID Label/Location Info 2001-04-23 00:00:00 pdf
FCC ID Labeljpeg 2001-04-23 00:00:00 jpeg

Application Details:

EquipmentGMRS Radio
FRN0005867551
Grantee CodeMMA
Product CodeG15
Applicant BusinessMidland Radio Corporation
Business Address5900 Parretta Drive , Kansas City,Missouri United States 64120-2134
TCB Scope
TCB Email
ApplicantJeff Brame – Director of Engineering
Applicant Phone 238
Applicant Fax816 241-5713
Applicant Email[email protected]
Applicant MailStop
Test FirmHyak Laboratories, Inc.
Test Firm ContactRowland Johnson
Test Firm Phone
Test Firm Fax
Test Firm Email
Certified ByRowland S. Johnson – President

© 2026 FCC.report
This site is not affiliated with or endorsed by the FCC