MMAFG1

FCC ID

Equipment:

Midland Radio Corporation FG1

5900 Parretta Drive, Kansas City, MO 64120-2134 United States

Application
Frequency Range
Final Action Date
Granted
oWdFOvgjE8C3iCVuDTphsg==
462.55-462.725
2002-03-18
APPROVED
oWdFOvgjE8C3iCVuDTphsg==
467.5625-467.7125
2002-03-18
APPROVED
File NameDocument TypeDateDirect
Alignment ProcedureOperational Description 2002-03-18 00:00:00 pdf
Test ReportTest Report 2002-03-18 00:00:00 pdf
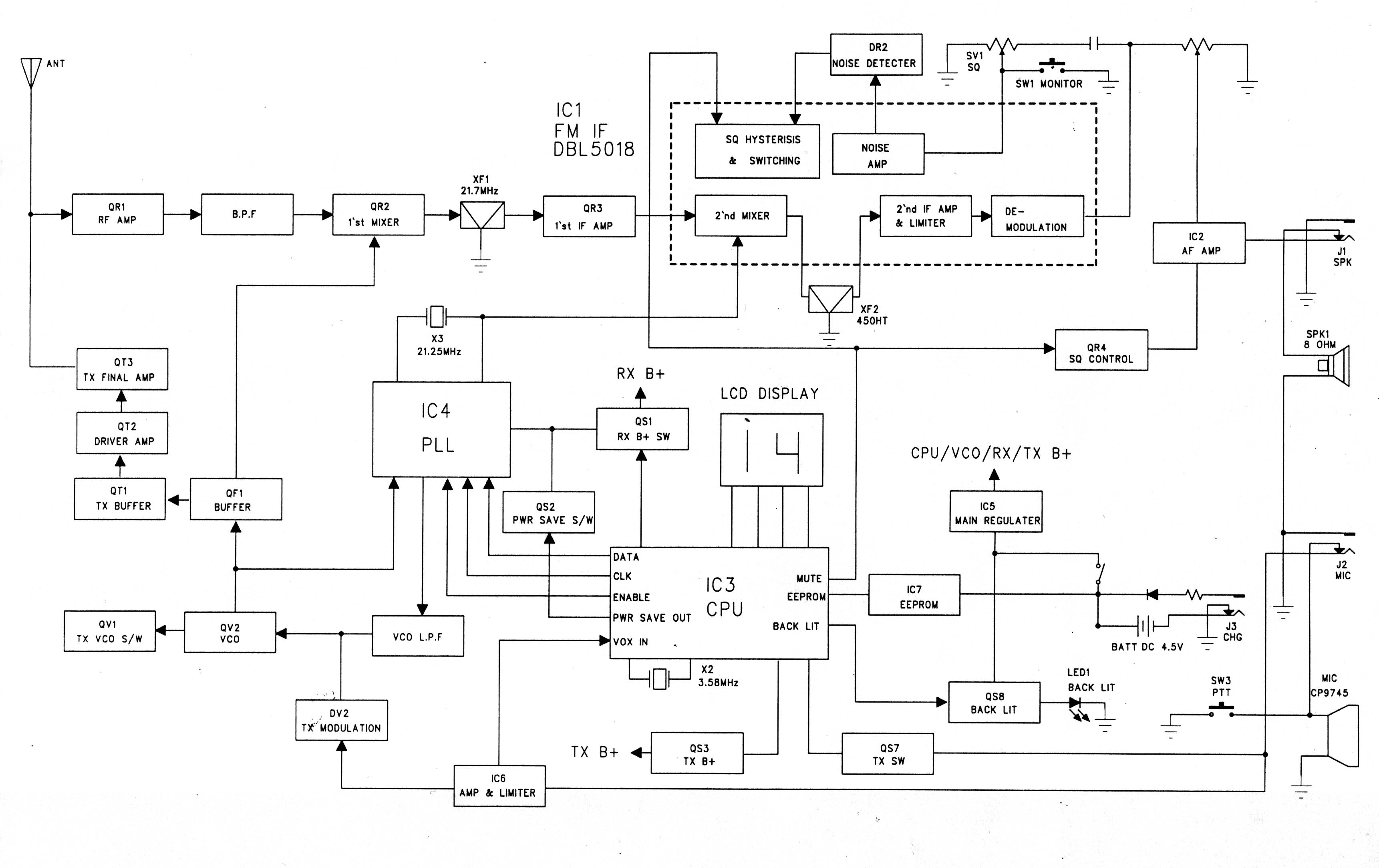
Schematic Diagramjpeg 2002-03-18 00:00:00 jpeg
Users ManualUsers Manual 2002-03-18 00:00:00 pdf
Internal PhotosInternal Photos 2002-03-18 00:00:00 pdf
External PhotosExternal Photos 2002-03-18 00:00:00 pdf
Block Diagramjpeg 2002-03-18 00:00:00 jpeg
ID Label and Locationjpeg 2002-03-18 00:00:00 jpeg

Application Details:

EquipmentFRS/GMRS Transceiver
FRN0005867551
Grantee CodeMMA
Product CodeFG1
Applicant BusinessMidland Radio Corporation
Business Address5900 Parretta Drive , Kansas City,Missouri United States 64120-2134
TCB Scope
TCB Email
ApplicantJeff Brame – Director of Engineering
Applicant Phone 238
Applicant Fax816 241-5713
Applicant Email[email protected]
Applicant MailStop
Test FirmCarl T. Jones Corporation
Test Firm ContactCarl Jones
Test Firm Phone
Test Firm Fax1234567890
Test Firm Email[email protected]
Certified ByRowland S. Johnson – President

© 2026 FCC.report
This site is not affiliated with or endorsed by the FCC