MMAF12

FCC ID

Equipment:

Midland Radio Corporation F12

5900 Parretta Drive, Kansas City, MO 64120-2134 United States

Application
Frequency Range
Final Action Date
Granted
8vqbfKZnHUeUFWhuPVCOIw==
462.5625-467.7125
2001-07-19
APPROVED
File NameDocument TypeDateDirect
Transmitter Alignment ProcedureOperational Description 2001-07-19 00:00:00 pdf
User ManualUsers Manual 2001-07-19 00:00:00 pdf
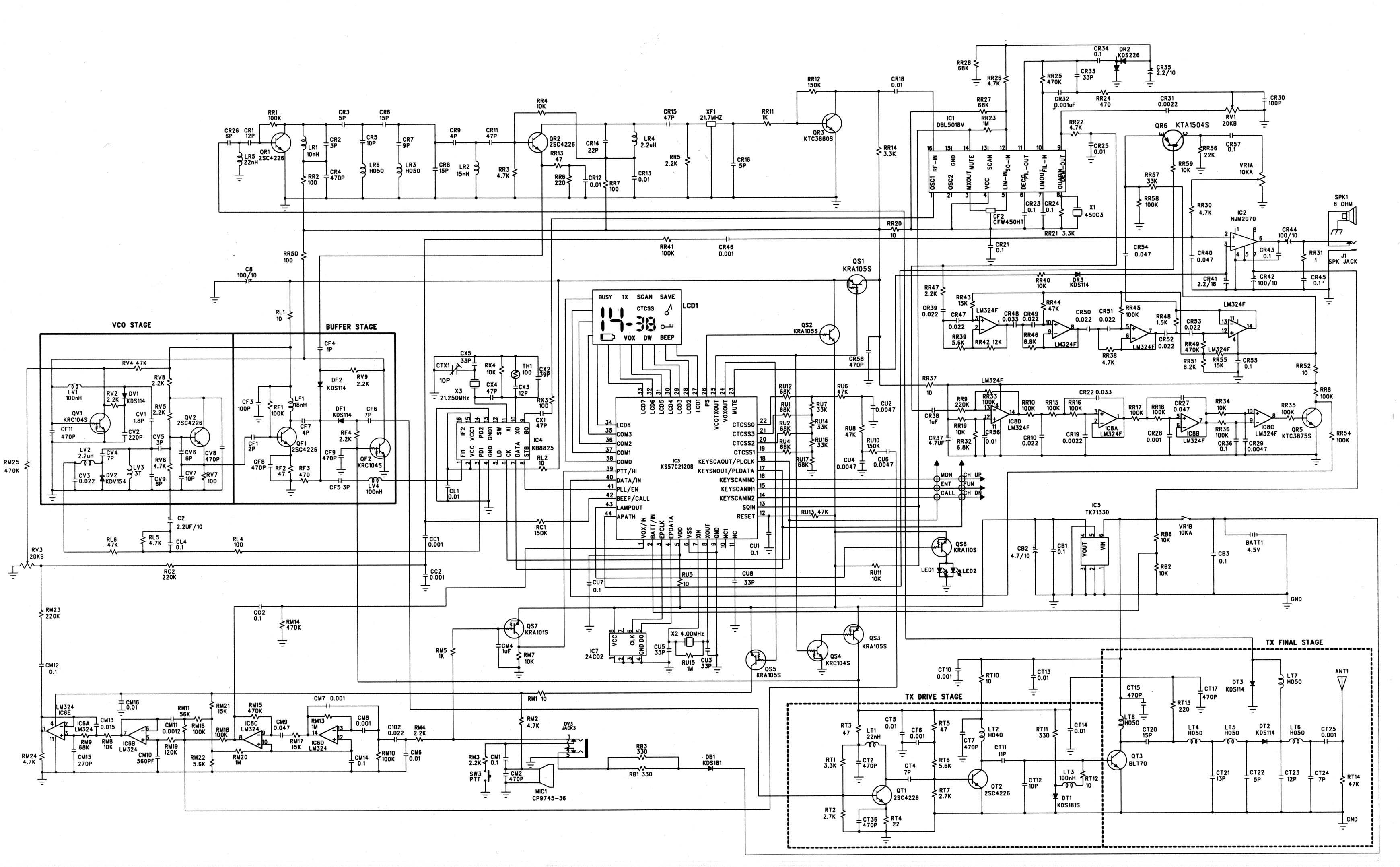
Schematic Diagramjpeg 2001-07-19 00:00:00 jpeg
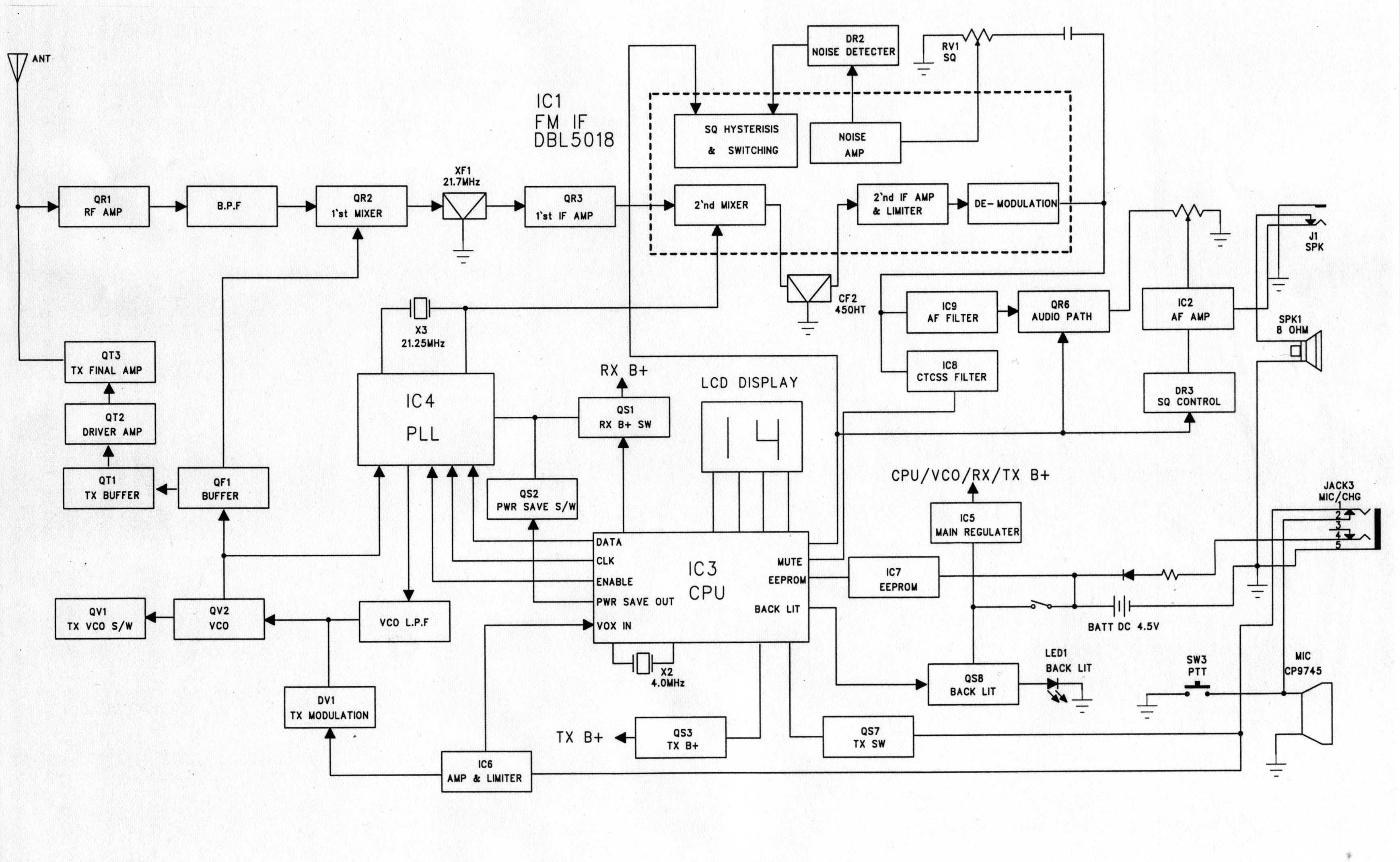
Block Diagramjpeg 2001-07-19 00:00:00 jpeg
Internal PhotosInternal Photos 2001-07-19 00:00:00 pdf
External PhotosExternal Photos 2001-07-19 00:00:00 pdf
Test ReportTest Report 2001-07-19 00:00:00 pdf
FCC ID Label and Locationjpeg 2001-07-19 00:00:00 jpeg

Application Details:

EquipmentFamily Radio Transceiver
FRN0005867551
Grantee CodeMMA
Product CodeF12
Applicant BusinessMidland Radio Corporation
Business Address5900 Parretta Drive , Kansas City,Missouri United States 64120-2134
TCB Scope
TCB Email
ApplicantJeff Brame – Director of Engineering
Applicant Phone 238
Applicant Fax816 241-5713
Applicant Email[email protected]
Applicant MailStop
Test FirmHyak Laboratories, Inc.
Test Firm ContactRowland Johnson
Test Firm Phone
Test Firm Fax
Test Firm Email
Certified ByRowland S. Johnson – President

© 2026 FCC.report
This site is not affiliated with or endorsed by the FCC