MMAF10

FCC ID

Equipment:

Midland Radio Corporation F10

5900 Parretta Drive, Kansas City, MO 64120-2134 United States

Application
Frequency Range
Final Action Date
Granted
fzVBin/1xvR1Qxyx2kGV6A==
462.5625-467.7125
2001-07-26
APPROVED
File NameDocument TypeDateDirect
Transmitter AlignmentOperational Description 2001-07-26 00:00:00 pdf
Users ManualUsers Manual 2001-07-26 00:00:00 pdf
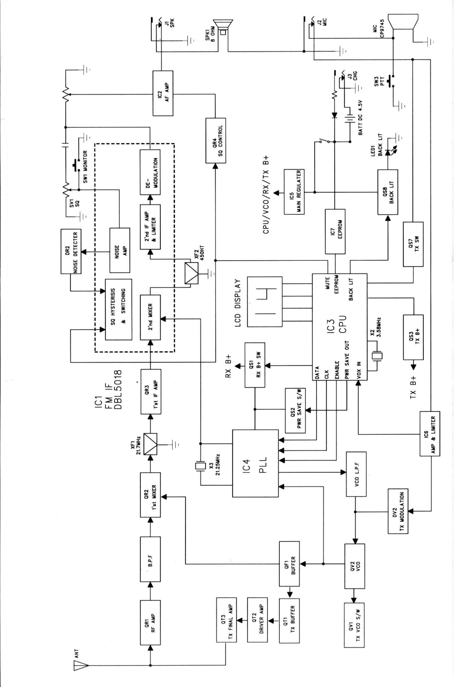
Block Diagramjpeg 2001-07-26 00:00:00 jpeg
Schematic Diagramjpeg 2001-07-26 00:00:00 jpeg
Internal PhotosInternal Photos 2001-07-26 00:00:00 pdf
External PhotosExternal Photos 2001-07-26 00:00:00 pdf
Test ReportTest Report 2001-07-26 00:00:00 pdf
FCC ID Label and Locationjpeg 2001-07-26 00:00:00 jpeg

Application Details:

EquipmentFamily Radio Transceiver
FRN0005867551
Grantee CodeMMA
Product CodeF10
Applicant BusinessMidland Radio Corporation
Business Address5900 Parretta Drive , Kansas City,Missouri United States 64120-2134
TCB Scope
TCB Email
ApplicantJeff Brame – Director of Engineering
Applicant Phone 238
Applicant Fax816 241-5713
Applicant Email[email protected]
Applicant MailStop
Test FirmHyak Laboratories, Inc.
Test Firm ContactRowland Johnson
Test Firm Phone
Test Firm Fax
Test Firm Email
Certified ByRowland S. Johnson – President

© 2026 FCC.report
This site is not affiliated with or endorsed by the FCC