MMA75511

FCC ID

Equipment:

Midland Radio Corporation 75511

5900 Parretta Drive, Kansas City, MO 64120-2134 United States

Application
Frequency Range
Final Action Date
Granted
uYxorHPrCraMLSmXsS4qkQ==
462.5625-467.7125
2000-09-29
APPROVED
File NameDocument TypeDateDirect
Revised User InstructionsUsers Manual 2000-09-29 00:00:00 pdf
FCC Inquiry ResponseCover Letter(s) 2000-09-29 00:00:00 pdf
Transmitter Alignment ProcedureParts List/Tune Up Info 2000-09-29 00:00:00 pdf
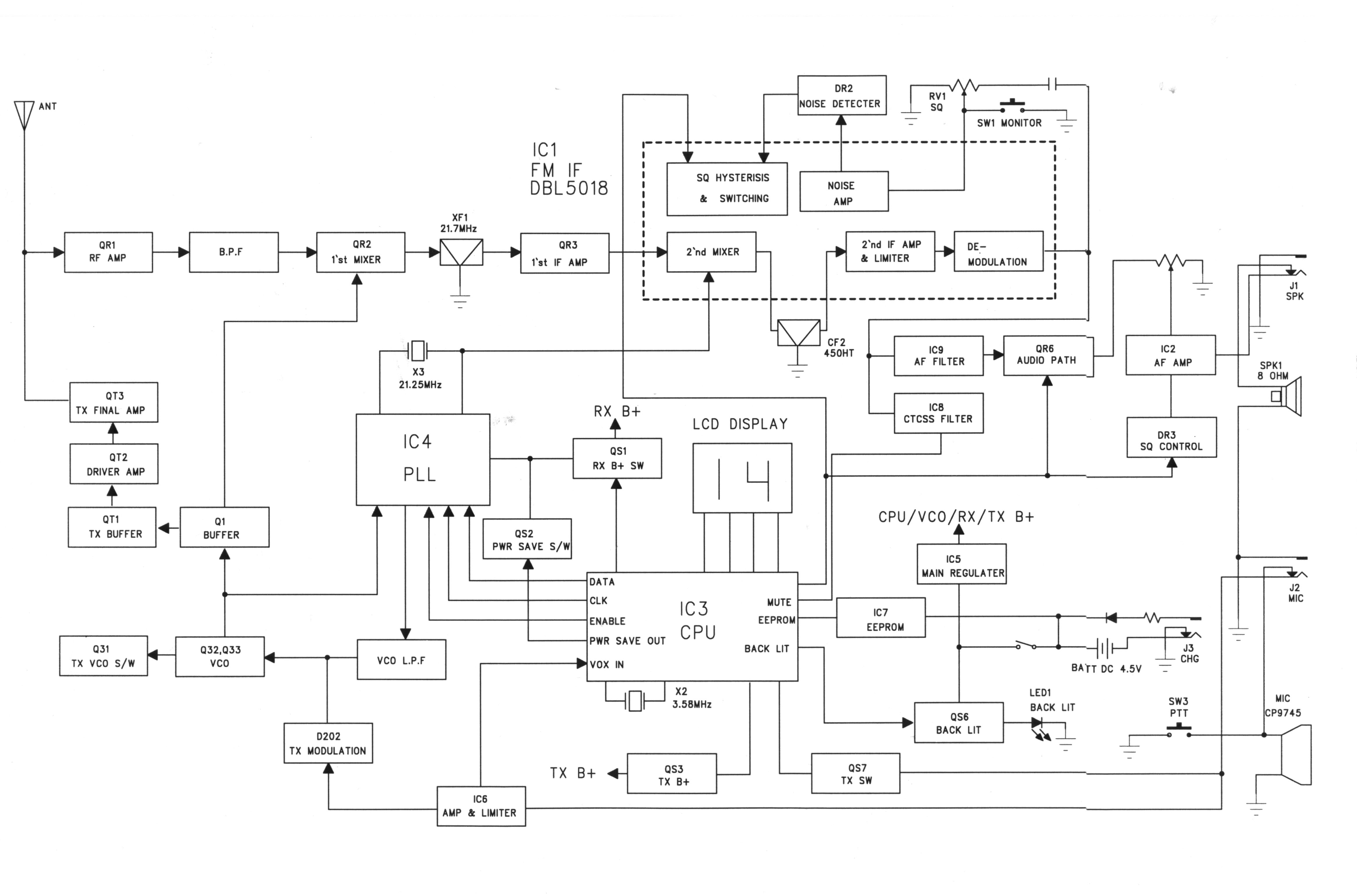
Block DiagramBlock Diagram 2000-09-29 00:00:00 jpeg
Schematic DiagramSchematics 2000-09-29 00:00:00 jpeg
User InstructionsUsers Manual 2000-09-29 00:00:00 pdf
Test ReportTest Report 2000-09-29 00:00:00 pdf
Internal PhotosInternal Photos 2000-09-29 00:00:00 pdf
External PhotosExternal Photos 2000-09-29 00:00:00 pdf
FCC ID Label and LocationID Label/Location Info 2000-09-29 00:00:00 pdf

Application Details:

EquipmentUHF Portable Transceiver
FRN0005867551
Grantee CodeMMA
Product Code75511
Applicant BusinessMidland Radio Corporation
Business Address5900 Parretta Drive , Kansas City,Missouri United States 64120-2134
TCB Scope
TCB Email
ApplicantJeff Brame – Director of Engineering
Applicant Phone 238
Applicant Fax816 241-5713
Applicant Email[email protected]
Applicant MailStop
Test FirmHyak Laboratories, Inc.
Test Firm ContactRowland Johnson
Test Firm Phone
Test Firm Fax
Test Firm Email
Certified ByRowland S. Johnson – President

© 2026 FCC.report
This site is not affiliated with or endorsed by the FCC