Toggle navigation
FCC.report
IBFS
ELS
FCC ID
Contact
About
LZXFRS99160
FCC ID
Equipment:
Unical Enterprises Inc FRS99160
16960 Gale Avenue, City of Industry, CA 91745 United States
FCC.report
›
FCC ID
›
Unical Enterprises Inc
›
LZXFRS99160
Application
Frequency Range
Final Action Date
Granted
hejdyRk3agsBiI40mzSdgw==
462.5625-467.7125
2000-10-31
APPROVED
File Name
Document Type
Date
Direct
SAR Test Report
RF Exposure Info
2000-10-31 00:00:00
pdf
FCC Inquiry Response
Cover Letter(s)
2000-10-31 00:00:00
pdf
RF Exposure Safety Caution
RF Exposure Info
2000-10-31 00:00:00
pdf
SAR Summary
RF Exposure Info
2000-10-31 00:00:00
pdf
Transmitter Alignment
Parts List/Tune Up Info
2000-10-31 00:00:00
pdf
User Instructions
Users Manual
2000-10-31 00:00:00
pdf
Test Report
Test Report
2000-10-31 00:00:00
pdf
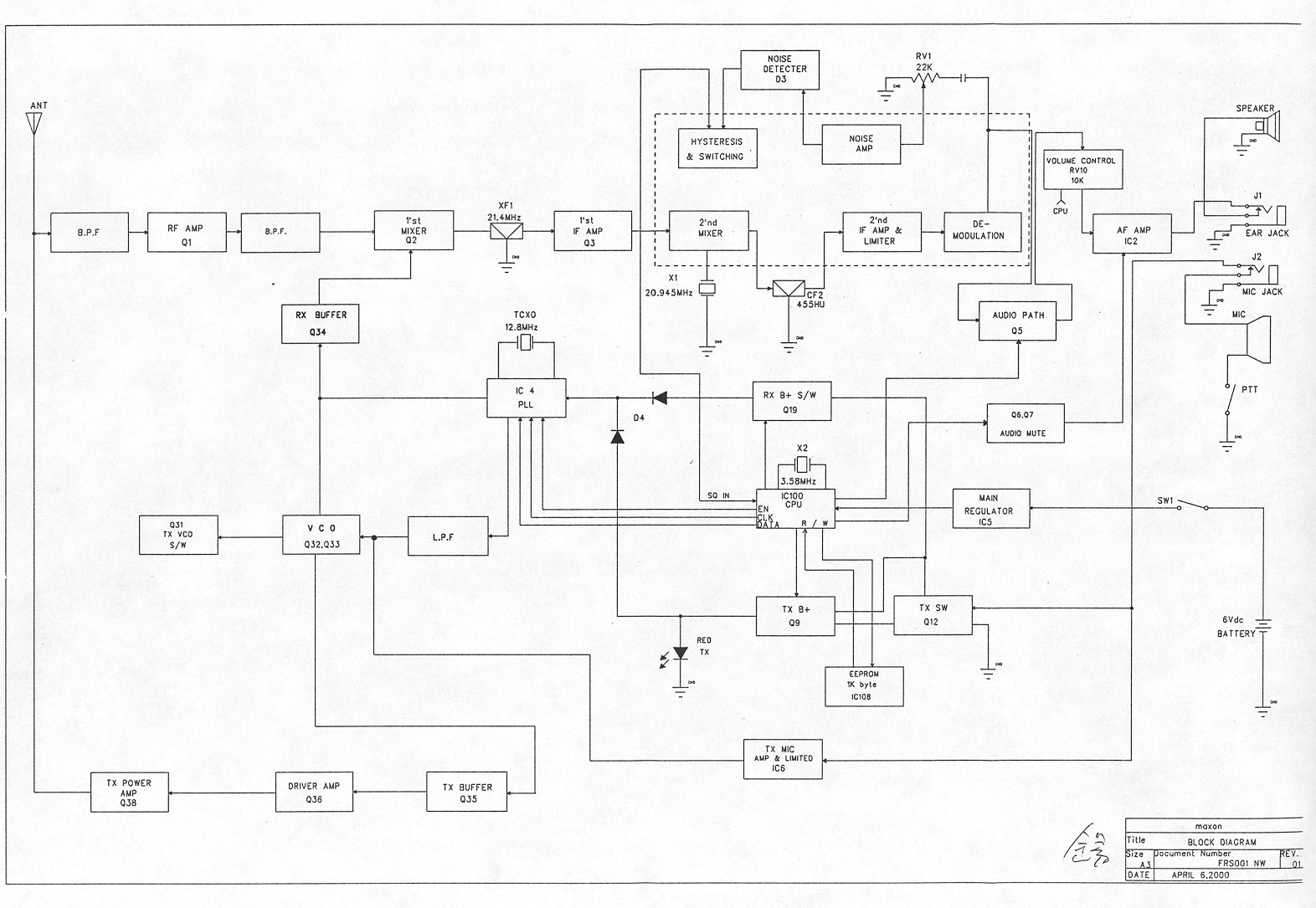
Block Diagram
Block Diagram
2000-10-31 00:00:00
jpeg
Schematic Diagram
Schematics
2000-10-31 00:00:00
jpeg
Internal Photos
Internal Photos
2000-10-31 00:00:00
pdf
External Photos
External Photos
2000-10-31 00:00:00
pdf
ID Label Location
ID Label/Location Info
2000-10-31 00:00:00
pdf
FCC ID Label
ID Label/Location Info
2000-10-31 00:00:00
jpeg
Application Details:
Equipment
UHF Portable Transceiver
FRN
0018880070
Grantee Code
LZX
Product Code
FRS99160
Applicant Business
Unical Enterprises Inc
Business Address
16960 Gale Avenue , City of Industry,California United States 91745
TCB Scope
TCB Email
Applicant
Andy Chung –
Applicant Phone
Applicant Fax
926-965-6998
Applicant Email
[email protected]
Applicant MailStop
Test Firm
Hyak Laboratories, Inc.
Test Firm Contact
Rowland Johnson
Test Firm Phone
Test Firm Fax
Test Firm Email
Certified By
Rowland S. Johnson – President
© 2026 FCC.report
This site is not affiliated with or endorsed by the FCC